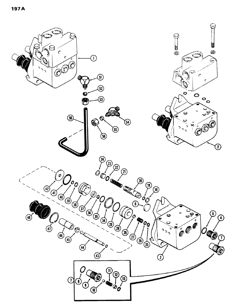
Запчасти Case IH 970 (197A) - A62074 POWER BRAKE VALVE, USED PRIOR TO TRAC. SN 8711460 (07) - BRAKES

Схема запчастей Case IH 970 - (197A) - A62074 POWER BRAKE VALVE, USED PRIOR TO TRAC. SN 8711460 (07) - BRAKES
47
48
40
23
2
22
12
19
26
34
25
24
5
27
11
7
29
36
45
4
52
18
10
43
50
51
54
28
44
35
41
42
9
1
37
56
7
46
39
26
13
55
53
20
6
3
8
21
38
FIT
1:1
100%

Артикул

Название

Примечание

Количество

1

A62074

VALVE

ASSY. - power brake, Includes: Ref. 2 - 48

1шт.

2

A62073

SPARE PART

VALVE ASSY. - power brake (Order 1-A65363 and 2-13-644), Includes: Ref. 3 - 48

1шт.

3

NSS

NOT SOLD SEPARAT

BODY - valve, master cylinder (Order A62073)

1шт.

4

A59948

PLUG

- reducer, valve body

2шт.

6

41-1016

PLUG,Cup, 1"

- cup, valve body (Replaces A37207)

1шт.

7

A60643

VALVE

ASSY. - sump pressure relief, Includes: Ref. 8 - 13

1шт.

8

237-6010

O-RING,0.097" Thk x 0.755" ID, -910, Cl 6, 90 Duro

"O"RING - 3/4 x 15/16 x 3/32"

1шт.

9

NSS

NOT SOLD SEPARAT

BODY - sump relief valve (Order A60643)

1шт.

10

211-11

BALL,3/8" Dia

- relief valve (meter) 3/8" Dia

1шт.

11

A60644

SPRING - compression sump pressure relief (25/32" free length)

1шт.

12

A59946

WASHER - 1/4 x 27/64 x 5/32"

1шт.

13

A59947

SNAP RING,0.453", Int, #45

Ring, Snap, , sump pressure relief 0.453", Int, #45

1шт.

18

A59951

RING

- sealing, boost spool

2шт.

Part of power brake valve assy. repair kit P/N A42499

1шт.

19

A28090

O-RING,0.301" ID x 0.441" OD x 0.07"

-011, 70 Duro, .301" ID x .070" Thk

2шт.

Part of power brake valve assy. repair kit P/N A42499

1шт.

20

A61104

SPOOL

- boost

2шт.

21

A59950

SPRING

- boost spool (1-3/4" free length

2шт.

22

A29197

O-RING,0.424" ID x 0.63" OD x 0.103"

"O"RING - 7/16 x 5/8 x 3/32"

2шт.

Part of power brake valve assy. repair kit P/N A42499

1шт.

23

A59952

PLUG - boost spool

2шт.

24

G46147

SNAP RING,0.625", Int, #62

Ring, Snap, , boost spool plug 0.625", Int, #62

2шт.

25

G10659

SNAP RING,#31, Ext

Ring, Snap, , piston #31, Ext

2шт.

26

A65931

RETAINER - spring (Replaces A59958)

4шт.

27

A59957

SPRING

- piston (21/32" free length)

2шт.

28

A59953

PISTON

- power brake

2шт.

29

A59954

O-RING,0.07" Thk x 1.176" ID, -25, Cl 5, 75 Duro

"O"RING - 1-3/16 x 1-5/16 x 1/16"

2шт.

Part of power brake valve assy. repair kit P/N A42499

1шт.

34

A59955

SEALING RING

RING - sealing, piston (rectangular)

2шт.

Part of power brake valve assy. repair kit P/N A42499

1шт.

35

F8222

O-RING,0.07" Thk x 0.739" ID, -18, Cl 6, 90 Duro

"O"RING - 3/4 x 7/8 x 1/16" (Replaces T22211)

2шт.

Part of power brake valve assy. repair kit P/N A42499

1шт.

36

G10659

SNAP RING,#31, Ext

Ring, Snap, , piston seal washer #31, Ext

2шт.

37

A59959

WASHER

- seal, piston

2шт.

38

A62072

SEAT

STOP - piston (Replaces A61519)

2шт.

39

A59961

RING

- back-up, piston stop

2шт.

Part of power brake valve assy. repair kit P/N A42499

1шт.

40

A27891

O-RING,0.103" Thk x 0.362" ID, -110, Cl 5, 75 Duro

"O"RING - 3/8 x 9/16 x 3/32"

2шт.

Part of power brake valve assy. repair kit P/N A42499

1шт.

41

A27577

O-RING,0.139" Thk x 1.234" ID, -218, Cl 5, 75 Duro

"O"RING - 1-1/4 x 1-1/2 x 1/8"

2шт.

Part of power brake valve assy. repair kit P/N A42499

1шт.

42

A60646

SPACER

RETAINER - pistop stop

2шт.

43

A27880

O-RING,0.07" Thk x 0.18" ID, -8, Cl 5, 75 Duro

"O"RING - 3/16 x 5/16 x 1/16"

2шт.

Part of power brake valve assy. repair kit P/N A42499

1шт.

44

A59963

ROD

- piston

2шт.

45

A60647

COLLAR

RETAINER - piston rod (nylon)

2шт.

Part of power brake valve assy. repair kit P/N A42499

1шт.

46

A59964

CONNECTOR, ELEC

CONNECTOR - piston rod

2шт.

47

T28550

SNAP RING,1.50", Int, #150

Ring, Snap, , piston stop 1.50", Int, #150

2шт.

48

A59966

BOOT

- piston rod

2шт.

Part of power brake valve assy. repair kit P/N A42499

1шт.

A42499

KIT

- repair, power brake valve assy. Not Illustrated, Includes: Ref. 18, 19, 22, 29, 34, 35, 39, 40, 41, 43, 45 and 48

2шт.

5

218-5006

O-RING,0.087" Thk x 0.644" ID, -908, Cl 6, 90 Duro

"O"RING - 1/2 x 21/32 x 3/32"

2шт.

Выбрано товаров: 53