Запчасти Case IH 970 (230) - DRAFT SENSING CONTROL (08) - HYDRAULICS

Схема запчастей Case IH 970 - (230) - DRAFT SENSING CONTROL (08) - HYDRAULICS
3
12
27
6
17
19
1
10
21
5
4
11
26
6
16
8
18
23
9
3
6
20
6
10
25
2
24
FIT
1:1
100%

Артикул

Название

Примечание

Количество

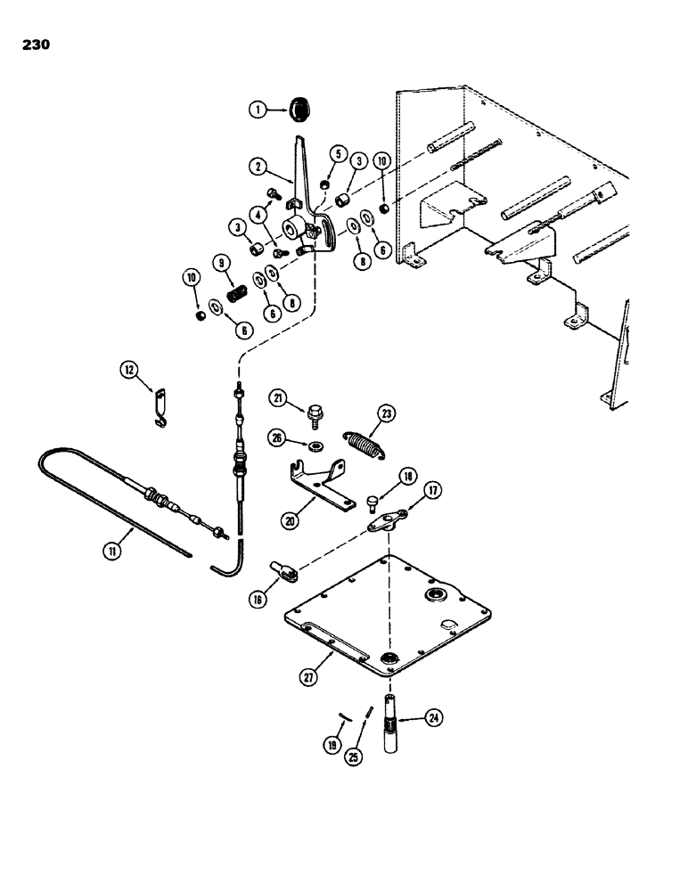
1

A65699

KNOB

- sensing hand lever (Replaces A23885 and A62078)

1шт.

2

A61076

LEVER

ASSY. - hand, draft sensing control (Replaces A59468), Includes: Ref. 3

1шт.

3

A59429

BUSHING,15.95mm ID x 19.13mm OD x 12.83mm L

- hand lever, sensing

2шт.

4

A59463

BOLT

- 1/4 x 5/8" N.C. hex., nylon

2шт.

5

193-1000

NUT,Keps, w/LW,#10-32

- #10 N.C. hex., keps

1шт.

6

195-2035

WASHER,7/16" x 1 1/4" x .083"

- 7/16 x 1-1/4 x 14 ga.

3шт.

8

A61069

DISC

- friction, sensing lever (Replaces A59432)

2шт.

9

A62201

SPRING

- friction disc (Replaces A26546)

1шт.

10

131-1306

JAM NUT,Jam, 3/8"-16

NUT - 3/8" N.C. hex., top face lock

2шт.

11

A59466

CABLE

- sensing control

1шт.

12

A59467

CLIP - sensing control cable

1шт.

16

213-1

ADJUSTABLE CLEVIS,#10-32

YOKE - (3/16")

1шт.

17

A62176

LEVER

- sensing, lower (Replaces A61065 & A61221)

1шт.

18

141-1

CLEVIS PIN,3/16" x .580"

PIN - clevis, 3/16"

1шт.

19

132-7

COTTER PIN,1/16" x 3/4"

Pin, Split (Cotter), 1/16" x 3/4"

1шт.

20

A61064

BRACKET

- sensing cable, lower

1шт.

21

193-536

BOLT - 3/8 x 1-1/8" N.C. hex., sems

2шт.

23

A59470

SPRING

- sensing control

1шт.

24

A59599

SHAFT - manual control sensing

1шт.

25

138-2009

PIN,3/16" x 1", Coiled

1шт.

26

195-21

WASHER,5/16"

- 5/16 x 7/8 x 1/16"

2шт.

27

A59598

COVER

- rockshaft housing

1шт.

Выбрано товаров: 22