Запчасти Case IH 970 (246) - A42248 VALVE (08) - HYDRAULICS

Схема запчастей Case IH 970 - (246) - A42248 VALVE (08) - HYDRAULICS
69
72
64
51
69
53
75
65
56
73
49
80
52
78
68
77
57
71
58
70
48
67
74
66
55
54
79
76
63
50
46
47
FIT
1:1
100%

Артикул

Название

Примечание

Количество

A42248

VALVE

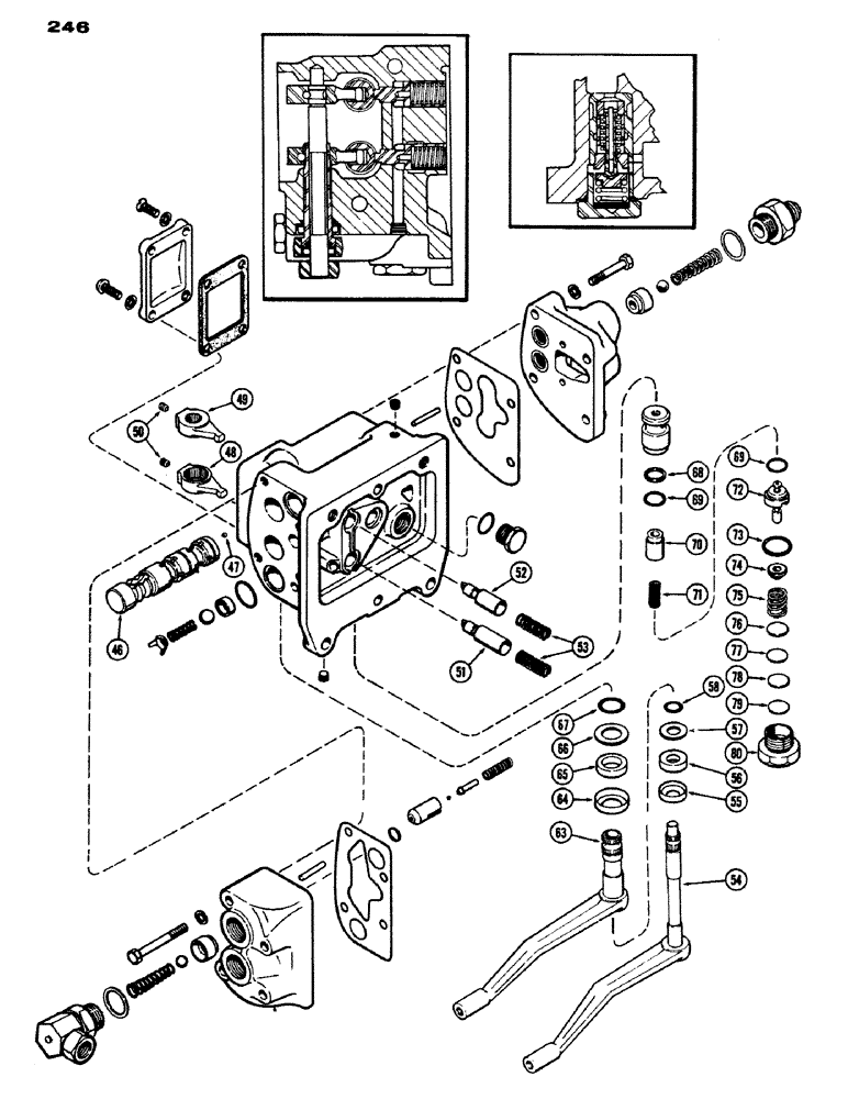
ASSY. - dual remote, Includes: Ref. 46 - 80 and Ref. 1 - 41 on Fig. 244

1шт.

46

A57538

SPOOL

ASSY. - hydraulic valve, Includes: Ref. 47

2шт.

47

211-5

BALL,3/16" Dia

- (meter, Grade 3) 3/16" Dia

1шт.

48

A57546

ARM

ASSY. - hyd. valve spool shifter lever, inner

1шт.

49

A57547

ARM

ASSY. - hyd. valve spool shifter lever, outer, Includes: Ref. 50

1шт.

50

178-875

SET SCREW,Hex Soc, 1/4"-20 x 1/4"

SCREW - set (hex. sckt. hdless., cup pt.)

1шт.

51

A57554

PLUNGER

- hyd. valve spool, inner

1шт.

52

A57555

PLUNGER

- hyd. valve spool, outer

1шт.

53

A30883

SPRING

- hyd. valve spool plunger

2шт.

54

A60393

SHAFT

- valve shifter lever, outer

1шт.

55

A30875

RETAINER

- felt washer, outer shifter shaft

1шт.

Part of dual remote valve repair kit P/N A43882

1шт.

56

A30853

WASHER

- felt, outer shifter shaft

1шт.

Part of dual remote valve repair kit P/N A43882

1шт.

57

A27409

WASHER

- outer shifter shaft seal

1шт.

Part of dual remote valve repair kit P/N A43882

1шт.

58

A64836

O-RING,0.487" ID x 0.693" OD

"O"RING - 3/32 x 1/2 x 11/16"

1шт.

Part of dual remote valve repair kit P/N A43882

1шт.

63

A60391

SHAFT

- valve shifter lever, inner

1шт.

64

A30880

RETAINER

- felt washer, inner shifter shaft

1шт.

Part of dual remote valve repair kit P/N A43882

1шт.

65

A30879

WASHER

- felt, inner shifter shaft

1шт.

Part of dual remote valve repair kit P/N A43882

1шт.

66

A30881

SEALING WASHER,19.45mm ID x 31.35mm OD

WASHER - inner shifter shaft seal

1шт.

Part of dual remote valve repair kit P/N A43882

1шт.

67

A64837

O-RING,0.103" Thk x 0.75" ID, -116, Cl 5, 75 Duro

"O"RING - 3/32 x 3/4 x 15/16"

1шт.

Part of dual remote valve repair kit P/N A43882

1шт.

68

A34493

RING,16.33mm ID x 19.02mm OD x 1.25mm Thk

- pilot relief valve

1шт.

Part of dual remote valve repair kit P/N A43882

1шт.

69

A17526

O-RING,0.614" ID x 0.754" OD x 0.7"

"O"RING - 5/8 x 3/4 x 1/16"

2шт.

Part of dual remote valve repair kit P/N A43882

1шт.

70

A57553

PISTON

- pilot relief valve

1шт.

71

A34382

SPRING

- pilot relief valve (1" free length) (15/32" O.D.)

1шт.

72

A57556

PISTON

ASSY. - pilot relief valve

1шт.

73

218-5008

O-RING,0.116" Thk x 0.924" ID, -912, Cl 6, 90 Duro

"O"RING - 3/4 x 59/64 x 1/8"

1шт.

Part of dual remote valve repair kit P/N A43882

1шт.

74

A57558

RETAINER

- pilot relief valve spring

1шт.

75

A34492

SPRING

- auxiliary valve pilot relief poppet (23/32" free length) (49/64" O.D.)

1шт.

76

A34849

SHIM,.0105" Thk

Pilot relief spring .0105" Thk

1шт.

Refer to tag attached to A42248 valve assy. for shim data.

1шт.

77

A34390

SHIM,.0329" Thk

Pilot relief spring .0329" Thk

1шт.

Refer to tag attached to A42248 valve assy. for shim data.

1шт.

77

A34391

SHIM,.0149" Thk

Pilot relief spring .0149" Thk

1шт.

Refer to tag attached to A42248 valve assy. for shim data.

1шт.

78

A34817

SHIM,.0149" Thk

Pilot relief spring (Blue Japan) .0149" Thk

1шт.

Refer to tag attached to A42248 valve assy. for shim data.

1шт.

79

A34694

SHIM,.0201" Thk

Pilot relief spring .0201" Thk

1шт.

Refer to tag attached to A42248 valve assy. for shim data.

1шт.

80

A34392

PLUG

- pilot relief valve

1шт.

A43882

KIT

- repair, dual remote valve, Includes: Ref. 55, 56, 57, 58, 64 - 69 and 73, Not Illustrated

1шт.

A42888

KIT

- seal, Includes 1-A34493, 2-A17526 and 1-218-5008) (Services pilot relief valve

1шт.

Выбрано товаров: 51