Запчасти Case IH 970 (096) - A42326 SOLENOID, (401B) DIESEL ENGINE (04) - ELECTRICAL SYSTEMS

Схема запчастей Case IH 970 - (096) - A42326 SOLENOID, (401B) DIESEL ENGINE (04) - ELECTRICAL SYSTEMS
15
19
8
20
32
38
40
36
26
9
23
33
2
22
7
4
17
12
35
21
24
10
3
16
5
31
25
11
39
18
27
6
FIT
1:1
100%

Артикул

Название

Примечание

Количество

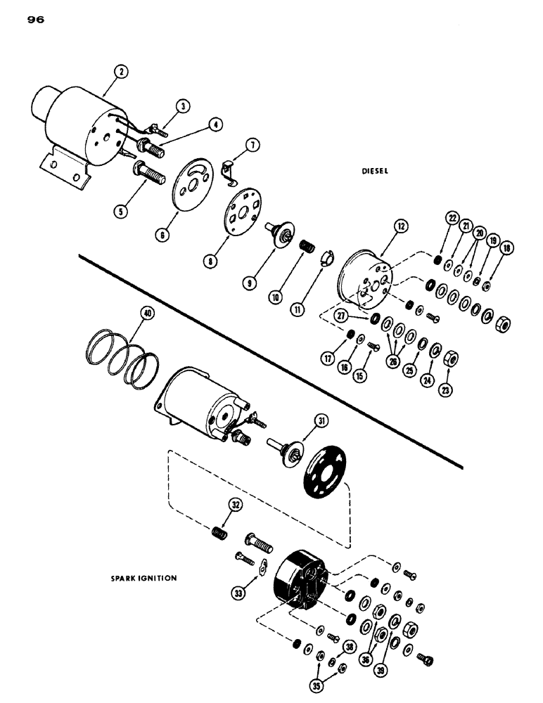
A42326

SOLENOID

ASSY. - (Delco #1115518), Includes: Ref. 2 - 27

1шт.

2

NSS

NOT SOLD SEPARAT

CASE AND COIL ASSY.

1шт.

3

A42090

TERMINAL CONNECTOR

TERMINAL - solenoid switch

1шт.

4

A42383

TERMINAL CONNECTOR

TERMINAL - solenoid motor

1шт.

5

A42387

SCREW,3/8" - 16 x 1.46"

TERMINAL - solenoid battery

1шт.

6

A42377

GASKET

- solenoid cover

1шт.

7

A42384

CLIP

- solenoid terminal

1шт.

8

A42386

INSULATOR

- solenoid cover

1шт.

9

A42385

CONTACT

- solenoid

1шт.

10

A42059

SPRING

- contact return

1шт.

11

A42391

INSULATOR

- solenoid cover cup

1шт.

12

A42388

COVER

- solenoid

1шт.

15

A42380

SCREW,#10 - 32 x 9/16"

- cover, #10 N.F. Nylock

2шт.

16

A42378

WASHER

- 3/16 x 1/2 x 1/32"

2шт.

17

A42392

WASHER

- 3/16 x 21/64 x 3/32" rubber

2шт.

18

129-37

NUT,#10-32

1шт.

19

192-18

LOCK WASHER,Helical Spring, #10, 0.196" ID, CST, ZND

WASHER, LOCK, #10

1шт.

20

R16177

WASHER

- 3/16 x 1/2 x 3/64"

2шт.

21

A42390

WASHER

- 3/16 x 1/2 x 1/16"

1шт.

22

A42392

WASHER

- 3/16 x 21/64 x 3/32" rubber

1шт.

23

129-103

NUT,Hex, 3/8" - 16, Gr 5

NUT, 3/8"-16, G5

2шт.

24

192-21

LOCK WASHER,3/8"

WASHER, LOCK, 3/8"

2шт.

25

R15013

WASHER

- 25/64 x 11/16 x 1/16"

2шт.

26

A42379

WASHER

- 25/64 x 3/4 x 1/16"

6шт.

27

A42389

WASHER

- 3/8 x 17/32 x 3/32"

2шт.

G44891

SOLENOID

ASSY. - (Delco #1114356), (377B) spark ignition engine, Includes: Ref. 31 - 40

1шт.

IT IS SUGGESTED YOUR LOCAL DELCO-REMY DEALER BE CONTACTED FOR ALL PARTS ILLUSTRATED BUT NOT LISTED

1шт.

31

A42061

SWITCH

CONTACT ASSY., (377B) spark ignition engine, G44891 solenoid

1шт.

32

A42059

SPRING

- plunger return, (377B) spark ignition engine, G44891 solenoid

1шт.

33

A42060

HALF BLADE

BLADE - contact, (377B) spark ignition engine, G44891 solenoid

1шт.

35

129-16

NUT,#8-32

Terminal, (377B) spark ignition engine, G44891 solenoid #8-32

4шт.

36

B90397

NUT

- terminal, 3/8" N.C. hex, (377B) spark ignition engine, G44891 solenoid

3шт.

38

192-16

LOCK WASHER,Helical Spring, #8, 0.17" ID, CST, ZND

Washer, Lock, , (377B) spark ignition engine, G44891 solenoid #8

2шт.

39

192-21

LOCK WASHER,3/8"

WASHER, LOCK, (377B) Spark ignition engine, G44891 solenoid 3/8"

1шт.

40

A40221

SPRING

- plunger return, (377B) spark ignition engine, G44891 solenoid

1шт.

Выбрано товаров: 35