Запчасти Case IH 970 (118) - STEERING & BRAKE VALVE SYSTEM, G32017 OIL FILTER (05) - STEERING

Схема запчастей Case IH 970 - (118) - STEERING & BRAKE VALVE SYSTEM, G32017 OIL FILTER (05) - STEERING
7
16
25
23
8
17
9
20
27
18
22
2
5
26
28
19
24
21
1
3
14
15
4
6
FIT
1:1
100%

Артикул

Название

Примечание

Количество

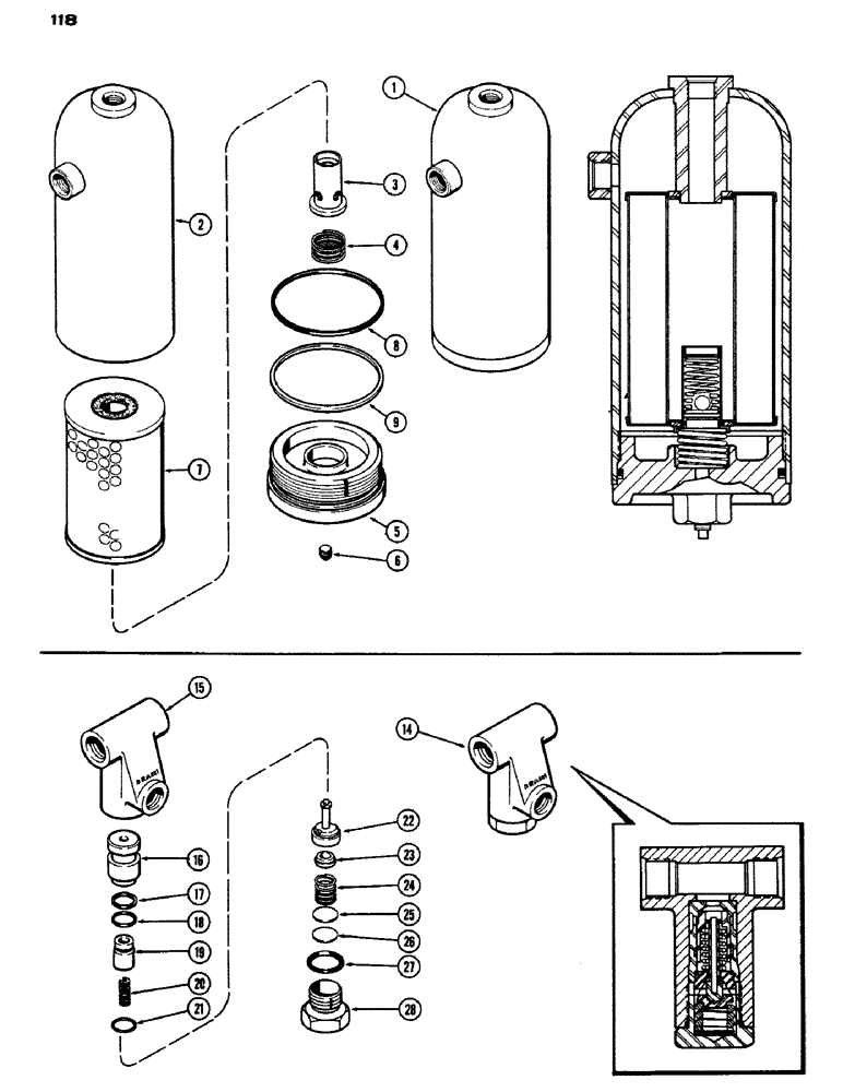
1

G32017

FILTER

ASSY. - steering-power brake system (25 Micron) (Replaces A60721), Includes: Ref. 2 - 9

1шт.

2

G32018

HYD TUBE,7.89" L

TUBE - oil filter (Replaces A60727)

1шт.

3

D37207

VALVE

ASSY. - relief, oil filter

1шт.

4

D31212

SPRING

- retaining, oil filter

1шт.

5

A60765

CAP

- end, oil filter

1шт.

6

221-1011

DRAIN PLUG,Sq Hd, 1/8"-27 NPTF

PLUG - pipe, 1/8" square head

1шт.

A61234

HYDRAULIC OIL FILTER

KIT - oil filter element (Not Illust.), Includes: Ref. 7 - 9

1шт.

7

NSS

NOT SOLD SEPARAT

ELEMENT - oil filter (Red Color Code) (Order A61234)

1шт.

8

A27507

O-RING,0.139" Thk x 3.984" ID, -242, Cl 5, 75 Duro

"O"-RING - 4 x 4-1/4 x 1/8"

1шт.

9

D27382

RING

- back-up (leather) filter, Serial Range: cap-body

1шт.

14

A59905

VALVE

ASSY. - steering system relief, Includes: Ref. 15 - 28

1шт.

15

NSS

NOT SOLD SEPARAT

BODY - relief valve (Order A59905), steering system

1шт.

16

NSS

NOT SOLD SEPARAT

SLEEVE - relief valve (Order A59905), steering system

1шт.

17

A34493

RING,16.33mm ID x 19.02mm OD x 1.25mm Thk

- back-up, relief sleeve, A59905 steering system, valve

1шт.

Part of steering system relief valve seal kit P/N A42888

1шт.

18

A17526

O-RING,0.614" ID x 0.754" OD x 0.7"

"O"-RING - 5/8 x 3/4 x 1/16", A59905 steering system relief valve

1шт.

Part of steering system relief valve seal kit P/N A42888

1шт.

19

A57553

PISTON

- relief valve, A59905 steering system

1шт.

20

A34382

SPRING

- pilot piston (1" free length), A59905 steering system relief valve

1шт.

21

A17526

O-RING,0.614" ID x 0.754" OD x 0.7"

"O"-RING - 5/8 x 3/4 x 1/16", A59905 steering system relief valve

1шт.

Part of steering system relief valve seal kit P/N A42888

1шт.

22

A57556

PISTON

ASSY. - pilot, A59905 steering system relief valve

1шт.

23

A57558

RETAINER

- pilot spring, A59905 steering system relief valve

1шт.

24

A34492

SPRING

- relief valve (23/32" free length), A59905 steering system

1шт.

25

A34391

SHIM,.0149" Thk

Relief spring, A59905 steering system, valve .0149" Thk

1шт.

26

A34390

SHIM,.0329" Thk

Relief spring, A59905 steering system valve, Includes Ref. 27 .0329" Thk

1шт.

27

218-5008

O-RING,0.116" Thk x 0.924" ID, -912, Cl 6, 90 Duro

"O"RING - 3/4 x 59/64 x 1/8", A59905 steering system relief valve

1шт.

Part of steering system relief valve seal kit P/N A42888

1шт.

28

A34392

PLUG

- relief valve, A59905 steering system

1шт.

A42888

KIT

- seal, steering system relief valve, Includes: Ref. 17, 18, 21 and 27 (Not Illus.), A59905

1шт.

Выбрано товаров: 30