Запчасти Case IH 970 (266) - A64504 STEERING ACTUATOR, WITH DUAL FRONT WHEELS, FIRST USED TRACTOR SERIAL NUMBER 8693001 (05) - STEERING

Схема запчастей Case IH 970 - (266) - A64504 STEERING ACTUATOR, WITH DUAL FRONT WHEELS, FIRST USED TRACTOR SERIAL NUMBER 8693001 (05) - STEERING
6
1
11
6
23
16
10
2
7
15
14
13
24
10
8
4
20
12
5
21
3
22
FIT
1:1
100%

Артикул

Название

Примечание

Количество

1

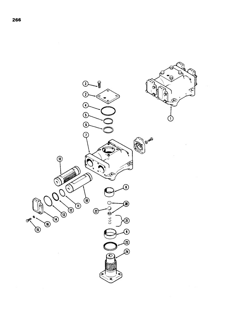
A64504

ACTUATOR

ASSEMBLY - complete, Includes: Ref. 2 - 24

1шт.

2

A60218

COVER

- top, housing

1шт.

3

13-824

BOLT,Hex, 1/2" - 13 x 1-1/2", Gr 5, Full Thd

4шт.

4

A60219

SEALING RING

O-RING - cover seal (4 x 4-17/64 x 9/64")

1шт.

Part of seal kit P/N A42399.

1шт.

5

A60216

SNAP RING,#250, Ext

Ring, Snap, , spindle #250, Ext

1шт.

6

A60215

WASHER

- thrust, spindle

1шт.

7

A60209

HOUSING

ASSEMBLY - actuator, Includes: Ref. 8 & 9

1шт.

8

A60210

BUSHING

- top, 2-1/2 x 2 - 11/16 x 1-23/64"

1шт.

9

A60211

BUSHING

- bottom, 3-1/4 x 3-7/16 x 1-5/32"

1шт.

10

A64908

PISTON

- actuator (Replaces A59285)

2шт.

11

A60212

O-RING

- (1-5/16 x 2-1/8 x 3/32")

4шт.

Part of seal kit P/N A42399.

1шт.

12

A60213

RING

- seal, piston

4шт.

Part of seal kit P/N A42399.

1шт.

13

T11032

O-RING,0.139" Thk x 2.859" ID, -233, Cl 5, 75 Duro

- cover seal (2-7/8 x 3-1/8 x 1/8")

4шт.

Part of seal kit P/N A42399.

1шт.

14

A59533

COVER

- end

4шт.

15

13-622

BOLT,Hex, 3/8" - 16 x 1-3/8", Gr 5

- 3/8 x 1-3/8" NC hex

16шт.

16

92-6

LOCK WASHER,3/8"

16шт.

20

A60217

SEAT

- ball, spindle

2шт.

21

A34849

SHIM,.0105" Thk

Ball seat (Replaces A34839) .0105" Thk

1шт.

21

A34390

SHIM,.0329" Thk

Ball seat .0329" Thk

1шт.

21

A34817

SHIM,.0149" Thk

Ball seat .0149" Thk

1шт.

22

211-21

BALL

- steel, 1" dia

1шт.

23

A57658

OIL SEAL

- oil, spindle (3-1/4 x 4-1/4 x 3/8")

1шт.

Part of seal kit P/N A42399.

1шт.

24

A60214

SPINDLE - steering arm

1шт.

A42399

SEAL

KIT - seal, Includes: Ref. 4, 11 - 13 and 23

1шт.

Выбрано товаров: 29