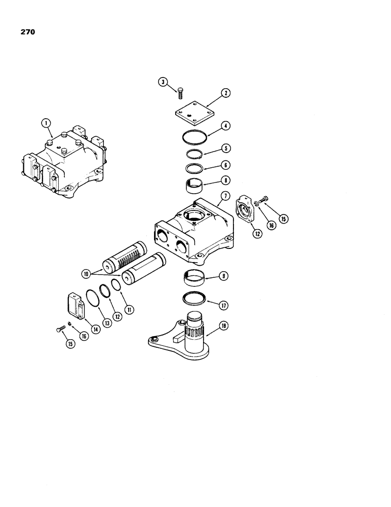
Запчасти Case IH 970 (270) - A66716 STEERING ACTUATOR, WITH ADJUSTABLE FRONT AXLE, FIRST USED TRACTOR SERIAL NUMBER 8757256 (05) - STEERING

Схема запчастей Case IH 970 - (270) - A66716 STEERING ACTUATOR, WITH ADJUSTABLE FRONT AXLE, FIRST USED TRACTOR SERIAL NUMBER 8757256 (05) - STEERING
4
15
14
17
6
12
16
16
13
18
15
11
12
5
7
3
8
2
1
10
8
FIT
1:1
100%

Артикул

Название

Примечание

Количество

1

A66716

ACTUATOR

ASSEMBLY - steering, Includes: Ref. 2 - 18

1шт.

2

A60218

COVER

- top, housing

1шт.

3

13-824

BOLT,Hex, 1/2" - 13 x 1-1/2", Gr 5, Full Thd

4шт.

4

A60219

SEALING RING

O-RING - 4 x 4-17/64 x 9/64"

1шт.

Part of actuator seal kit P/N A42399.

1шт.

5

A60216

SNAP RING,#250, Ext

Ring, Snap, , spindle #250, Ext

1шт.

6

A60215

WASHER

- thrust, spindle

1шт.

7

A60209

HOUSING

ASSEMBLY - actuator, Includes: Ref. 8 - 10

1шт.

8

A60210

BUSHING

- top, 2-1/2 x 2-11/16 x 1-23/64"

1шт.

9

A60211

BUSHING

- bottom, 3-1/4 x 3-7/16 x 1-5/32"

1шт.

10

A64908

PISTON

- actuator

2шт.

11

A60212

O-RING

- 1-5/16 x 2-1/8 x 3/32"

4шт.

Part of actuator seal kit P/N A42399.

1шт.

12

A60213

RING

- seal, piston

4шт.

Part of actuator seal kit P/N A42399.

1шт.

13

T11032

O-RING,0.139" Thk x 2.859" ID, -233, Cl 5, 75 Duro

- 2-7/8 x 3-1/8 x 1/8"

4шт.

Part of actuator seal kit P/N A42399.

1шт.

14

A66605

COVER

- end

4шт.

15

13-622

BOLT,Hex, 3/8" - 16 x 1-3/8", Gr 5

- 3/8 x 1-3/8" NC hex

16шт.

16

92-6

LOCK WASHER,3/8"

16шт.

17

A57658

OIL SEAL

- oil, spindle (3-1/4 x 4-1/4 x 3/8")

1шт.

Part of actuator seal kit P/N A42399.

1шт.

18

A66717

SPINDLE

- actuator

1шт.

Ref #18 (A66717) : The bushings for the actuator spindle are p/n A66721. The are NSS. SMA 3/10/99

1шт.

A42399

SEAL

KIT - actuator, Includes: Ref. 4, 11 - 13 and 17

1шт.

Выбрано товаров: 25