Запчасти Case IH 970 (022) - AIR CLEANER MOUNTING, (401B) DIESEL ENGINE (02) - ENGINE

Схема запчастей Case IH 970 - (022) - AIR CLEANER MOUNTING, (401B) DIESEL ENGINE (02) - ENGINE
24
7
3
10
26
29
32
9
20
14
5
16
34
13
2
23
30
15
35
27
4
14
28
31
22
6
12
11
21
33
8
10
1
25
19
FIT
1:1
100%

Артикул

Название

Примечание

Количество

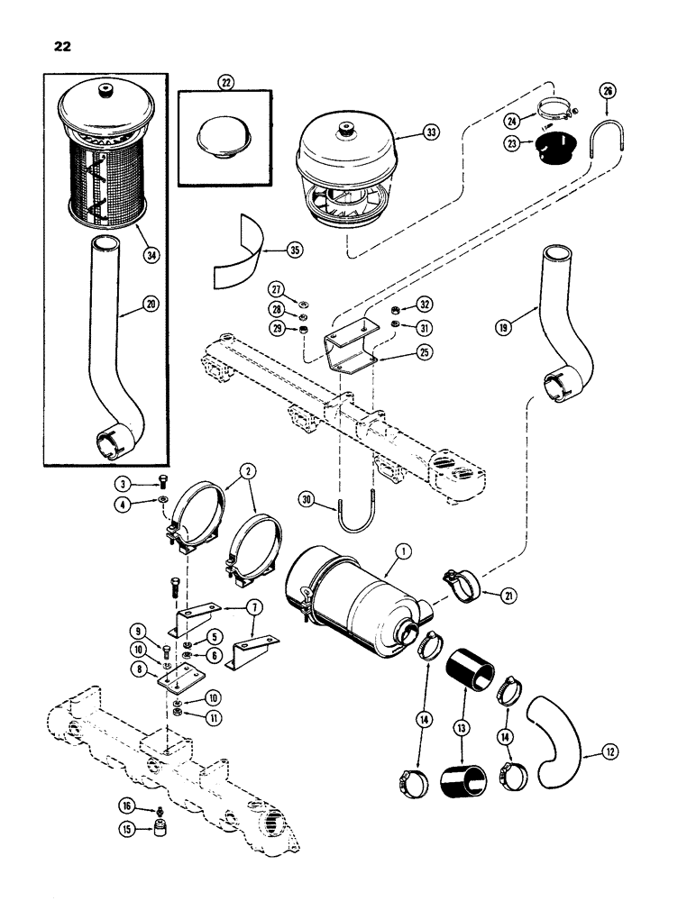
1

A59999

CLEANER

ASSEMBLY - air, See Figure 026

1шт.

2

70973

BRACKET

BANDS - air cleaner mounting

2шт.

3

13-510

BOLT,Hex, 5/16" - 18 x 5/8", Gr 5, Full Thd

4шт.

4

195-20

WASHER

- 5/16 x 7/8 x 1/16"

4шт.

5

92-5

LOCK WASHER,5/16"

4шт.

6

9635082

NUT,5/16" - 18, Gr 5

- 5/16" NC hex.

4шт.

7

A59209

BRACKET

- air cleaner mounting

2шт.

8

A59249

SUPPORT - mounting bracket

1шт.

9

13-614

BOLT,Hex, 3/8" - 16 x 7/8", Gr 5, Full Thd

4шт.

10

92-6

LOCK WASHER,3/8"

4шт.

11

25-106

NUT,3/8"-16, G5

- 3/8" NC hex.

2шт.

12

A61106

TUBE

- air cleaner to intake manifold

1шт.

13

A59581

HOSE

- air intake tube

2шт.

14

214-262

HOSE CLAMP,#44, 2.31" - 3.25", Type F Worm

CLAMP - hose, 2-5/16 to 3-1/4"

4шт.

15

A62574

INDICATOR

- air restriction

1шт.

16

D36264

FITTING

FILTER - safety

1шт.

19

A64590

TUBE

- air cleaner intake (1st used trac. ser. no. 8693001), Includes: Ref. 21

1шт.

20

A59582

TUBE

- air cleaner intake (used prior to trac. ser. no. 8693001), Includes: Ref. 21

1шт.

21

A62125

CLAMP

- air cleaner intake tube

1шт.

22

A61277

CAP

- air stack (used w/o pre-cleaner)

1шт.

23

A59584

GROMMET

- air cleaner intake tube

1шт.

24

214-42

CLAMP

- air cleaner tube grommet

1шт.

25

A62754

BRACKET - air cleaner tube support

1шт.

26

A59579

U-BOLT

BOLT - 1/4" NC,"

1шт.

27

195-102

WASHER,1/4"

- 5/16 x 3/4 x 1/16"

2шт.

28

192-19

LOCK WASHER,Helical Spring, 0.256" ID, CST, ZND

WASHER, LOCK, 1/4"

2шт.

29

7770

NUT,Hex, 1/4 - 20, Cl 5

1/4"-20, G5

2шт.

30

A62755

U-BOLT

BOLT - 5/16" NC, "U"

1шт.

31

92-5

LOCK WASHER,5/16"

2шт.

32

9635082

NUT,5/16" - 18, Gr 5

- 5/16" NC hex

2шт.

33

A64591

CLEANER

PRE-CLEANER ASSEMBLY - (1st used trac. ser. no. 8693001) (Repairs Figure 026)

1шт.

34

A61274

AIR PRE-CLEANER ASSY

PRE-CLEANER ASSEMBLY - pre-screener (Used prior to trac. ser. no. 8693001) (Repairs Figure 026)

1шт.

35

321-2739

DECAL - pre-cleaner heat protective

1шт.

Выбрано товаров: 33