Запчасти Case IH 970 (042) - CYLINDER BLOCK ASSEMBLY, (401B) DIESEL ENGINE, FIRST USED ENGINE SERIAL NUMBER 2556833 (02) - ENGINE

Схема запчастей Case IH 970 - (042) - CYLINDER BLOCK ASSEMBLY, (401B) DIESEL ENGINE, FIRST USED ENGINE SERIAL NUMBER 2556833 (02) - ENGINE
24
14
20
7
16
15
11
13
7
9
19
8
30
5
1
31
4
17
27
6
4
18
8
25
26
13
6
12
32
10
29
3
28
FIT
1:1
100%

Артикул

Название

Примечание

Количество

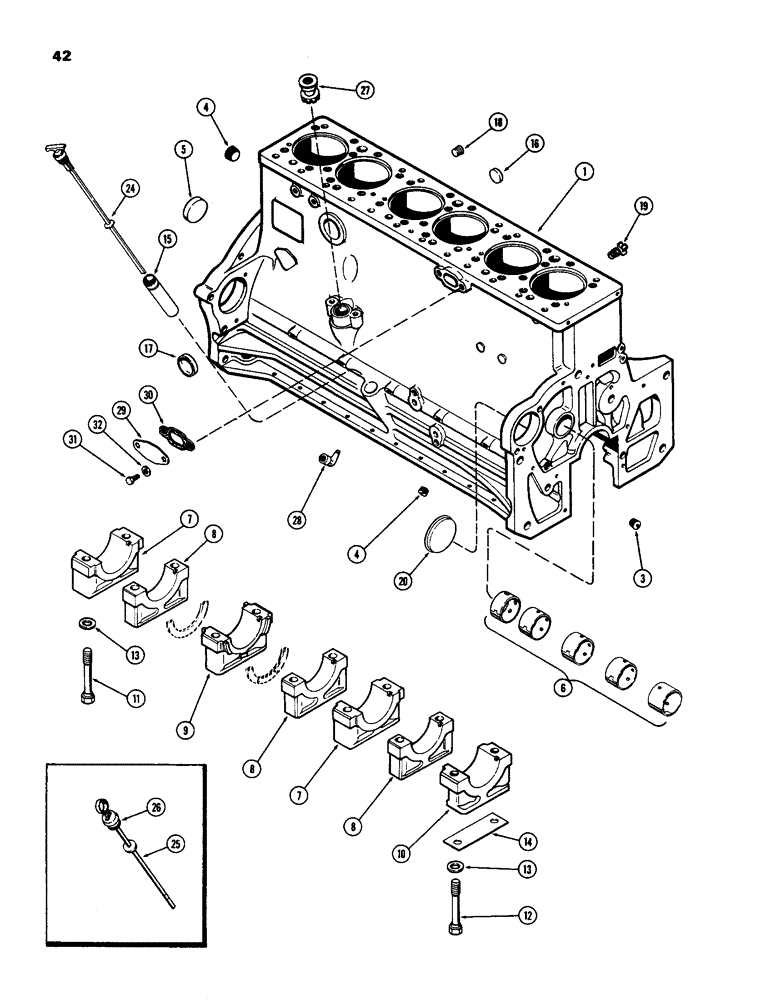
A44093

CRANKCASE

BLOCK ASSEMBLY - short, Includes: Ref. 1 - 20 and stripped block, pistons, conn. rods and brgs., crankshaft and brgs., camshaft and bushings, timing gears and push rod lifters (Casting #A66521)

1шт.

1

A44094

BLOCK

ASSEMBLY - stripped (Casting #A66521), Includes: Ref. 3 - 20

1шт.

3

221-1843

PLUG

- 3/8" PT hex. sckt. hd

3шт.

4

221-1849

PLUG

- 1/8" PT hex. sckt. hd

6шт.

5

A24361

PLUG

- 2-3/8" cup, camshaft hole

1шт.

6

A23544

BUSHING

KIT - camshaft

1шт.

7

A58783

BEARING CAP

CAP - main bearing, rear (wide)

2шт.

8

A58784

BEARING CAP

CAP - main bearing, intermediate (narrow)

3шт.

9

A58785

BEARING CAP

CAP - main bearing, center (wide) (thrust)

3шт.

10

A58782

CAP

- main bearing, front (wide)

1шт.

11

A66948

STEP BOLT

BOLT - 5/8 x 5" NC hex special

12шт.

12

A66949

STEP BOLT

BOLT - 5/8 x 7-5/16" NC hex special

2шт.

13

A58629

BEARING WASHER,16.66mm ID x 25.4mm OD x 3.04mm Thk

WASHER - 21/32 x 1 x 1/8"

14шт.

14

A58859

SHIM,.005" Thk

Oil pump to front brg. cap .005" Thk

1шт.

15

A34540

TUBE

SOCKET - oil filter

1шт.

16

A58568

PLUG,Cup, 1 3/8", Stainless

- 1-3/8" cap, water gallery

3шт.

17

A58569

PLUG,Cup, 2", Stainless

- 2" cup

1шт.

18

221-845

PLUG,Hex Soc, 3/4"-14

- 3/4" hex sckt. hd., heater hole

1шт.

19

A23656

COCK, DRAIN

VALVE - drain, water

1шт.

20

41-1052

PLUG,Cup, 3 1/4"

- 3-1/4" cup

1шт.

24

A138330

DIPSTICK

- oil level (Replaces A34541) (w/o o-rings)

1шт.

25

A34541

DIPSTICK

- oil level (w/ o-rings) (Order A138330), Includes: Ref. 26

1шт.

26

F62075

O-RING,0.139" Thk x 0.734" ID, -210, Cl 5, 75 Duro

- 3/4 x 1 x 1/8"

2шт.

27

A34266

DRIVE

ASSEMBLY - tachometer

1шт.

28

222-41

ELBOW,90 Degree, 7/16"-24 x 1/8 NPT

- 3/16 x 1/8", 90 degree

1шт.

29

A58851

PLATE

COVER - water opening, oil cooler

1шт.

30

A58670

GASKET

- oil cooler water opening cover

1шт.

31

13-820

BOLT,Hex, 1/2" - 13 x 1-1/4", Gr 5, Full Thd

2шт.

32

92-8

LOCK WASHER,1/2"

2шт.

Выбрано товаров: 29