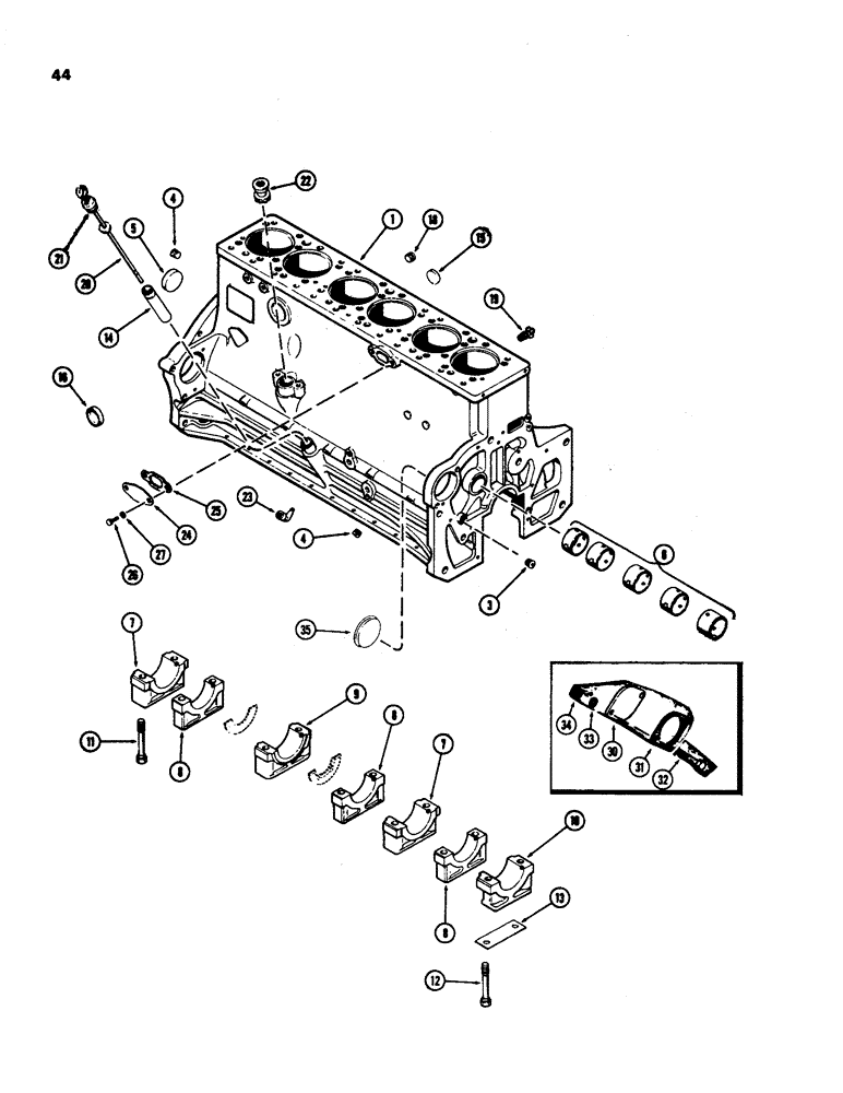
Запчасти Case IH 970 (044) - CYLINDER BLOCK ASSEMBLY, (401B) DIESEL ENGINE, USED PRIOR TO ENGINE SERIAL NUMBER 2556833 (02) - ENGINE

Схема запчастей Case IH 970 - (044) - CYLINDER BLOCK ASSEMBLY, (401B) DIESEL ENGINE, USED PRIOR TO ENGINE SERIAL NUMBER 2556833 (02) - ENGINE
8
16
7
14
15
11
9
26
31
19
20
13
19
35
23
32
34
6
21
7
4
30
12
1
3
24
8
25
18
27
5
4
6
33
22
FIT
1:1
100%

Артикул

Название

Примечание

Количество

A41962

BLOCK

ASSEMBLY - short, Includes: Ref. 1 - 16 and stripped block pistons, conn. rod and brgs., crankshaft and brgs., camshaft and bushings, timing gears and push rod lifters (Casting #A58511) (Order 1-A44093 block and 30-A76638 head bolts)

1шт.

1

A41963

SKELETON ENGINE

BLOCK ASSEMBLY - stripped (Casting #A58511) (Order 1-A44094 block and 30-A76638 head bolts), Includes: Ref. 3 - 16

1шт.

3

221-1843

PLUG

- 3/8" PT hex. sckt. hd

3шт.

4

221-41

PLUG

- 1.8" PT, Sltd. hdless

6шт.

5

A24361

PLUG

- camshaft hole 2-3/8" cup type

1шт.

6

A23544

BUSHING

KIT - camshaft

1шт.

7

A58783

BEARING CAP

CAP - main bearing, rear (wide)

2шт.

8

A58784

BEARING CAP

CAP - main bearing, intermediate (narrow)

3шт.

9

A58785

BEARING CAP

CAP - main bearing center (wide) (thrust)

1шт.

10

A58782

CAP

- main bearing, front (wide)

1шт.

11

A58566

STEP BOLT

BOLT - bearing cap, 5/8 x 4-1/2" NC special

12шт.

12

A58567

STEP BOLT

BOLT - brg. cap and oil pump, 5/8 x 6-13/16" NC special

2шт.

13

A58859

SHIM,.005" Thk

Oil pump to front brg. cap .005" Thk

1шт.

14

A34540

TUBE

SOCKET - oil filter

1шт.

15

A58568

PLUG,Cup, 1 3/8", Stainless

- water gallery, 1-3/8" cup type

3шт.

16

A58569

PLUG,Cup, 2", Stainless

- 2" cup type

1шт.

18

221-845

PLUG,Hex Soc, 3/4"-14

- 3/4" hex. sckt. hd. (heater hole)

1шт.

19

A23656

COCK, DRAIN

VALVE - drain, water

1шт.

20

A34541

DIPSTICK

- oil level, Includes: Ref. 21

1шт.

21

F62075

O-RING,0.139" Thk x 0.734" ID, -210, Cl 5, 75 Duro

- 3/4 x 1 x 1/8"

2шт.

22

A34266

DRIVE

ASSEMBLY - tachometer

1шт.

23

222-40

ELBOW,90 Degree, 3/8"-24 Fem x 1/8"-27 NPTF

- 1/8 x 1/8", 90 degree

1шт.

24

A58851

PLATE

COVER - water opening, oil cooler

1шт.

25

A58670

GASKET

- oil cooler water opening cover

1шт.

26

13-814

BOLT,Hex, 1/2" - 13 x 7/8", Gr 5, Full Thd

Hex 1/2"-13 x 7/8", G5, Full Thd

2шт.

27

92-8

LOCK WASHER,1/2"

2шт.

30

A58732

COVER

- pump mounting (Order A58750)

1шт.

31

A58617

GASKET

- pump mounting cover

1шт.

32

13-656

BOLT,Hex, 3/8" - 16 x 3-1/2", Gr 5

- 3/8 x 3-1/2" NC hex

2шт.

33

92-6

LOCK WASHER,3/8"

2шт.

34

25-106

NUT,3/8"-16, G5

- 3/8" NC hex

2шт.

35

A58750

PLUG,Cup, 3 1/4", Stainless

- cup (3-1/4"OD) (Replaces Ref. 30 - 34)

1шт.

Выбрано товаров: 32