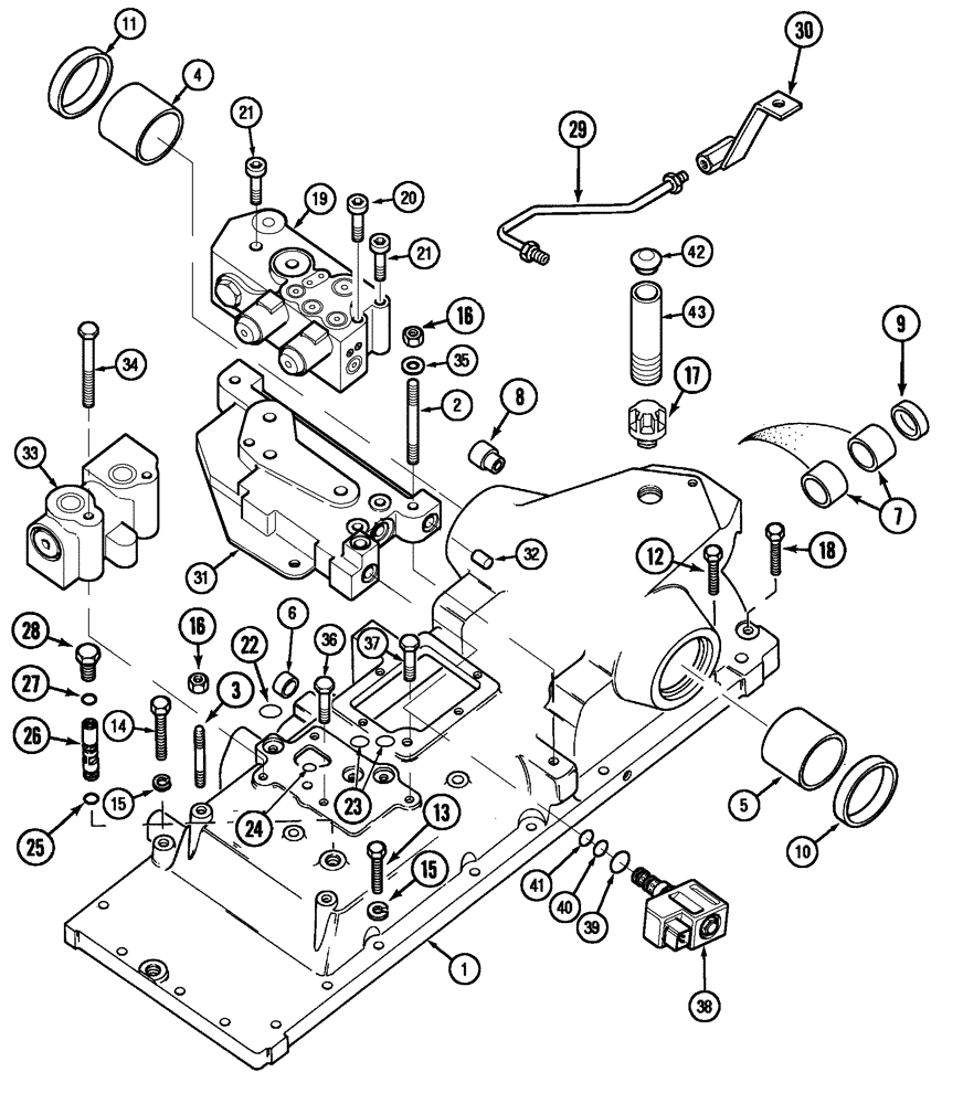
Запчасти Case IH CX100 (08-15) - DRAFT CONTROL HOUSING (08) - HYDRAULICS

Схема запчастей Case IH CX100 - (08-15) - DRAFT CONTROL HOUSING (08) - HYDRAULICS
9
5
35
25
27
18
28
40
19
21
22
26
30
12
33
3
42
17
13
34
15
36
11
20
24
2
32
14
41
16
4
8
43
31
38
37
6
39
1
10
23
29
15
7
21
16
FIT
1:1
100%

Артикул

Название

Примечание

Количество

1

374189A1

HOUSING ASSY.

Includes 2 - 5,8 - 11

1шт.

2

531143R2

STUD

Long

2шт.

3

531144R1

STUD

Short

2шт.

4

1500447C1

BUSHING

Right

1шт.

5

1500532C1

BUSHING

Left

1шт.

6

376011R1

BUSHING

Quadrant Shaft

1шт.

7

273279R91

BUSHING

2шт.

8

41-1612

PLUG,Cup, 3/4", Stainless

1шт.

9

41-1614

PLUG,Cup, 7/8", Stainless

7/8 in dia

1шт.

10

A58223

OIL SEAL

1шт.

11

530096R92

OIL SEAL

Right, Europe Only

1шт.

11

380770R91

OIL SEAL

Right, N.A. Only

1шт.

12

413-826

BOLT,Hex, 1/2" - 13 x 1-5/8", Gr 5

1/2 x 1-5/8; 5

2шт.

13

413-630

BOLT,Hex, 3/8" - 16 x 1-7/8", Gr 5

3/8 x 1-7/8; 5

11шт.

14

413-644

BOLT,Hex, 3/8" - 16 x 2-3/4", Gr 5

2шт.

14

413-632

BOLT,Hex, 3/8" - 16 x 2", Gr 5

1шт.

15

492-11038

LOCK WASHER,3/8"

14шт.

16

425-106

NUT,3/8"-16, Cl 5

4шт.

17

1971726C1

BREATHER,1/4" - 18

1шт.

18

413-830

BOLT,Hex, 1/2" - 13 x 1-7/8", Gr 5

1/2 x 1-7/8; 5

2шт.

19

223026A1

VALVE

Hitch, See Page(s) 8-41

1шт.

20

864-10090

HEX SOC SCREW,M10 x 90mm, Cl 8.8

1шт.

21

864-10080

HEX SOC SCREW,M10 x 80mm, Cl 8.8

2шт.

22

238-6115

O-RING,0.103" Thk x 0.674" ID, -115, Cl 6, 90 Duro

1шт.

23

238-6113

O-RING,0.103" Thk x 0.549" ID, -113, Cl 6, 90 Duro

1шт.

24

59099C1

O-RING,2.39mm Thk x 6.6mm ID

1шт.

25

238-6110

O-RING,0.103" Thk x 0.362" ID, -110, Cl 6, 90 Duro

1шт.

26

400095R92

VALVE, CUSHION

1шт.

27

237-6008

O-RING,0.087" Thk x 0.644" ID, -908, Cl 6, 90 Duro

1шт.

28

536855R1

PLUG

M19

1шт.

29

1537329C1

PIPE

1шт.

30

1537326C1

SUPPORT

1шт.

31

225275A3

MANIFOLD VALVE

Includes 32

1шт.

32

230636A1

BUSHING

2шт.

33

223216A1

VALVE

Unloading, See Page(s) 8-45

1шт.

34

326-652

BOLT,Hex, 3/8" - 16 x 3-1/4", Gr 8

2шт.

35

495-11041

WASHER,0.406" ID x 0.812" OD x 0.065" W

(13/32 x 13/16 x 1/16")

2шт.

36

326-68

BOLT,Hex, 3/8" - 16 x 1/2", Gr 8

1шт.

37

326-616

BOLT,Hex, 3/8" - 16 x 1", Gr 8

1шт.

38

349295A1

SOLENOID VALVE

Includes 39,40,41

1шт.

39

237-6008

O-RING,0.087" Thk x 0.644" ID, -908, Cl 6, 90 Duro

1шт.

40

238-5014

O-RING,0.07" Thk x 0.489" ID, -14, Cl 5, 75 Duro

1шт.

41

238-5013

O-RING,0.07" Thk x 0.426" ID, -13, Cl 5, 75 Duro

1шт.

42

141286A1

CAP

1-1/4 in

1шт.

43

28747R1

PIPE,Nipple, 1 1/4" NPT x 7"

1-1/4 x 7

1шт.

Выбрано товаров: 45