Запчасти Case IH CX100 (09-36) - HEATER AND AIR CONDITIONING (09) - CHASSIS/ATTACHMENTS

Схема запчастей Case IH CX100 - (09-36) - HEATER AND AIR CONDITIONING (09) - CHASSIS/ATTACHMENTS
22
21
29
1
6
9
15
2
12
4
31
20
9
14
32
18
25
28
27
8
26
23
11
10
17
6
24
19
16
5
9
13
7
24
5
30
3
25
9
FIT
1:1
100%

Артикул

Название

Примечание

Количество

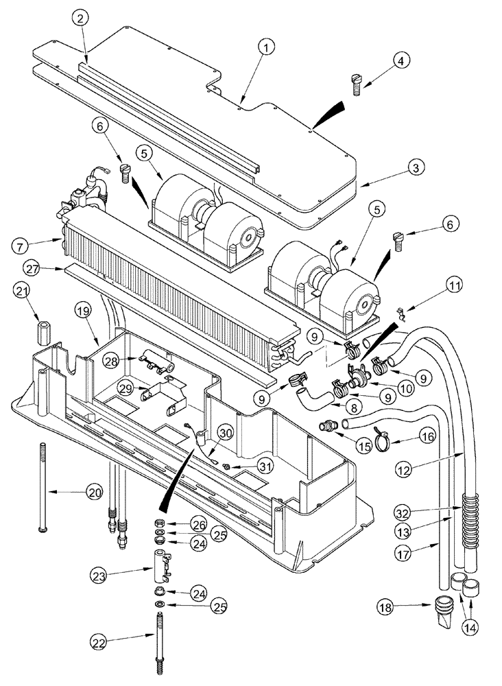
1

181063A3

COVER

1шт.

2

236759A2

WINDGUARD,927.1mm L

1шт.

3

222494A2

GASKET,3.2mm Thk

1шт.

4

840-2410

SCREW,Pozidrive, Pan HD, M4 x 10mm, Cl 4.8

4.8

13шт.

5

178454A2

BLOWER ASSY.

2шт.

178454A2R

REMAN-BLOWER

CX70, CX80, CX90, CX100 ALL (1/98-)

2шт.

178454A2C

CORE-BLOWER

Return Number

1шт.

6

758-1

SELF-TAP SCREW,Pan Hd, M4.2 x 16

12шт.

7

251389A1

RADIATOR

1шт.

8

181072A1

HOSE,15.50 mm ID

1шт.

9

1954736C1

HOSE CLAMP,#24

4шт.

10

1331087C1

HEATER VALVE

1шт.

11

1954626C1

SPRING CLIP

1шт.

12

181071A1

LARGE HOSE,15.50 mm ID x 3130.00 mm

HOSE,LARGE Cut from 11 x 97252CX

1шт.

13

1300321C2

HEATER HOSE,15.50 mm ID x 3658.00 mm

Cut From 15 x 97252CX

1шт.

14

353-13

PLUG,Cap, .728" OD

2шт.

15

1250522C3

FITTING

2шт.

16

22-824

CABLE TIE,3/16" x 7 1/4"

CABLE STRAP

3шт.

17

222647A1

HOSE,12.95 mm ID x 2880.00 mm

2880 mm, Cut From 10 x 198091C1

2шт.

18

109239C2

CHECK VALVE

2шт.

19

181061A4

CASE

1шт.

20

222384A2

CARRIAGE BOLT

M8 x 235

2шт.

21

131-889

PUSH-ON NUT,5/16", Push-on

1/8 in

2шт.

22

236817A1

STUD

1шт.

23

177235A1

RESISTOR

1шт.

24

895-15006

WASHER,6.6mm ID x 25mm OD x 1.6mm Thk

1шт.

25

892-11006

LOCK WASHER,M6

1шт.

26

829-1406

NUT,Hex, M6 x 1, Cl 10.9

1шт.

27

255538A1

GASKET

1шт.

248-21110

GROMMET,1" ID x 1 3/8" Groove Dia

1 in, Not Illustrated

1шт.

359671A1

RESISTOR

Includes 28,29

1шт.

28

359504A1

RESISTOR

If So Equipped

1шт.

29

359669A1

HOLDER

If So Equipped

1шт.

30

236864A2

HARNESS,500mm L

1шт.

356593A1

REPAIR KIT

Includes 31

1шт.

31

355956A1

DIODE

1шт.

32

294170A1

SPRING

2шт.

97252CX

HOSE

15240 mm, Bulk Length

1шт.

198091C1

HOSE,12.95mm ID x 15240mm L

15240 mm, Bulk Length

1шт.

Выбрано товаров: 39