Запчасти Case IH CX100 (02-33) - VALVE MECHANISM (02) - ENGINE

Схема запчастей Case IH CX100 - (02-33) - VALVE MECHANISM (02) - ENGINE
5
7
11
5
5
10
12
2
16
19
16
14
7
10
5
11
11
15
10
12
17
8
6
7
22
10
13
7
18
8
9
4
21
1
20
13
11
8
3
8
FIT
1:1
100%

Артикул

Название

Примечание

Количество

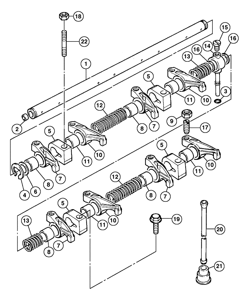
293203A1

SHAFT ASSY.

Consists Of 1 - 17

1шт.

293204A1

SHAFT ASSY.

Includes 1,2

1шт.

1

NSS

NOT SOLD SEPARAT

Shaft

1шт.

2

F62333

PLUG

2шт.

3

F62413

SEAL

1шт.

4

100-3387

SNAP RING,#87, .668" Dia, E-Type

2шт.

5

218234A1

SUPPORT

4шт.

6

293128A1

WASHER

2шт.

293172A1

LEVER

Consists Of 7,8

4шт.

7

NSS

NOT SOLD SEPARAT

Lever

1шт.

8

292993A1

BUSHING

1шт.

9

F62320

NUT

8шт.

293173A1

LEVER

Consists Of 10,11

4шт.

10

NSS

NOT SOLD SEPARAT

Lever

1шт.

11

292993A1

BUSHING

1шт.

12

F62469

SPRING

2шт.

13

F62468

SPRING

2шт.

14

218240A1

FITTING

14шт.

15

218241A1

SCREW

1шт.

16

218242A1

BLOCK

2шт.

17

370923A1

ADJUSTMENT SCREW

8шт.

18

217977A1

NUT

M12

3шт.

19

218249A1

SCREW

1шт.

20

795728R1

ROD

8шт.

21

291962A1

TAPPET

8шт.

22

218248A1

STUD

3шт.

Выбрано товаров: 26