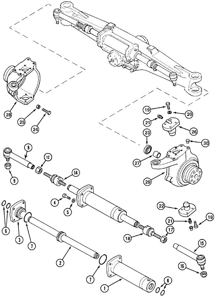
Запчасти Case IH CX50 (05-11) - STEERING CYLINDER (05) - STEERING

Схема запчастей Case IH CX50 - (05-11) - STEERING CYLINDER (05) - STEERING
14
6
3
9
4
19
27
16
26
23
30
5
12
19
8
29
21
28
20
1
7
24
17
15
18
21
22
7
6
25
2
FIT
1:1
100%

Артикул

Название

Примечание

Количество

1537617C1

STEERING CYLINDER

Consists Of 1 - 7

1шт.

1537617C1R

REMAN-HYD CYLINDER

CX50, CX60, Both CASE IH CX-SERIES DIESEL TRACTOR (1/98-)

1шт.

1537617C1C

CORE-HYD CYLINDER

Return Number

1шт.

1

NSS

NOT SOLD SEPARAT

Cylinder

1шт.

2

NSS

NOT SOLD SEPARAT

Rod

1шт.

3

1537616C1

WHEEL CYLINDER

Cylinder

1шт.

4

114296A1

BOLT

M12 x 45

4шт.

5

892-11012

LOCK WASHER,M12

4шт.

1537615C1

SEAL KIT

Includes 6,7

1шт.

6

NSS

NOT SOLD SEPARAT

O-Ring

4шт.

7

NSS

NOT SOLD SEPARAT

Seal

4шт.

1537620C2

STEERING ARM

Consists Of 8 - 14

1шт.

8

137047A1

BALL JOINT

1шт.

9

905839R1

LOCK NUT,M18 x 1.5, Thin

M18

1шт.

12

934727R1

THIN NUT,Thin, M18 x 1.5, Cl 04

1шт.

14

1966125C1

BALL JOINT

1шт.

1537620C2

STEERING ARM

Consists Of 15 - 18

1шт.

15

137048A1

BALL JOINT

1шт.

16

905839R1

LOCK NUT,M18 x 1.5, Thin

M18

1шт.

17

934727R1

THIN NUT,Thin, M18 x 1.5, Cl 04

1шт.

18

1966125C1

BALL JOINT

1шт.

19

100533A1

BOLT,Self-Lock, M12 x 30mm

M12 x 30

16шт.

21

321204

LUBE NIPPLE,M6 x 1.0 x 16mm OAL

4шт.

22

122264A1

PIN

2шт.

23

100529A1

OIL SEAL,45mm ID x 65mm OD x 12mm Thk

Serial No. - JJE1006187

2шт.

23

311564A1

OIL SEAL

Serial No. JJE1006188 -

2шт.

24

1537664C1

BOLT,M16 x 100mm

M16 x 100

2шт.

25

85805986

NUT,M16

2шт.

26

122265A1

PIN,35mm / 45mm OD x 45.5mm L

2шт.

27

100532A1

BUSHING

2шт.

28

311568A1

HOUSING,4 Holes (King Pin Fixing), 8 Holes (Hub Side), 60mm ID (Seal Ring Seat)

Order Also 311569A1

1шт.

29

311567A1

HOUSING

Order Also 311569A1

1шт.

30

324134A1

PLUG

14.6 x 9.5 mm

8шт.

30

247518A1

PLUG

14.5 mm, If Used

1шт.

Выбрано товаров: 0