Запчасти Case IH CX50 (02-19) - MANIFOLDS (02) - ENGINE

Схема запчастей Case IH CX50 - (02-19) - MANIFOLDS (02) - ENGINE
2
6
4
5
7
3
9
8
1
FIT
1:1
100%

Артикул

Название

Примечание

Количество

CX50

1шт.

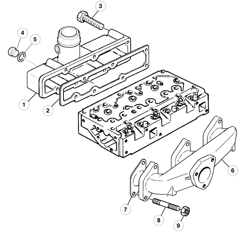
1

295507A1

MANIFOLD

Intake

1шт.

2

296218A1

GASKET

1шт.

3

218069A1

SCREW

6шт.

4

3136229R1

PLUG,7/8" - 14

1шт.

5

E110758

WASHER

1шт.

6

295508A1

MANIFOLD

Exhaust

1шт.

7

296223A1

GASKET

3шт.

8

217945A1

STUD

6шт.

9

285504A1

NUT

6шт.

Выбрано товаров: 10