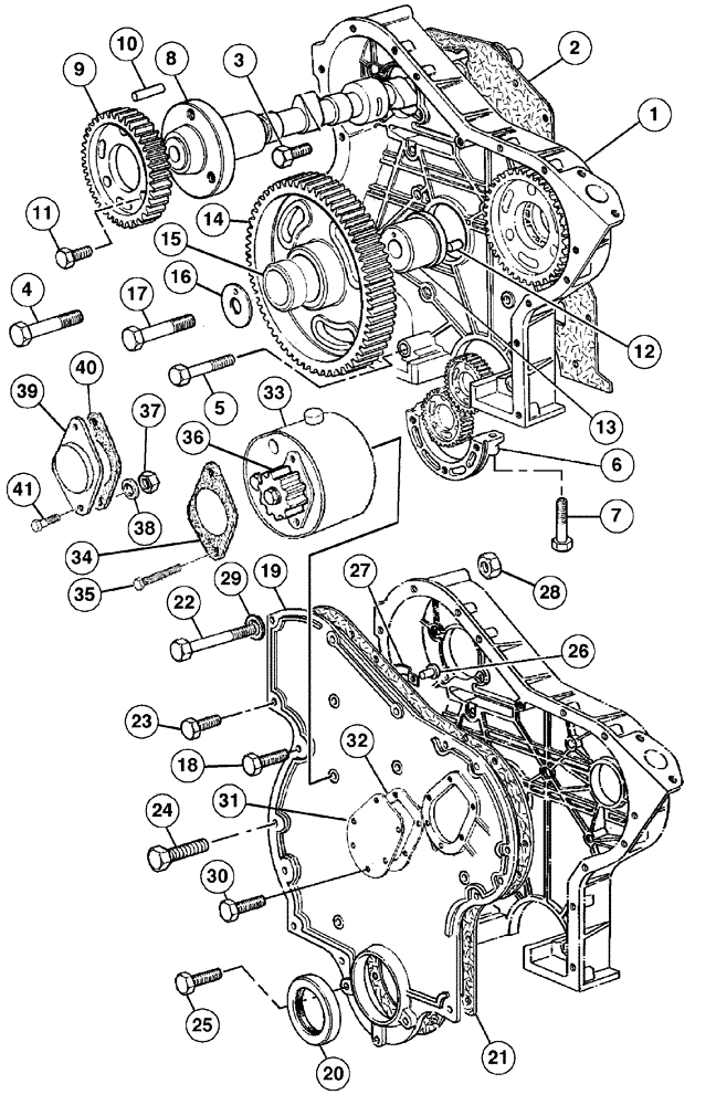
Запчасти Case IH CX50 (02-26) - CYLINDER BLOCK FRONT COVER (02) - ENGINE

Схема запчастей Case IH CX50 - (02-26) - CYLINDER BLOCK FRONT COVER (02) - ENGINE
12
31
29
14
27
33
4
13
35
20
32
18
39
3
25
2
10
22
17
34
1
41
26
6
30
37
40
24
28
8
11
19
7
15
9
23
16
5
38
21
36
FIT
1:1
100%

Артикул

Название

Примечание

Количество

1

296534A1

HOUSING

Serial No. - U323860C, CX50

1шт.

1

295843A1

HOUSING

1шт.

2

296215A1

GASKET

1шт.

3

296134A1

SCREW

3шт.

4

217842A1

SCREW

M8 x 45

2шт.

5

844-8020

BOLT,Hvy Hex, M8 x 20mm, Cl 8.8

9шт.

6

296227A1

COVER

1шт.

7

844-8035

BOLT,Hvy Hex, M8 x 35mm, Cl 8.8

2шт.

8

296158A1

CAMSHAFT

CX50

1шт.

8

295856A1

CAMSHAFT

CX60

1шт.

9

296155A1

PINION

1шт.

10

218366A1

DOWEL

1шт.

11

844-8020

BOLT,Hvy Hex, M8 x 20mm, Cl 8.8

3шт.

12

37-138

DOWEL,3/16" x 1/2"

3/16 x 1/2

1шт.

13

296086A1

PULLEY

1шт.

14

296235A1

PINION

Includes 15

1шт.

15

296140A1

PUMP, ENGINE OIL

1шт.

16

296178A1

LARGE PLATE

PLATE, LARGE

1шт.

17

296092A1

SCREW

1шт.

18

844-8020

BOLT,Hvy Hex, M8 x 20mm, Cl 8.8

2шт.

19

296226A1

COVER

1шт.

20

295810A1

SEAL

1шт.

21

295838A1

GASKET

1шт.

22

218038A1

SCREW

1шт.

23

218001A1

SCREW

9шт.

24

218279A1

SCREW

2шт.

25

218363A1

SCREW

3шт.

26

365408A1

RIVET

1шт.

27

296213A1

SPRING

1шт.

28

218703A1

NUT

1шт.

29

E115051

WASHER

1шт.

30

304821A1

SCREW

6шт.

31

295835A1

LARGE PLATE

PLATE, LARGE

1шт.

32

295840A1

GASKET

1шт.

33

296140A1

PUMP, ENGINE OIL

Engine No. - U302604A

1шт.

34

295869A1

SEAL

Engine No. - U302604A

1шт.

35

296089A1

SCREW

Engine No. - U302604A

2шт.

36

296153A1

PINION

Engine No. - U302604A

1шт.

37

825-1410

NUT,M10, Cl 8

2шт.

38

219757A1

WASHER

2шт.

39

296229A1

LARGE PLATE

PLATE, LARGE

1шт.

40

296219A1

GASKET

1шт.

41

296132A1

SCREW

1шт.

Выбрано товаров: 43