Запчасти Case IH CX60 (06-25) - REAR AXLE, CARRIER AND CONNECTIONS (06) - POWER TRAIN

Схема запчастей Case IH CX60 - (06-25) - REAR AXLE, CARRIER AND CONNECTIONS (06) - POWER TRAIN
16
7
3
4
25
31
29
13
20
22
23
21
24
14
30
10
27
9
12
11
2
19
21
26
17
18
28
5
22
1
6
FIT
1:1
100%

Артикул

Название

Примечание

Количество

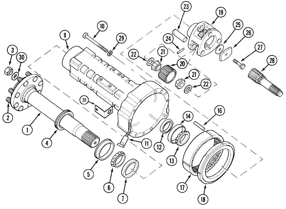
1

404340R22

HALF SHAFT

Includes 2

2шт.

2

404341R4

STUD,5/8" - 18 x 55mm, Full Thd

8шт.

3

429-1110

NUT,5/8"-18, G8

16шт.

4

105470C1

OIL SEAL

Outer

2шт.

5

399754R1

SLEEVE

2шт.

6

102161H

BEARING ASSY,68.262mm ID x 21.996mm

2шт.

7

29214H

BEARING CUP,110mm OD x 18.82mm W

4-5/16 OD, Outer

2шт.

9

119690A1

AXLE CARRIER

Left

1шт.

9

119691A1

AXLE CARRIER

Right

1шт.

10

326-1068

BOLT,Hex, 5/8" - 11 x 4-1/4", Gr 8

22шт.

11

B17555

LOCTITE

50 ml

1шт.

12

380200R92

OIL SEAL

Inner

2шт.

13

ST2194

BEARING, CONE

2шт.

14

29214H

BEARING CUP,110mm OD x 18.82mm W

4-5/16 OD

2шт.

16

529685R1

DOWEL

63 mm

6шт.

17

535316R1

GEAR, RING

RING, GEAR , 66 T

2шт.

18

114620C1

RING,260mm OD

2шт.

19

404339R3

PINION CARRIER

GEAR CARRIER

2шт.

20

399784R2

PINION

6шт.

21

618023R91

BEARING ASSY,34.93mm ID x 18.2mm W

1-3/8 ID

12шт.

65420C1

SHIM KIT

Consists Of 22

1шт.

22

NSS

NOT SOLD SEPARAT

Shim

1шт.

22

NSS

NOT SOLD SEPARAT

Shim

1шт.

22

NSS

NOT SOLD SEPARAT

Shim

1шт.

23

399788R1

PIN

6шт.

24

38-32018

PIN,5/16" x 1 1/8", Coiled

6шт.

25

399749R1

SHIM,17mm ID x 55.9mm OD x 0.18mm Thk

0.007 in

1шт.

25

399750R1

SHIM,17mm ID x 55.9mm OD x 0.31mm Thk

0.012 in

1шт.

25

399751R1

SHIM,17mm ID x 55.9mm OD x 0.76mm Thk

0.0299 in

1шт.

26

399748R1

SPACER

2шт.

27

25331R1

BOLT,Hex, 5/8" - 18 x 1 1/2", Gr 8

5/8 x 1-1/2; 8

2шт.

28

404338R1

SHAFT

Right

1шт.

28

404337R1

SHAFT

Left

1шт.

29

396-11066

WASHER,0.66" ID x 1.31" OD x 0.1" Thk

21/32 x 1-5/16 x 3/32

22шт.

30

396-11066

WASHER,0.66" ID x 1.31" OD x 0.1" Thk

21/32 x 1-5/16 x 3/32

16шт.

31

107483C2

SUPPORT

2шт.

Выбрано товаров: 36