Запчасти Case IH CX60 (09-36) - HEATER INSTALLATION (09) - CHASSIS/ATTACHMENTS

Схема запчастей Case IH CX60 - (09-36) - HEATER INSTALLATION (09) - CHASSIS/ATTACHMENTS
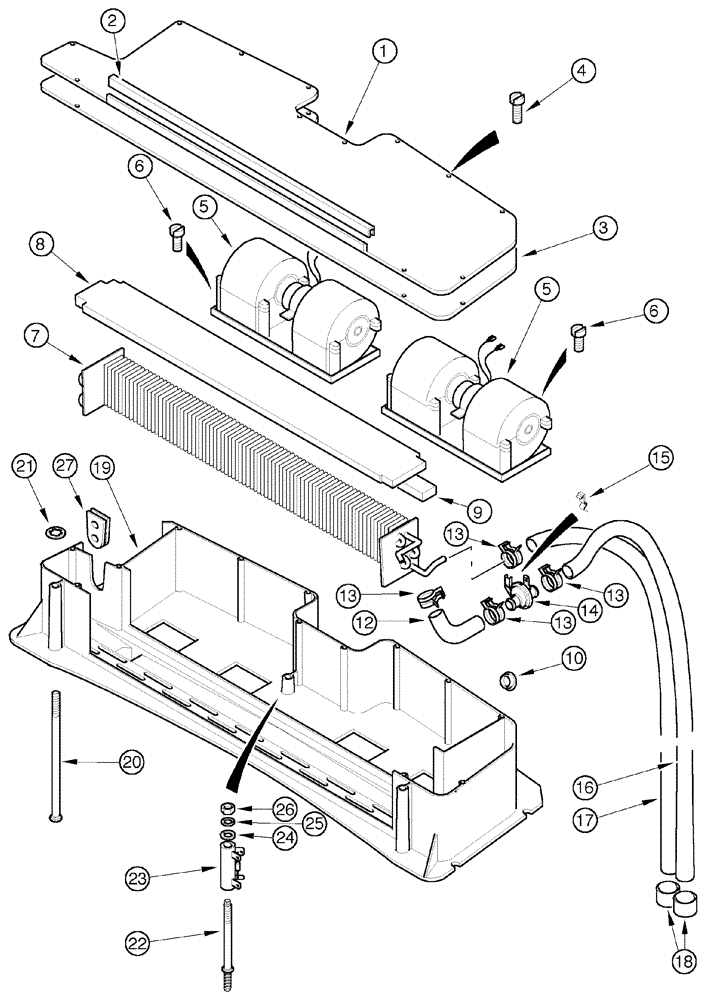
22
5
21
10
25
12
6
8
23
13
27
3
2
13
6
14
13
16
24
7
19
4
13
15
20
17
9
26
5
1
18
FIT
1:1
100%

Артикул

Название

Примечание

Количество

222386A2

COVER ASSY

Consists Of 1,2,3

1шт.

1

181063A3

COVER

1шт.

2

236759A2

WINDGUARD,927.1mm L

1шт.

3

222494A2

GASKET,3.2mm Thk

1шт.

4

840-2410

SCREW,Pozidrive, Pan HD, M4 x 10mm, Cl 4.8

4.8

13шт.

5

178454A2

BLOWER ASSY.

2шт.

178454A2R

REMAN-BLOWER

CX50, CX60 BOTH (1/98-)

2шт.

178454A2C

CORE-BLOWER

Return Number

1шт.

6

758-1

SELF-TAP SCREW,Pan Hd, M4.2 x 16

12шт.

7

194031A1

RADIATOR, HEATER

1шт.

8

222385A2

SEAL

1шт.

9

255538A1

GASKET

1шт.

10

353-407

PLUG,Dome, .687" hole, Nylon

2шт.

12

181072A1

HOSE,15.50 mm ID

1шт.

13

1954736C1

HOSE CLAMP,#24

4шт.

14

1331087C1

HEATER VALVE

1шт.

15

1954626C1

SPRING CLIP

1шт.

16

181071A1

LARGE HOSE,15.50 mm ID x 3130.00 mm

HOSE,LARGE Cut from 11 x 97252CX

1шт.

17

1300321C2

HEATER HOSE,15.50 mm ID x 3658.00 mm

Cut From 15 x 97252CX

1шт.

18

353-13

PLUG,Cap, .728" OD

2шт.

19

181061A4

CASE

1шт.

20

222384A2

CARRIAGE BOLT

M8 x 235

2шт.

21

131-889

PUSH-ON NUT,5/16", Push-on

1/8 in

2шт.

22

236817A1

STUD

1шт.

23

177235A1

RESISTOR

1шт.

24

895-15006

WASHER,6.6mm ID x 25mm OD x 1.6mm Thk

1шт.

25

892-11006

LOCK WASHER,M6

1шт.

26

829-1406

NUT,Hex, M6 x 1, Cl 10.9

1шт.

27

Grommet, Not Used

1шт.

Выбрано товаров: 29