Запчасти Case IH CX60 (02-17) - WATER PUMP SYSTEM (02) - ENGINE

Схема запчастей Case IH CX60 - (02-17) - WATER PUMP SYSTEM (02) - ENGINE
11
14
16
2
17
14
13
35
38
8
4
18
22
21
1
32
30
3
6
19
34
37
26
10
36
39
33
9
23
20
5
24
28
16
16
12
33
31
7
16
19
25
29
FIT
1:1
100%

Артикул

Название

Примечание

Количество

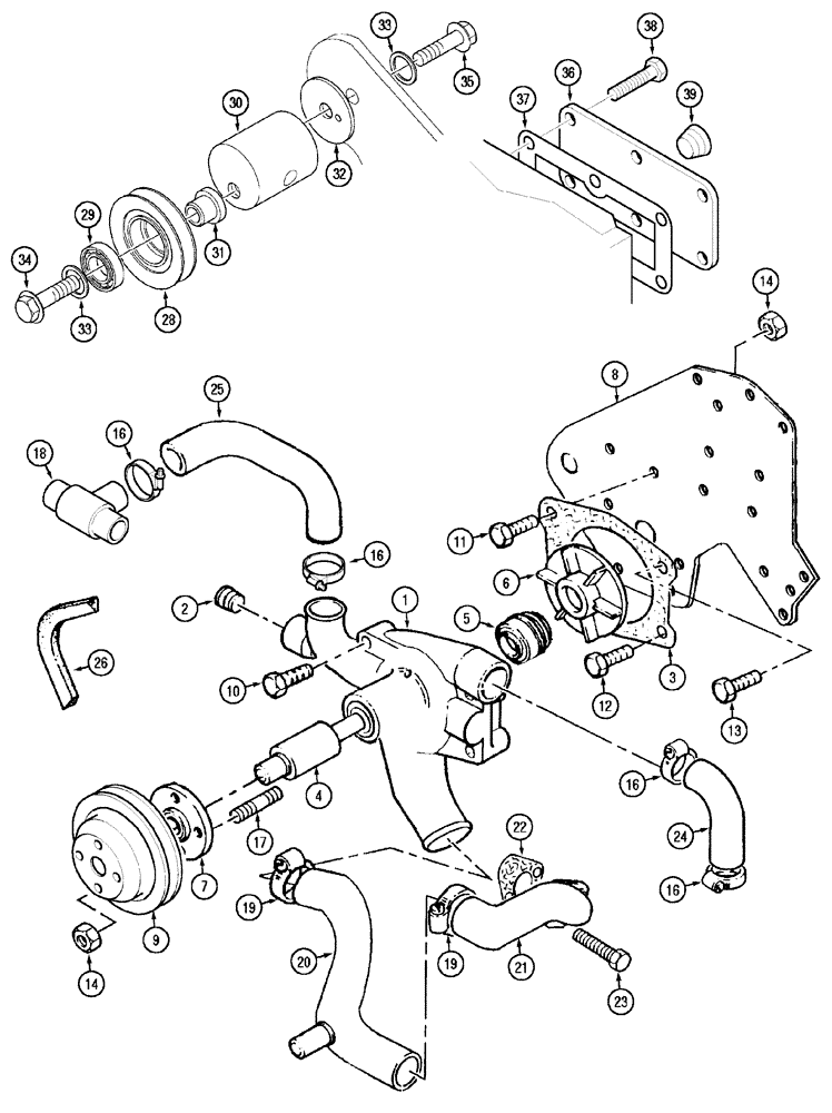
1

365375A1

PUMP, WATER

Includes 2 - 6

1шт.

365376A1

PACKAGE, REPAIR

Includes 2 - 6

1шт.

2

217811A1

PLUG

1шт.

3

296222A1

GASKET

1шт.

4

NSS

NOT SOLD SEPARAT

Shaft

1шт.

5

NSS

NOT SOLD SEPARAT

Seal

1шт.

6

NSS

NOT SOLD SEPARAT

Impeller

1шт.

7

NSS

NOT SOLD SEPARAT

Hub

1шт.

8

295867A1

LARGE PLATE

PLATE, LARGE , Engine No. - U324041D

1шт.

8

334967A1

LARGE PLATE

PLATE, LARGE , Engine No. U324042D -

1шт.

9

295815A1

PULLEY

1шт.

10

217842A1

SCREW

M8 x 45, Engine No. - U324041D

4шт.

10

281653A1

SCREW

Engine No. U324042D -

4шт.

11

218363A1

SCREW

Engine No. - U324041D

3шт.

11

218021A1

SCREW

Engine No. U324042D -

3шт.

12

295808A1

SCREW

Engine No. - U324041D

1шт.

12

308765A1

SCREW

Engine No. U324042D -

1шт.

13

218391A1

SCREW

3шт.

14

825-2408

FLANGE NUT,M8 x 1.25, Flg, Cl 8

6шт.

16

295958A1

CLIP,ELECTRICAL

3шт.

17

Stud

4шт.

18

353819A1

HYD CONNECTOR

Thermostat

1шт.

19

293003A1

CLAMP

CX50(3), CX60(2)

1шт.

20

353577A1

HOSE

CX50

1шт.

20

295865A1

HOSE

CX60

1шт.

21

296231A1

FITTING

1шт.

22

296221A1

GASKET

1шт.

23

218021A1

SCREW

2шт.

24

295863A1

HOSE,3.50"

1шт.

25

295864A1

HOSE

1шт.

26

218509A1

BELT

Fan

1шт.

295849A1

TIGHTENER SHEAVE

Consists Of 28,29

1шт.

28

NSS

NOT SOLD SEPARAT

Pulley

1шт.

29

295812A1

BALL BEARING

1шт.

30

295860A1

ADJUSTER

Engine No. - U324041D

1шт.

30

308759A1

ADJUSTER

Engine No. U324042D -

1шт.

31

295861A1

CLAMP

1шт.

32

295820A1

WASHER

1шт.

33

295804A1

WASHER

2шт.

34

296133A1

BOLT

1шт.

35

844-12035

BOLT,Hvy Hex, M12 x 35mm, Cl 8.8

Engine No. - U324041D

1шт.

35

296133A1

BOLT

Engine No. U324042D -

1шт.

36

296230A1

COVER

1шт.

37

295839A1

GASKET

1шт.

38

844-8016

BOLT,Hex, M8 x 16mm, Cl 8.8

5шт.

39

217-439

PLUG,Hex Soc, 1/2" - 14 NPTF

1шт.

Выбрано товаров: 46