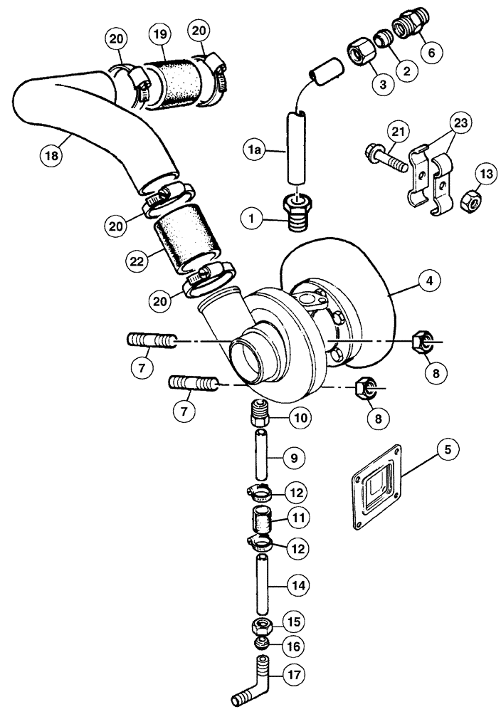
Запчасти Case IH CX60 (02-23) - TURBOCHARGER AND CONNECTIONS (02) - ENGINE

Схема запчастей Case IH CX60 - (02-23) - TURBOCHARGER AND CONNECTIONS (02) - ENGINE
20
7
8
2
9
3
19
20
14
20
1
20
5
23
16
18
13
15
7
1a
12
11
12
8
4
6
21
10
17
22
FIT
1:1
100%

Артикул

Название

Примечание

Количество

CX60

1шт.

329576A1

PIPE

Consists Of 1,1A,2,3

1шт.

1b

NSS

NOT SOLD SEPARAT

Pipe

1шт.

1

218176A1

FITTING

Not Illustrated

1шт.

2

218178A1

OIL SEAL

1шт.

3

218177A1

NUT

1шт.

4

295813A1

TURBOCHARGER

See Page(s) 2-51

1шт.

5

295870A1

GASKET

1шт.

6

218179A1

FITTING

1шт.

7

295962A1

STUD

2шт.

8

285504A1

NUT

3шт.

9

304823A1

TUBE

Includes 10

1шт.

10

NSS

NOT SOLD SEPARAT

Nut

1шт.

11

295829A1

HOSE

If So Equipped

1шт.

12

218025A1

CLAMP

If So Equipped

2шт.

13

825-2405

FLANGE NUT,M5 x .8, Flg, Cl 8

1шт.

14

296253A1

TUBE

If So Equipped

1шт.

15

884514R1

NUT

1шт.

16

884513R1

OLIVE

1шт.

17

218661A1

ELBOW

1шт.

18

295872A1

PIPE

1шт.

19

295828A1

HOSE

1шт.

20

295811A1

CLAMP

4шт.

21

285285A1

SCREW

1шт.

22

295828A1

HOSE

1шт.

23

295803A1

CLIP,ELECTRICAL

2шт.

Выбрано товаров: 26