Запчасти Case IH CX60 (02-25) - CYLINDER HEAD COVER (02) - ENGINE

Схема запчастей Case IH CX60 - (02-25) - CYLINDER HEAD COVER (02) - ENGINE
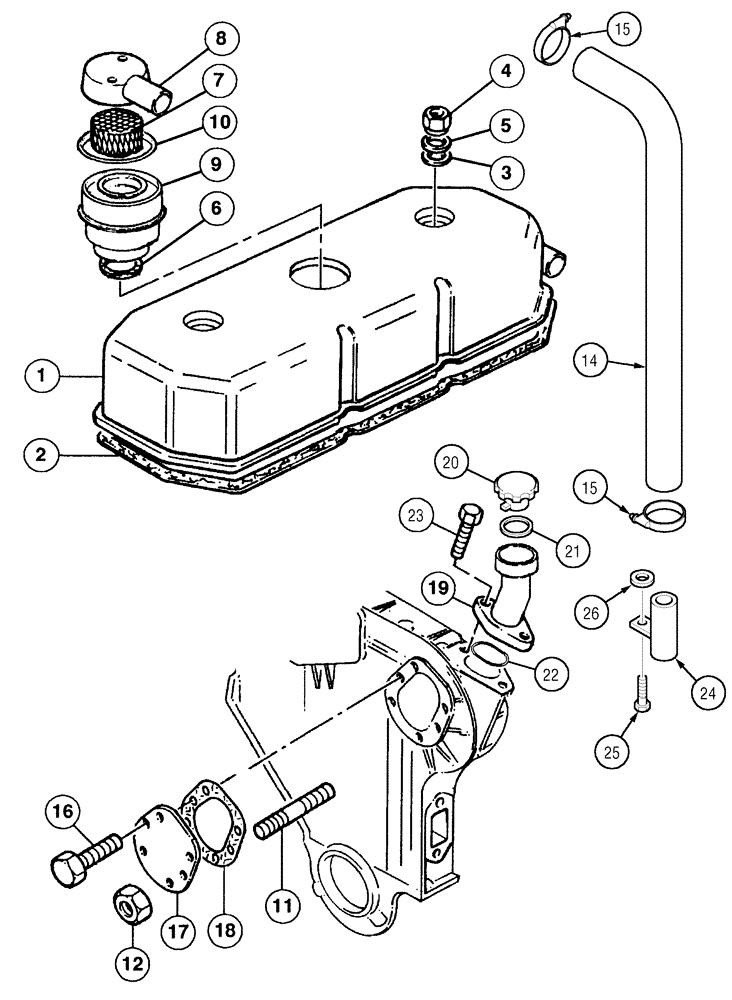
15
18
11
20
24
21
22
1
12
2
23
16
17
6
19
5
25
7
15
4
8
26
14
10
9
3
FIT
1:1
100%

Артикул

Название

Примечание

Количество

295853A1

COVER

Consists Of 1,2

1шт.

1

NSS

NOT SOLD SEPARAT

Cover

1шт.

2

296216A1

GASKET

1шт.

3

281629A1

OIL SEAL

2шт.

4

296182A1

NUT

2шт.

5

3115512R1

WASHER

2шт.

372004A1

BREATHER

Consists Of 6 - 10

1шт.

6

281623A1

O-RING

1шт.

7

372006A1

SEPARATOR

1шт.

8

NSS

NOT SOLD SEPARAT

Cover

1шт.

9

NSS

NOT SOLD SEPARAT

Breather

1шт.

10

328365A1

SEALING RING

1шт.

11

304893A1

BOLT

3шт.

12

825-2406

FLANGE NUT,M6 x 1, Cl 8.8

3шт.

14

281625A1

HOSE

1шт.

15

218025A1

CLAMP

2шт.

16

304821A1

SCREW

3шт.

17

295835A1

LARGE PLATE

PLATE, LARGE

1шт.

18

295840A1

GASKET

1шт.

298687A1

TUBE

Consists Of 19 - 22

1шт.

19

NSS

NOT SOLD SEPARAT

Filler

1шт.

20

NSS

NOT SOLD SEPARAT

Cap

1шт.

298689A1

PLUG

Includes 20,21

1шт.

21

299436A1

GASKET

1шт.

22

318888A1

GASKET

1шт.

23

218363A1

SCREW

2шт.

24

281626A1

PIPE

1шт.

25

296131A1

SCREW

1шт.

26

329056A1

SPACER

1шт.

Выбрано товаров: 29