Запчасти Case IH CX60 (02-35) - OIL PUMP (02) - ENGINE

Схема запчастей Case IH CX60 - (02-35) - OIL PUMP (02) - ENGINE
12
7
11
9
1
10
5
3
13
8
4
9
7
6
2
FIT
1:1
100%

Артикул

Название

Примечание

Количество

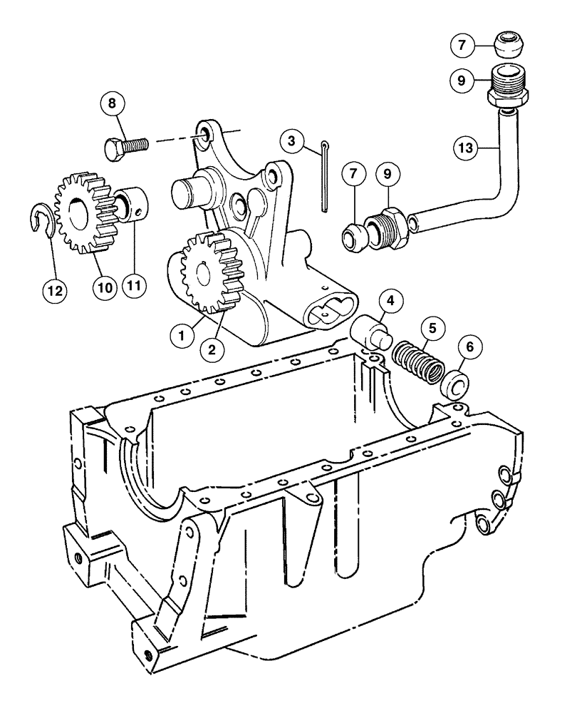
296240A1

PUMP, ENGINE OIL

Consists Of 1 - 6

1шт.

1

NSS

NOT SOLD SEPARAT

Body

1шт.

2

NSS

NOT SOLD SEPARAT

Gear

1шт.

3

432-820

COTTER PIN,1/8" x 1 1/4"

1шт.

4

3118208R1

PLUNGER

1шт.

5

3118209R1

SPRING

1шт.

6

3118210R1

CAP

1шт.

7

331252A1

OLIVE

2шт.

8

296134A1

SCREW

3шт.

9

F62717

NUT

2шт.

10

296234A1

PINION

Includes 11

1шт.

11

296079A1

BUSHING

1шт.

12

296128A1

CLIP,ELECTRICAL

1шт.

13

296203A1

TUBE

1шт.

Выбрано товаров: 14