Запчасти Case IH CX60 (03-01) - FUEL LINES (03) - FUEL SYSTEM

Схема запчастей Case IH CX60 - (03-01) - FUEL LINES (03) - FUEL SYSTEM
23
28
4
17
4
3
8
26
11
27
16
19
9
10
2
22
1
4
14
24
12
18
7
11
6
20
13
5
21
14
8
15
25
FIT
1:1
100%

Артикул

Название

Примечание

Количество

CX50

1шт.

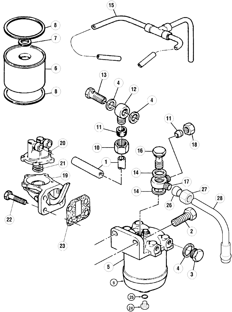
1

296239A1

TUBE

1шт.

2

844-8030

BOLT,Hex, M8 x 1.25 x 30mm, Cl 8.8

1шт.

3

3118391R1

PLUG

2шт.

4

796109R1

SEALING WASHER

4шт.

5

314000A1

HEAD

Fuel Filter

1шт.

218577A1

FILTER, FUEL

Consists Of 6,7,8

1шт.

6

NSS

NOT SOLD SEPARAT

Element

1шт.

7

E115238

SEAL

If So Equipped

1шт.

8

218120A1

O-RING

2шт.

9

218596A1

BOWL

1шт.

10

3118250R1

NUT

2шт.

11

218178A1

OIL SEAL

2шт.

12

218205A1

FITTING

1шт.

13

218206A1

JACK SCREW

1шт.

14

795863R1

WASHER

2шт.

15

295801A1

PIPE

1шт.

16

218602A1

BANJO BOLT

1шт.

17

296494A1

CONNECTING STRAP

1шт.

18

218177A1

NUT

1шт.

296265A1

FEED PUMP

Lift, Consists Of 19,20,21,23

1шт.

295880A1

FEED PUMP

Kit, Repair

1шт.

19

NSS

NOT SOLD SEPARAT

Body

1шт.

20

NSS

NOT SOLD SEPARAT

Cover

1шт.

21

NSS

NOT SOLD SEPARAT

Spring

1шт.

22

218279A1

SCREW

4шт.

23

218790A1

GASKET

1шт.

218125A1

PLUG

Consists Of 24,25

1шт.

24

NSS

NOT SOLD SEPARAT

O-Ring

1шт.

25

NSS

NOT SOLD SEPARAT

Plug

1шт.

26

222-652

SLEEVE,1/4" Tube, Comp

1/4 in

1шт.

27

222-662

TUBE NUT,7/16"-24, 45 Degree Fl, Comp

1/4 in

1шт.

28

243322A2

PIPE

1шт.

Выбрано товаров: 0