Запчасти Case IH CX80 (09-73) - TRAILER HITCH - AUTOMATIC (09) - CHASSIS/ATTACHMENTS

Схема запчастей Case IH CX80 - (09-73) - TRAILER HITCH - AUTOMATIC (09) - CHASSIS/ATTACHMENTS
12
4
10
5
6
15
6
16
11
7
6
5
3
17
5
2
14
8
4
1
13
9
FIT
1:1
100%

Артикул

Название

Примечание

Количество

121702A1

HITCH ASSY

Version With Shiftable PTO, Includes 1,7,8,9,11

1шт.

121703A1

HITCH ASSY

Version Without Shiftable P.T.O., Includes 1A,7,8,9,11

1шт.

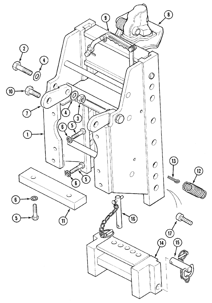
1

121704A1

FRAME, HITCH

Includes 17

1шт.

1b

125793A1

FRAME, HITCH

Includes 17

1шт.

2

426-1236

BOLT,Hex, 3/4" - 10 x 2-1/4", Gr 8

3/4 x 2-1/4; 8

2шт.

3

429-1012

NUT,3/4"-10, G8

2шт.

4

496-11081

WASHER,13/16" x 1 1/2" x .134", HDN

4шт.

5

426-1028

BOLT,Hex, 5/8" - 11 x 1-3/4", Gr 8

8шт.

6

396-31066

WASHER,21/32" x 1 5/16" x .188", HDN

21/32 x 1-5/16 x 3/16

8шт.

7

125706A2

LARGE PLATE

PLATE, LARGE

2шт.

8

141011A1

TRAILER HITCH

See Page(s) 9-191

1шт.

9

141015A1

HANDLE

See Page(s) 9-203

1шт.

10

426-1224

BOLT,Hex, 3/4" - 10 x 1-1/2", Gr 8

3/4 x 1-1/2; 8

2шт.

11

139333A1

BAR

1шт.

12

1332053C2

SPRING

1шт.

13

432-2028

COTTER PIN,5/16" x 1 3/4"

5/16" x 1 3/4"

2шт.

14

125117A2

HITCH BRACKET

1шт.

15

142534A1

PIN

2шт.

16

139129A2

HITCH PIN,19mm OD x 136mm L

2шт.

17

864-10025

HEX SOC SCREW,M10 x 25mm, Cl 8.8

M10 x 25, Socket Head

1шт.

Выбрано товаров: 20