Запчасти Case IH CX90 (08-06) - CONTROL VALVE (08) - HYDRAULICS

Схема запчастей Case IH CX90 - (08-06) - CONTROL VALVE (08) - HYDRAULICS
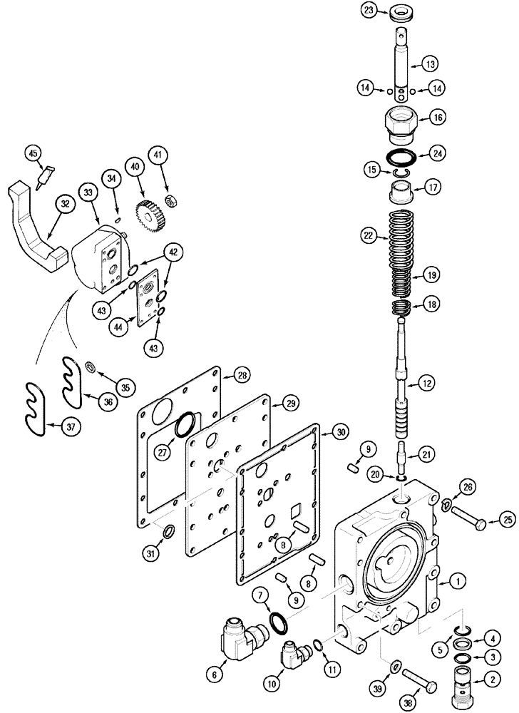
12
11
43
10
16
21
27
25
17
24
29
15
5
2
8
3
26
41
9
13
8
6
39
19
28
38
45
43
32
1
42
23
36
9
37
33
44
7
30
20
35
22
31
34
18
40
4
14
14
FIT
1:1
100%

Артикул

Название

Примечание

Количество

243442A4

VALVE

Consists Of 1 - 24

1шт.

1

NSS

NOT SOLD SEPARAT

Body

1шт.

2

399858R92

VALVE

2500 psi

1шт.

3

238-5118

O-RING,0.103" Thk x 0.862" ID, -118, Cl 5, 75 Duro

1шт.

4

378985R2

BACK-UP RING

1шт.

5

238-6119

O-RING,0.103" Thk x 0.924" ID, -119, Cl 6, 90 Duro

1шт.

6

244932A1

ELBOW

Includes 7

1шт.

7

237-6016

O-RING,0.116" Thk x 1.171" ID, -916, Cl 6, 90 Duro

1шт.

8

37-1516

DOWEL,5/16" x 1"

5/16 x 1

2шт.

9

37-1512

DOWEL,5/16" x 3/4"

5/16 x 3/4

2шт.

10

218-5106

90 ELBOW,90 Degree Elbow, 3/4" - 16 Male JIC x 3/4" - 16 Male ORB

Includes 11

1шт.

11

237-6008

O-RING,0.087" Thk x 0.644" ID, -908, Cl 6, 90 Duro

1шт.

276887A1

PACKAGE

P.T.O., Consists Of 12 - 24

1шт.

12

NSS

NOT SOLD SEPARAT

Spool

1шт.

13

NSS

NOT SOLD SEPARAT

Rod

1шт.

14

511-1040

BALL,4mm Dia

4шт.

15

226804A1

CIRCLIP

1шт.

16

NSS

NOT SOLD SEPARAT

Plug

1шт.

17

NSS

NOT SOLD SEPARAT

Washer

1шт.

18

NSS

NOT SOLD SEPARAT

Spring

1шт.

19

NSS

NOT SOLD SEPARAT

Spring

1шт.

20

NSS

NOT SOLD SEPARAT

Ring, Retaining

1шт.

21

NSS

NOT SOLD SEPARAT

Pin

1шт.

22

NSS

NOT SOLD SEPARAT

Spring

1шт.

23

A63399

OIL SEAL,15.87mm ID x 28.73mm OD x 6.35mm Thk

1шт.

24

237-6014

O-RING,0.116" Thk x 1.048" ID, -914, Cl 6, 90 Duro

1шт.

25

413-544

BOLT,Hex, 5/16" - 18 x 2-3/4", Gr 5

10шт.

26

492-11038

LOCK WASHER,3/8"

10шт.

27

238-5222

O-RING,0.139" Thk x 1.48" ID, -222, Cl 5, 75 Duro

1шт.

28

401736R4

GASKET

1шт.

29

238974A4

PLATE ASSY.

1шт.

30

246488A4

GASKET,0.92mm Thk

1шт.

31

1970904C1

RING,19.51mm ID x 24.84mm OD x 3.54mm Thk

1шт.

32

69352C1

SEAL

1шт.

33

308873A1

HYDRAULIC PUMP,23.2 CC

Includes 34 - 37

1шт.

308873A1R

REMAN-HYD PUMP

CX70, CX80, CX90, CX100

1шт.

308873A1C

CORE-HYDRAULIC PUMP

Return Number

1шт.

33

84573150R

REMAN-HYD PUMP

CX70, CX80, CX90, CX100, All Case IH CX-Series Diesel Tractor (1/98-), Reman for New PN 308873A1

1шт.

33

84573150C

CORE-HYDRAULIC PUMP

Return Number

1шт.

34

126-112

WOODRUFF KEY,#6, 5/32" x 5/8", HT

1шт.

1502030C1

SEAL KIT

Includes 35,36,37

1шт.

35

NSS

NOT SOLD SEPARAT

Seal

1шт.

36

NSS

NOT SOLD SEPARAT

Ring

2шт.

37

NSS

NOT SOLD SEPARAT

Ring

2шт.

38

413-548

BOLT,Hex, 5/16" - 18 x 3", Gr 5

4шт.

39

382331R1

SEALING WASHER,8.33mm ID x 12.7mm OD x 0.79mm Thk

4шт.

40

59369C1

GEAR

540/1000rpm/23T, Trans No. - JKA0411115

1шт.

40

307834A1

PINION

540/1000rpm/23T, Trans No. JKA0411116 -

1шт.

40

244754A1

PINION

750rpm/19T, Trans No. - JKA0411115

1шт.

40

307837A1

PINION

750rpm/19T, Trans No. JKA0411116 -

1шт.

41

131-58

LOCK NUT,1/2"-20, G5

1/2

1шт.

42

238-5121

O-RING,0.103" Thk x 1.049" ID, -121, Cl 5, 75 Duro

2шт.

43

238-6115

O-RING,0.103" Thk x 0.674" ID, -115, Cl 6, 90 Duro

2шт.

44

59370C1

LARGE PLATE

PLATE, LARGE , 5.37 mm

1шт.

44

308994A1

LARGE PLATE

PLATE, LARGE , 4.8 mm, Trans No. JKA0411116 -

1шт.

45

345-188

GLUE

1шт.

Выбрано товаров: 56