Запчасти Case IH CX90 (02-29) - TURBOCHARGER AND CONNECTIONS, CX80, CX90, CX100 (02) - ENGINE

Схема запчастей Case IH CX90 - (02-29) - TURBOCHARGER AND CONNECTIONS, CX80, CX90, CX100 (02) - ENGINE
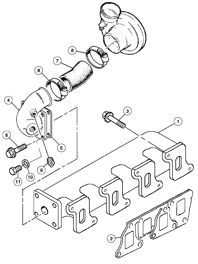
4
11
8
8
10
7
9
6
5
1
2
3
FIT
1:1
100%

Артикул

Название

Примечание

Количество

293765A1

TURBOCHARGER

CX80, See Page(s) 2-63

1шт.

293764A1

TURBOCHARGER

CX90, See Page(s) 2-63

1шт.

293188A1

TURBOCHARGER

CX100, See Page(s) 2-63

1шт.

1

293195A1

MANIFOLD

1шт.

2

293159A1

GASKET

1шт.

3

308753A1

SCREW

1шт.

4

293193A1

ELBOW

1шт.

5

218550A1

GASKET

1шт.

6

844-8025

BOLT,Hvy Hex, M8 x 25mm, Cl 8.8

4шт.

7

336908A1

HOSE

1шт.

8

218770A1

CLAMP

1шт.

9

3118147R1

PLUG

1шт.

10

E110758

WASHER

1шт.

11

3136229R1

PLUG,7/8" - 14

Without Cold Start

1шт.

Выбрано товаров: 14