Запчасти Case IH 1200 (084) - HYDROSTATIC POWER STEERING, OPTIONAL EQUIPMENT Steering & Front Axle

Схема запчастей Case IH 1200 - (084) - HYDROSTATIC POWER STEERING, OPTIONAL EQUIPMENT Steering & Front Axle
28
38
11
5
1
11
26
16
33
2
4
20
35
6
31
23
36
37
19
10
13
9
15
17
40
12
25
27
32
34
8
3
39
22
18
29
7
41
30
24
19
21
14
FIT
1:1
100%

Артикул

Название

Примечание

Количество

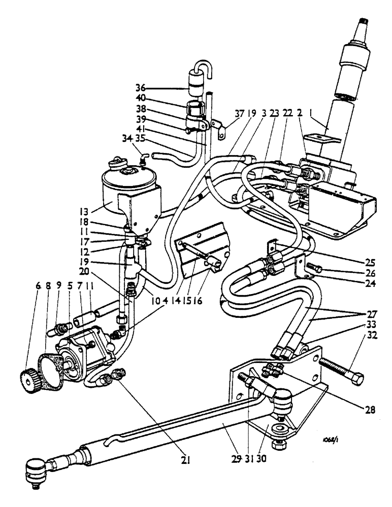
1

K925262

STEERING COLUMN

assembly (see Figure 86)

1шт.

K617750

FITTING

elbow, 3/4 UNF--return port (Orbitrol)

1шт.

2

K626039

FITTING

connector, 3/4 UNF

4шт.

3

K929967

PIPE

steel (replaces 924859)

1шт.

4

K622110

FITTING

elbow, 9/16 UNF

1шт.

5

K918993

PUMP

assembly (see Figure 88)

1шт.

6

K940083

DRIVE

gear, 18 teeth Engine 16472 onward

1шт.

K919659

PINION

gear, 28 teeth Engine, Serial Range: 1001-1647

1шт.

K626380

WASHER

tabwasher

1шт.

425-157

JAM NUT,Jam, 7/16"-20, G5

7/16 UNF

1шт.

7

9635884

BOLT,Hex, 5/16" - 18 1", Full Thd, Gr 5

setscrew, 5/16 UNC x 1 in.

2шт.

K19481

SPRING WASHER

spring washer, 5/16 in.

2шт.

8

K919729

GASKET,0.76mm Thk

1шт.

9

K924262

PIPE

elbow, 7/8 UNF

1шт.

10

K924230

PIPE

steel

1шт.

11

K924391

HOSE

5/8 x 2 1/8 in.

2шт.

12

K14679

HOSE

clip, 9/16 in.

4шт.

13

K928767

RESERVOIR

assembly (see Figure 88) 711988 onward

1шт.

13

K928170

NO LONGER SERVICED

reservoir assembly (see Figure 88), Serial Range: 700001-711987

1шт.

14

K923555

BRACKET

support bracket

1шт.

K607043

NUT

1/4 UNC, Serial Range: reservoir-bracket

3шт.

K19480

SPRING WASHER

spring washer, 1/4 in., Serial Range: reservoir-bracket

3шт.

15

K608299

STUD

3/8 UNC x 3 1/4 in. bracket to cylinder head

2шт.

16

K86372

BUSHING

distance piece bracket to cylinder head

2шт.

K19482

SPRING WASHER

spring washer, 3/8 in. bracket to cylinder head

2шт.

280136

NUT,3/8"-16, G8

Bracket to cylinder head 3/8"-16, G8

2шт.

17

K926992

HOSE

1/2 x 2 1/8 in.

1шт.

18

K14679

HOSE

clip, 9/16 in.

2шт.

19

K929968

steel (replaces 924860)

1шт.

20

K924229

PIPE

steel

1шт.

21

K626028

FITTING

union, 5/8-3/4 UNF

1шт.

K926858

TUBE,0.47" ID x 0.625" OD x 1" L

nylon sleeve--steel pipes

2шт.

22

K924861

PIPE

steel

1шт.

23

K924862

PIPE

steel

1шт.

24

K925374

SUPPORT

pipes to clutch housing

1шт.

25

K924995

PIPE

clamp pipes to clutch housing

1шт.

26

K600004

BOLT

1/4 UNC x 1 1/4 in. pipes to clutch housing

1шт.

K19480

SPRING WASHER

spring washer, 1/4 in. pipes to clutch housing

1шт.

K607000

NUT

1/4 UNC pipes to clutch housing

1шт.

27

K940262

HOSE

pipe, flexible, 3/4 UNF x 26 in. (replaces 763069)

2шт.

28

K626039

FITTING

connector, 3/4 UNF

2шт.

29

K929055

CYLINDER

hydraulic ram assembly (see Figure 86), 715902 onward

1шт.

29

K925302

CYLINDER

hydraulic ram assembly (see Figure 86), Serial Range: 700001-715091

1шт.

30

K925342

BRACKET

anchor bracket

1шт.

31

K603307

SCREW

setscrew, 5/8 UNC x 1 5/8 in. bracket to main frame

2шт.

32

K601218

BOLT

5/8 UNC x 4 1/2 in. bracket to main frame

2шт.

33

K627091

BUSHING

distance piece, 2 1/4 in. bracket, replace 627095 to main frame

1шт.

33

K627094

BUSHING

distance piece, 1/2 in. bracket to, replace 627095 main frame

1шт.

K19485

WASHER

spring washer, 5/8 in. bracket to main frame

4шт.

34

K928171

BREATHER

elbow, 1/2 UNF

2шт.

425-158

JAM NUT,Jam, 1/2"-20, G5

1/2 UNF

2шт.

K15735

WASHER

sealing washer, 1/2 in.

4шт.

35

K940961

BREATHER

plastic tube, 5/16 x 10 1/2 in.

1шт.

36

K940377

SEPARATOR

oil separator 715383 onward

1шт.

37

K929319

SUPPORT

bracket 715383 onward

1шт.

38

K913053

WASHER

clip 715383 onward

1шт.

39

9627874

BOLT,Hex, 5/16" - 18 x 5/8", Gr 5, Full Thd

setscrew, 5/16 UNC x 5/8 in. 715383 onward

1шт.

K19481

SPRING WASHER

spring washer, 5/16 in. 715383 onward

1шт.

9635082

NUT,5/16" - 18, Gr 5

5/16 UNC 715383 onward

1шт.

40

K929320

CLIP

clamping strip 715383 onward

1шт.

41

K929321

BREATHER

plastic tube, 5/16 x 20 in. 715383 onward

1шт.

Выбрано товаров: 61