Запчасти Case IH 1200 (086) - STEERING COLUMN AND RAM, HYDROSTATIC POWER STEERING Steering & Front Axle

Схема запчастей Case IH 1200 - (086) - STEERING COLUMN AND RAM, HYDROSTATIC POWER STEERING Steering & Front Axle
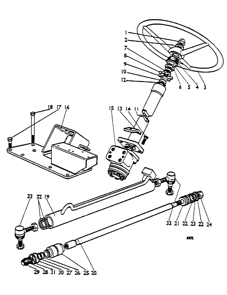
16
30
4
18
33
21
1
33
26
22
29
27
13
25
7
17
23
11
28
19
9
2
5
22
12
15
31
6
32
24
3
10
20
14
8
FIT
1:1
100%

Артикул

Название

Примечание

Количество

1

K905679

NUT

domed nut, 5/8 UNC

1шт.

2

K626671

WASHER

5/8 in., special

1шт.

3

K914001

WHEEL

steering wheel

1шт.

K19608

KEY

Woodruff No. 606

1шт.

4

K923681

SEAL

dirt excluder

1шт.

K925262

STEERING COLUMN

assembly

1шт.

5

K924967

NUT

locknut, special 925262

1шт.

6

K903463

BEARING CONE

adjustable bearing cone 925262

1шт.

7

K903468

O-RING,0.156" Thk x 1.234" ID, 75 Duro

'O' ring, 1 1/4 in. int. dia. 925262

1шт.

8

K13506

BALL

steel ball, 3/8 in. 925262

12шт.

9

K903462

SPHERICAL BEARING

lower bearing 925262

1шт.

10

K903461

SPACER

spherical seating 925262

1шт.

11

K925264

SHAFT

925262

1шт.

12

K903469

PAD, RUBBER

rubber baffle 925262

1шт.

13

K925263

SUPPORT

steering column 925262

1шт.

219-8

LUBE NIPPLE,1/4" - 28 NPTF

NIPPLE, LUBE, , ANF 925262 1/4"-28 NPT x .54" lg

1шт.

14

K600403

BOLT

3/8 UNC x 1 3/8 in., Serial Range: column-bracket

4шт.

K19482

SPRING WASHER

spring washer, 3/8 in., Serial Range: column-bracket

4шт.

15

K924898

VALVE

Orbitrol steering unit (Type OSP 100)

1шт.

K962387

GASKET KIT

seal pack--steering unit

1шт.

16

K924844

SUPPORT

bracket

1шт.

17

K603105

SCREW

setscrew, 1/2 UNC x 1 1/8 in. bracket to gearbox cover

8шт.

18

K600833

BOLT

1/2 UNC x 8 1/2 in. bracket to gearbox cover

2шт.

K19484

LOCK WASHER

spring washer, 1/2 in. bracket to gearbox cover

10шт.

K929055

CYLINDER

hydraulic ram assembly 715902 onward

1шт.

K925302

CYLINDER

hydraulic ram assembly, Serial Range: 700001-715901

1шт.

19

K925313

CYLINDER

ram cylinder case 715902 onward 929055 925302

1шт.

K929056

ROD

ram rod 715902 onward 929055 925302

1шт.

K929057

BALL JOINT

ball socket assembly--ram rod 700001 to 715901 929055 925302

1шт.

20

K925319

NO LONGER SERVICED

ram rod 929055 925302

1шт.

21

K925321

PISTON

929055 925302

1шт.

22

K24743

RING

anti-extrusion ring, 1 1/2 in. int., 929055 925302 dia.

2шт.

23

K24744

O-RING,1.475" ID x 1.895" OD x 0.21"

'O' ring, 1 1/2 in. int. dia. 929055 925302

1шт.

24

K607446

NUT

3/4 UNC 929055 925302

1шт.

25

K925322

SLEEVE

929055 925302

1шт.

26

K623677

O-RING

'O' ring, 1 in. int. dia. 929055 925302

1шт.

27

K24740

WASHER

anti-extrusion ring, 1 in. int., 929055 925302 dia.

1шт.

28

K690820

RING

Nu-lip sealing ring, 1 in. int., 929055 925302 dia.

1шт.

29

K691596

SEAL

scraper seal 929055 925302

1шт.

30

K24737

O-RING,0.139" Thk x 1.609" ID, -223, Cl 6, 90 Duro

'O' ring, 1 5/8 in. int. dia. 929055 925302

1шт.

31

K24738

RING,41.07mm ID x 47.88mm OD x 1.83mm Thk

anti-extrusion ring, 1 5/8 in. int., 929055 925302 dia.

1шт.

32

K11744

RING, SNAP

circlip, 1 7/8 in. int. 929055 925302

2шт.

33

K923766

BALL JOINT

ball socket assembly 929055 925302

2шт.

K962155

CAP

dirt excluder 923766 929055 925302

1шт.

K617106

NUT

slotted nut, 5/8 UNF 923766 929055 925302

1шт.

K622500

LOCK NUT

locknut, 3/4 in., special 923766 929055 925302

1шт.

K19534

PIN

split pin, 1/8 x 1 1/2 in. 929055 925302

2шт.

K962555

SEAL

seal pack--hydraulic ram

1шт.

Выбрано товаров: 48