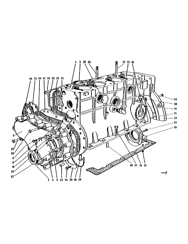
Запчасти Case IH 1200 (004) - CYLINDER BLOCK AND COVERS (01) - ENGINE

Схема запчастей Case IH 1200 - (004) - CYLINDER BLOCK AND COVERS (01) - ENGINE
10
16
30
1
41
8
40
6
18
19
9
17
24
12
31
4
13
27
36
34
2
15
11
7
20
29
26
19
21
22
14
35
28
39
25
23
32
33
38
37
3
FIT
1:1
100%

Артикул

Название

Примечание

Количество

1

K962014

BASIC BLOCK

cylinder block

1шт.

2

K914346

RING

sealing ring

4шт.

K12258

PIN

dowel, 5/16 x 3/4 in. main bearing caps to cylinder block

6шт.

K902022

BOLT

5/8 UNC x 3 5/8 in. main bearing caps to cylinder block

6шт.

K929557

WASHER

washer, 5/8 in. main bearing caps to cylinder block

6шт.

K12994

BEARING WASHER

tabwasher main bearing caps to cylinder block

6шт.

K915071

SPARE PART

cover--timing gear, Serial Range: 700001-704901

1шт.

K962390

COVER

assembly 704902 onward

1шт.

3

K924396

NO LONGER SERVICED

cover--timing gear 962390

1шт.

4

K924397

COVER

plate--inspection 962390

1шт.

5

K924398

FLEXIBLE JOINT

gasket 962390

1шт.

6

280345

BOLT,Hex, 5/16" - 18 x 7/8", Gr 5, Full Thd

setscrew, 5/16 UNC x 7/8 in. 962390

6шт.

K19481

SPRING WASHER

spring washer, 5/16 in. 962390

6шт.

7

K623448

SEAL

oil seal (replaces 24885) 962390

1шт.

8

K921677

TUBE

--oil filler

1шт.

9

K902118

CAP

filler cap

1шт.

K921678

FILTER

gauze

1шт.

K627036

BUSHING

distance piece

2шт.

10

K920794

GASKET

--cover to plate (supersedes 915297)

1шт.

11

K940802

CARRIER

plate (number change)

1шт.

12

K902031

GASKET

, Serial Range: gasket--plate-block

1шт.

13

K915158

PLATE

blanking plate

1шт.

14

K915157

GASKET

--blanking plate to carrier plate

1шт.

9627874

BOLT,Hex, 5/16" - 18 x 5/8", Gr 5, Full Thd

setscrew, 5/16 UNC x 5/8 in. (replaces 602801)

1шт.

15

K621807

PIN

, Serial Range: dowel--cover-plate

4шт.

16

K602833

bolt, 5/16 UNC x 3/4 in.--carrier plate (replaces 602803)

4шт.

17

9635884

BOLT,Hex, 5/16" - 18 1", Full Thd, Gr 5

setscrew, 5/16 UNC x 1 in. timing gear cover (replaces 600207)

8шт.

18

K600325

BOLT

5/16 UNC x 2 in. timing gear cover (replaces 600209)

2шт.

19

K600205

BOLT

5/16 UNC x 1 1/2 in. timing gear cover (replaces 600210)

6шт.

9635082

NUT,5/16" - 18, Gr 5

5/16 UNC timing gear cover

3шт.

K19481

SPRING WASHER

spring washer, 5/16 in. timing gear cover

21шт.

20

K902036

GASKET

baffie plate

1шт.

21

K905217

PLUG

taper plug--oil cleaner mounting boss

1шт.

22

K10029

COVER

--tappets

2шт.

23

K10030

GASKET

--tappet cover

2шт.

24

K600408

BOLT,3/8" x 2"

3/8 UNC x 2 in.--tappet cover

2шт.

K19504

WASHER,9.92mm ID x 14.29mm OD x 2mm Thk

fibre washer, 3/8 in.

2шт.

25

K622060

PLUG, DRAIN

drain tap (supersedes 89737)

1шт.

K922093

ADAPTER

adaptor--drain tap

1шт.

K30421

SEALING WASHER

sealing washer, 7/8 in.

1шт.

26

K906538

STUD

1/2 UNC/UNF x 4 7/8 in. cylinder head

8шт.

27

K906539

STUD

1/2 UNC/UNF x 5 3/16 in. cylinder head

4шт.

K600870

BOLT

special, 1/2 UNC x 4 1/4 in. cylinder head

7шт.

28

K609440

PLUG

5/8 UNC--oil gallery, rear

1шт.

K15512

WASHER

copper washer, 5/8 in. (replaces 626441)

1шт.

K609449

PLUG

5/8 UNC x 13/16 in.--oil gallery, front (replaces 918877)

1шт.

29

K623797

PLUG

core plug, 1 3/4 in. dia. (replaces 17192)

5шт.

30

K962319

BEARING

oil retainer (supersedes 908398)

1шт.

K921611

OIL SEAL

packing (halves)--oil retainer

2шт.

31

K606558

SCREW

socket screw, 5/16 UNC

2шт.

K902028

NO LONGER SERVICED

gasket--oil retainer to cylinder block (replaces 914404)

1шт.

32

280345

BOLT,Hex, 5/16" - 18 x 7/8", Gr 5, Full Thd

setscrew, 5/16 UNC x 7/8 in.

4шт.

K19481

SPRING WASHER

spring washer, 5/16 in.

6шт.

33

K903947

SUPPORT

plate--starter

1шт.

34

K602906

SCREW

setscrew, 3/8 UNC x 1 1/4 in.

6шт.

K19482

SPRING WASHER

spring washer, 3/8 in.

6шт.

35

K12258

PIN

dowel, 5/16 x 3/4 in.

2шт.

K623523

O-RING,1.802" OD x 0.143" Width

'O' ring, 1 13/16 in. int. dia.--camshaft rear bearing

1шт.

36

K902044

GASKET

left-hand frame to cylinder block

1шт.

K902045

GASKET

right-hand frame to cylinder block

1шт.

37

413-618

BOLT,Hex, 3/8" - 16 x 1-1/8", Gr 5

setscrew, 3/8 UNC x 1 1/8 in. frame to cylinder block

12шт.

38

K621834

PIN

dowel frame to cylinder block

2шт.

39

K902046

SEAL

frame to cylinder block

2шт.

40

K600467

BOLT

3/8 UNC x 8 3/4 in., special frame to cylinder block

4шт.

K19482

SPRING WASHER

spring washer, 3/8 in. frame to cylinder block

16шт.

41

K903851

PRESSURE SWITCH

switch--oil warning light

1шт.

K915148

NO LONGER SERVICED

cover--oil pressure switch

1шт.

Выбрано товаров: 67