Запчасти Case IH 1200 (021) - MANIFOLDS (01) - ENGINE

Схема запчастей Case IH 1200 - (021) - MANIFOLDS (01) - ENGINE
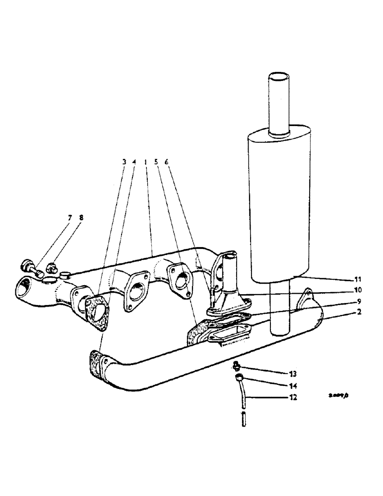
4
2
12
3
8
11
10
1
6
14
5
9
7
13
FIT
1:1
100%

Артикул

Название

Примечание

Количество

1

K921473

X

manifold--air inlet (supersedes 905206)

1шт.

2

K906744

MANIFOLD

--vertical exhaust

1шт.

K919574

X

manifold--downswept exhaust

1шт.

3

K921730

MANIFOLD GASKET

--inlet manifold (supersedes 917136)

4шт.

4

K921771

GASKET

--exhaust manifold (supersedes 900771)

2шт.

5

K921772

GASKET

--exhaust manifold (supersedes 900772)

1шт.

280136

NUT,3/8"-16, G8

17шт.

6

K608203

STUD

3/8 UNC x 1 7/16 (replaces 608220)

2шт.

7

K906039

PLUG

ether plug, 7/8 UNF

1шт.

K623850

PLUG

brass, 7/8 BSF--manifold (used with 905206)

1шт.

K619528

PLUG

plastic, 7/8 UNF--manifold (used with 921473)

1шт.

K626784

WASHER,23.24mm ID x 33.34mm OD x 2.34mm Thk

sealing washer, 7/8 in.

1шт.

8

K619532

PLUG

1/2 UNF

1шт.

9

K68327

GASKET

, Serial Range: gasket--manifold-flange

1шт.

10

K928275

FLANGE

--exhaust (replaces 919293)

1шт.

11

K926833

MUFFLER

silencer (replaces 921351)

1шт.

12

K928668

PIPE,0.25" OD x 14" L

--exhaust manifold drain (supersedes 908255)

1шт.

13

K626051

FITTING

union, 1/8 BSP (supersedes 908256)

1шт.

K622402

FERRULE

olive (replaces 622406) 626051

1шт.

14

K617421

PIPE UNION NUT

union nut (replaces 623204) 626051

1шт.

Выбрано товаров: 20