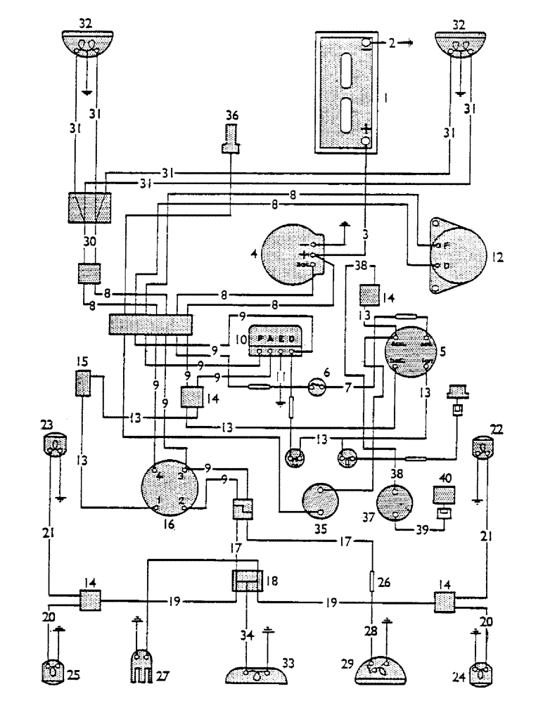
Запчасти Case IH 1200 (120) - ELECTRICAL EQUIPMENT, TRACTOR 700001 TO 703304 (06) - ELECTRICAL SYSTEMS

Схема запчастей Case IH 1200 - (120) - ELECTRICAL EQUIPMENT, TRACTOR 700001 TO 703304 (06) - ELECTRICAL SYSTEMS
16
31
13
39
6
2
15
13
28
40
9
2
35
13
1
19
14
23
3
13
22
14
27
34
26
8
10
13
7
36
13
33
37
24
18
17
14
38
8
12
20
31
32
9
9
9
8
38
31
31
9
9
31
31
8
8
21
20
21
8
1
30
4
9
9
14
9
5
3
29
19
25
17
FIT
1:1
100%

Артикул

Название

Примечание

Количество

1

K918881

SPARE PART

battery, 12 volt (Exide 6/TXAZ 15R) standard battery

1шт.

K909760

CLAMP

clamp standard battery

1шт.

K916333

STUD

stud--clamp standard battery

2шт.

1

K919713

SPARE PART

battery, 12 volt (Exide 6/RHAZ 15R) heavy duty battery

1шт.

K919712

STUD

SPARE PART stud heavy duty battery

2шт.

K19435

NUT

wing nut, 1/4 BSF

2шт.

K19470

WASHER

washer, 1/4 in.

2шт.

K626341

SPRING WASHER

spring washer, 1/4 in. (replaces 19480)

2шт.

K918883

COVER

battery support

1шт.

K908394

BUSHING

SPARE PART seating pad--battery

1шт.

K917661

PIN

stud, 3/8 UNC

2шт.

K19482

SPRING WASHER

spring washer, 3/8 in.

2шт.

280136

NUT,3/8"-16, G8

NUT, 3/8"-16, G8

2шт.

K608212

STUD

stud, 3/8 UNC support frame to front extension

4шт.

280136

NUT,3/8"-16, G8

NUT, , Support frame to front extension 3/8"-16, G8

4шт.

K19482

SPRING WASHER

spring washer, 3/8 in. support frame to front extension

4шт.

9627874

BOLT,Hex, 5/16" - 18 x 5/8", Gr 5, Full Thd

setscrew, 5/16 UNC x 5/8 in. support frame to front extension

2шт.

K19481

SPRING WASHER

spring washer, 5/16 in. support frame to front extension

2шт.

2

K917372

CABLE

cable--battery, Serial Range: negative-earth

1шт.

3

K917373

CABLE

cable--battery, Serial Range: positive-starter

1шт.

K621621

CABLE

clip--starter cable

1шт.

K87560

CONTACT HOUSING

rubber cover--starter terminal

1шт.

4

K89772

STARTER MOTOR

starter (Lucas M45G)

1шт.

87297386

REMAN-STARTER

Remanufactured Starter; For N.A. only

1шт.

87297387

CORE-STARTER

Return number - For N.A. only

1шт.

K600406

BOLT

bolt, 3/8 UNC x 1 3/4 in., Serial Range: starter-engine

2шт.

K600410

BOLT

bolt, 3/8 UNC x 2 1/4 in., Serial Range: starter-engine

1шт.

K600702

BOLT

nut, 3/8 UNC, Serial Range: starter-engine

1шт.

K19482

SPRING WASHER

spring washer, 3/8 in., Serial Range: starter-engine

3шт.

K918762

CABLE

, Serial Range: cable--starter-earth

1шт.

K19470

WASHER

washer, 1/4 in.

1шт.

K917405

NO LONGER SERVICED

conduit

1шт.

K602903

SCREW

setscrew, 3/8 UNC x 7/8 in., Serial Range: condult-engine

1шт.

280136

NUT,3/8"-16, G8

NUT, , Conduit to engine 3/8"-16, G8

1шт.

280136

NUT,3/8"-16, G8

NUT, , Conduit to engine 3/8"-16, G8

1шт.

K19472

WASHER

washer, 3/8 in., Serial Range: condult-engine

1шт.

K19482

SPRING WASHER

spring washer, 3/8 in., Serial Range: condult-engine

2шт.

K82317

GROMMET

grommet--conduit

2шт.

5

K912384

IGNITION SWITCH

isolating and starter switch (AC-Delco 1533514)

1шт.

K918835

KEY

key--switch

1шт.

K912408

NUT

nut--switch retaining

1шт.

6

K36384

SWITCH

safety switch--starter

1шт.

K919520

SPARE PART cover--switch

1шт.

K919517

SLEEVE

connecting sleeve switch to clutch pedal

1шт.

K11583

SPARE PART screw, 4 BA x 5/16 in. switch to clutch pedal

1шт.

K624928

SPRING

spring switch to clutch pedal

1шт.

7

K919518

NO LONGER SERVICED

lead--safety switch

1шт.

K920876

CABLE

cable tube--safety switch lead

1шт.

8

K917351

SPARE PART wiring harness (with half 8-way connector)

1шт.

9

K917350

SPARE PART wiring harness (with half 8-way connector)

1шт.

10

K908901

REGULATOR

regulator (Lucas RB108)

1шт.

K19934

CABLE CLIP

cable, Serial Range: clip--harness-engine

1шт.

K603926

SCREW

screw, 1/4 UNC x 3/4 in., Serial Range: regulator-bracket

2шт.

K626341

SPRING WASHER

spring washer, 1/4 in. regulator to, replaces 19480 bracket

2шт.

K607043

NUT

nut, 1/4 UNC regulator to bracket replaces 607000

2шт.

K925268

BLADE

connector

1шт.

11

K924142

CABLE

lead--regulator to earth (replaces 908902)

1шт.

12

K913986

NO LONGER SERVICED

dynamo (Lucas C40A)

1шт.

K912758

BRACKET

support bracket dynamo fixing to cylinder block

1шт.

K602903

SCREW

bolt, 3/8 UNC x 7/8 in. dynamo fixing to cylinder block

2шт.

K19482

SPRING WASHER

spring washer, 3/8 in. dynamo fixing to cylinder block

2шт.

9635884

BOLT,Hex, 5/16" - 18 1", Full Thd, Gr 5

setscrew, 5/16 UNC x 1 in. dynamo fixing to cylinder block

2шт.

9635082

NUT,5/16" - 18, Gr 5

nut, 5/16 UNC dynamo fixing to cylinder block

2шт.

K19481

SPRING WASHER

spring washer, 5/16 in. dynamo fixing to cylinder block

2шт.

K902063

STRAP

adjuster strap dynamo fixing to cylinder block

1шт.

280345

BOLT,Hex, 5/16" - 18 x 7/8", Gr 5, Full Thd

setscrew, 5/16 UNC x 7/8 in. dynamo fixing to cylinder block

1шт.

K902420

NO LONGER SERVICED

washer, 5/16 in. dynamo fixing to cylinder block

1шт.

K19481

SPRING WASHER

spring washer, 5/16 in. dynamo fixing to cylinder block

1шт.

K900757

PULLEY

pulley--dynamo

1шт.

K912757

NO LONGER SERVICED

guard--dynamo pulley

1шт.

13

K917352

HARNESS

harness--isolating switch and fuse-holder

1шт.

14

K86230

CONNECTOR, ELEC

CONNECTOR double connector

4шт.

15

K907475

FUSE

fuse holder

1шт.

K960980

HOLDER

cap--fuse holder 907475

1шт.

K960981

SEAL

rubber seal--cap 907475

1шт.

K904459

FUSE

fuse, 25 amp. 907475

1шт.

16

K912388

IGNITION SWITCH

lighting switch (Lucas 54033351) five-position

1шт.

16

K902464

SWITCH

lighting switch (Lucas 54033370) four-position

1шт.

17

K917357

SPARE PART lead (side/rear lamp)--connector to three-way connector

1шт.

18

K908905

CONNECTOR, ELEC

CONNECTOR three-way connector

1шт.

19

K917359

NO LONGER SERVICED

lead (side/rear, Serial Range: lamps)--connector-connector

2шт.

K917147

SPARE PART guard side and rear lamp leads

1шт.

K621633

CABLE

clip side and rear lamp leads

1шт.

20

K917360

NO LONGER SERVICED

lead--connector to rear lamp

2шт.

21

K917361

NO LONGER SERVICED

lead--connector to side lamp

2шт.

22

K916838

NO LONGER SERVICED

side lamp, right-hand see Figure 125

1шт.

23

K916836

NO LONGER SERVICED

side lamp, left-hand see Figure 125

1шт.

24

K916835

NO LONGER SERVICED

rear lamp, right-hand see Figure 125

1шт.

25

K916837

NO LONGER SERVICED

rear lamp, left-hand see Figure 125

1шт.

K917231

CABLE

cable tube, left-hand--side and rear lamp wires

1шт.

K919375

CABLE

cable tube, right-hand--side and rear lamp wires

1шт.

K621652

PIPE

clip tubes to frame and fender

4шт.

9635082

NUT,5/16" - 18, Gr 5

nut, 5/16 UNC tubes to frame and fender

2шт.

K19481

SPRING WASHER

spring washer, 5/16 in. tubes to frame and fender

2шт.

K19930

GROMMET,3/8" ID x 5/8" Groove Dia

grommet--fenders

2шт.

K24589

GROMMET

grommet--fenders

1шт.

26

K67916

ELEC CONNECTOR

single connector

4шт.

27

K904078

NO LONGER SERVICED

socket--trailer connector

1шт.

K603924

SCREW

screw, 1/4 UNC x 1/2 in., Serial Range: socket-earth

1шт.

K11524

LOCK WASHER

shakeproof washer, 1/4 in., Serial Range: socket-earth

1шт.

K607000

NUT

nut, 1/4 UNC, Serial Range: socket-earth

1шт.

28

K917358

NO LONGER SERVICED

, Serial Range: lead--connector-floodlamp

1шт.

29

K914107

NO LONGER SERVICED

rear floodlamp assembly (see Figure 124)

1шт.

30

K917353

NO LONGER SERVICED

lead (headlamps)--connector to, inboard headlamps connector

1шт.

31

K917874

NO LONGER SERVICED

lead--connector to headlamps inboard headlamps

1шт.

K903822

WASHER

clip--leads to bonnet inboard headlamps

6шт.

32

K915874

HEADLAMP

headlamp assembly (see Figure 124) inboard headlamps

2шт.

K918783

SPARE PART

lead--harness to headlamps side-mounted headlamps

1шт.

K903822

WASHER

clip--leads to bonnet side-mounted headlamps

8шт.

K915865

HEADLIGHT

headlamp assembly, right-hand see, side-mounted headlamps Figure 124

1шт.

K915866

SPARE PART

headlamp assembly, left-hand see, side-mounted headlamps Figure 124

1шт.

33

K82303

SPARE PART

number-plate lamp, U977 (918222) (rear number-plate

1шт.

bulb, 12 volt, 6 watt, single, U977 (918222) (rear number-plate contact

1шт.

K12355

NUT

domed nut, 2 BA, U977 (918222) (rear number-plate

2шт.

K902460

SUPPORT

lamp bracket, U977 (918222) (rear number-plate

1шт.

K603924

SCREW

screw, 1/4 UNC x 1/2 in. bracket to, U977 (918222) (rear number-plate plate

2шт.

K607043

NUT

nut, 1/4 UNC bracket to plate, U977 (918222) (rear number-plate

2шт.

K19480

SPRING WASHER

spring washer, 1/2 in. bracket to, U977 (918222) (rear number-plate plate

2шт.

34

K919792

NO LONGER SERVICED

lead--connector to number-plate, U977 (918222) (rear number-plate lamp

1шт.

K903822

WASHER

clip--lead to number-plate, U977 (918222) (rear number-plate

1шт.

K920450

number-plate, U977 (918222) (rear number-plate

1шт.

K920453

support bracket, U977 (918222) (rear number-plate

1шт.

K920456

hinge pin, U977 (918222) (rear number-plate

1шт.

K920457

backing plate support bracket to, U977 (918222) (rear number-plate fender

1шт.

K602733

SCREW

setscrew, 1/4 UNC x 5/8 in. support, U977 (918222) (rear number-plate, Serial Range: bracket-fender

2шт.

K607043

NUT

nut, 1/4 UNC support bracket to, U977 (918222) (rear number-plate fender

2шт.

K19480

SPRING WASHER

spring washer, 1/4 in. support, U977 (918222) (rear number-plate, Serial Range: bracket-fender

2шт.

K12940

SPRING

spring, U977 (918222) (rear number-plate

1шт.

K623931

SPLIT PIN/SAFETY PIN

spring pin, 1/8 x 11/16 in., U977 (918222) (rear number-plate

1шт.

35

K910618

ELECTRICAL GAUGE

temperature gauge U924 (918174) (thermometer)

1шт.

36

K907985

SPARE PART

sender U924 (918174) (thermometer)

1шт.

K626444

WASHER

copper washer, 3/8 in. U924 (918174) (thermometer)

1шт.

K11885

SPRING

spring washer, 5/32 in. U924 (918174) (thermometer)

2шт.

37

K917374

SPARE PART

fuel gauge optional equipment

1шт.

38

K919291

NO LONGER SERVICED

lead--gauge to connector optional equipment

1шт.

39

K919290

NO LONGER SERVICED

lead--gauge to tank unit optional equipment

1шт.

40

K916755

FLOAT

tank unit--fuel gauge optional equipment

1шт.

Выбрано товаров: 137