Запчасти Case IH 1200 (112) - MAIN FRAME AND COVERS (12) - CHASSIS

Схема запчастей Case IH 1200 - (112) - MAIN FRAME AND COVERS (12) - CHASSIS
29
34
46
17
13
20
39
4
3
24
9
25
41
15
37
48
10
23
12
38
32
26
42
19
30
36
6
50
33
16
18
22
45
11
5
35
1
7
49
8
43
14
21
26
44
2
31
47
27
40
FIT
1:1
100%

Артикул

Название

Примечание

Количество

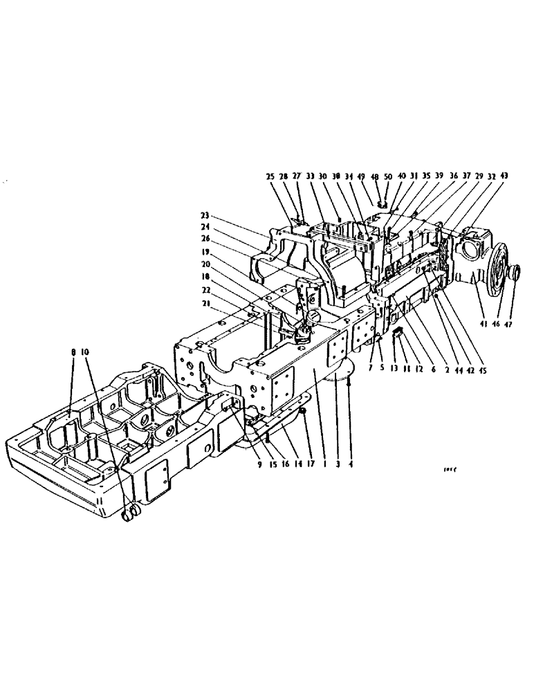
1

K962340

SPARE PART

main frame--front 704902

1шт.

1

K915404

FRAME

main frame--front, Serial Range: 700001-704901

1шт.

2

K915403

FRAME

main frame--rear

1шт.

K627936

NO LONGER SERVICED

plastic plug, 5/8 in.

24шт.

3

K919622

PLATE

clutch pit cover

1шт.

K11933

PIN

split pin, 1/8 x 5/8 in.

1шт.

4

9627874

BOLT,Hex, 5/16" - 18 x 5/8", Gr 5, Full Thd

setscrew, 5/16 UNC x 5/8 in. cover to frame

4шт.

K19481

SPRING WASHER

spring washer, 5/16 in., Serial Range: cover-frame

4шт.

5

K600808

BOLT

1/2 UNC x 2 1/4 in. main frame, Serial Range: front-rear

4шт.

6

K600814

BOLT

1/2 UNC x 3 in. main frame, Serial Range: front-rear

6шт.

K19484

LOCK WASHER

spring washer, 1/2 in. main frame, Serial Range: front-rear

10шт.

K607004

NUT

1/2 UNC main frame, Serial Range: front-rear

2шт.

7

K900105

PIN

dowel, 5/8 in.

2шт.

219-8

LUBE NIPPLE,1/4" - 28 NPTF

NIPPLE, LUBE, , ANF 1/4"-28 NPT x .54" lg

2шт.

8

K915461

front extension

1шт.

9

K600806

BOLT

1/2 UNC x 2 in.

12шт.

K19484

LOCK WASHER

spring washer, 1/2 in.

12шт.

10

K15597

BUSHING

bush--trunnion pin

4шт.

219-8

LUBE NIPPLE,1/4" - 28 NPTF

NIPPLE, LUBE, , ANF--Trunnion bearings 1/4"-28 NPT x .54" lg

2шт.

K627949

NO LONGER SERVICED

plastic plug, 1 1/4 in.

2шт.

11

K919278

COVER

plate--relief valve aperture

1шт.

12

K919279

GASKET

plate to rear main frame

1шт.

13

K603002

BOLT (SPREADER)

setscrew, 7/16 UNC x 7/8 in. plate to rear main frame

2шт.

K19483

SPRING WASHER

spring washer, 7/16 in. plate to rear main frame

2шт.

14

K904077

COVER

sump cover

1шт.

15

K918684

GASKET,2.38mm Thk

--sump cover (replaces 906429)

1шт.

16

9627874

BOLT,Hex, 5/16" - 18 x 5/8", Gr 5, Full Thd

setscrew, 5/16 UNC x 5/8 in.

18шт.

K19481

SPRING WASHER

washer, 5/16 in.

18шт.

17

K623825

PLUG

drain plug, 1/2 BSP (replaces 24850)

2шт.

K626793

WASHER

sealing washer, 7/8 in. (replaces 626769)

2шт.

K83884

SLEEVE

--engine dipstick 704902 onward

1шт.

K924375

DIPSTICK

--engine 704902 onward

1шт.

18

K902042

FILLER

oil filler, Serial Range: 700001-704901

1шт.

19

K916648

NO LONGER SERVICED

oil filler cap and dipstick, Serial Range: 700001-704901

1шт.

20

K15279

O-RING,0.139" Thk x 1.359" ID, -220, Cl 5, 75 Duro

'O' ring, 1 3/8 in. int. dia. 700001 to 704901

1шт.

21

K902043

SEAL

--oil filler to frame, Serial Range: 700001-704901

1шт.

22

413-618

BOLT,Hex, 3/8" - 16 x 1-1/8", Gr 5

setscrew, 3/8 UNC x 1 1/8 in. 700001 to 704901

2шт.

K19482

SPRING WASHER

spring washer, 3/8 in., Serial Range: 700001-704901

2шт.

23

K915609

CLUTCH

housing

1шт.

K627933

NO LONGER SERVICED

plastic plug, 3/8 in. dia.--timing plug apertures

2шт.

24

K600810

BOLT

1/2 UNC x 2 1/2 in. housing to rear frame

6шт.

K19484

LOCK WASHER

spring washer, 1/2 in. housing to rear frame

6шт.

25

K600425

BOLT

3/8 UNC x 5 1/4 in. housing to support plate

2шт.

26

K600408

BOLT,3/8" x 2"

3/8 UNC x 2 in. housing to support plate

1шт.

K19482

SPRING WASHER

spring washer, 3/8 in. housing to support plate

3шт.

27

K923650

COVER

--clutch housing (supersedes 904246)

1шт.

28

K602701

BOLT

setscrew, 1/4 UNC x 1/2 in. (replaces 607201)

2шт.

K19480

SPRING WASHER

spring washer, 1/4 in.

2шт.

K913300

PLATE

lubrication plate

2шт.

K624090

RIVET

1/8 x 5/16 in.

2шт.

29

K915592

COVER

gearbox cover 6-speed

1шт.

K915591

COVER

gearbox cover 12-speed

1шт.

30

K12362

PLUG

taper plug, 1 in. BSP

1шт.

31

K623825

PLUG

1/2 BSP (replaces 24850)

1шт.

K626793

WASHER

sealing washer, 7/8 in. (replaces 626769)

1шт.

32

K922555

GASKET

--gearbox cover (supersedes 915603)

2шт.

33

K915674

WEDGE

--clutch housing

1шт.

34

K600810

BOLT

1/2 UNC x 2 1/2 in. gearbox cover to clutch housing

4шт.

K19484

LOCK WASHER

spring washer, 1/2 in. gearbox cover to clutch housing

2шт.

K626890

WASHER

1/2 in., special gearbox cover to clutch housing

2шт.

K19474

HARDWARE

washer, 1/2 in. gearbox cover to clutch housing

2шт.

35

K904238

DIPSTICK

--transmission

1шт.

36

K923725

SLEEVE

--transmission dipstick (replaces 83884)

1шт.

37

K600816

BOLT

1/2 UNC x 3 1/2 in. gearbox cover to rear frame

12шт.

38

K600829

BOLT

1/2 UNC x 6 3/4 in. gearbox cover to rear frame

2шт.

K19484

LOCK WASHER

spring washer, 1/2 in. gearbox cover to rear frame

10шт.

K14582

WASHER

1/2 in., special (replaces 15735)

4шт.

39

K600820

BOLT

1/2 UNC x 4 1/2 in. rear axle to gearbox cover

4шт.

40

K600832

BOLT

1/2 UNC x 8 in. rear axle to gearbox cover

1шт.

K19484

LOCK WASHER

spring washer, 1/2 in. rear axle to gearbox cover

5шт.

K921289

SHAFT

rear axle case 703005 onward

1шт.

41

K916371

rear axle case, Serial Range: 700001-703004

1шт.

K926279

SHAFT

rear axle case (heavy duty) 703005 onward

1шт.

42

K623825

PLUG

1/2 BSP (replaces 24850)

1шт.

K626793

WASHER

sealing washer, 7/8 in. (replaces 626769)

1шт.

43

K922556

GASKET

(supersedes 915944)

1шт.

44

K606718

SCREW

1/2 UNC x 3 in. rear axle to main frame (replaces 600814)

2шт.

K11518

WASHER

shakeproof washer, 1/2 in. rear axle to main frame

2шт.

K600819

BOLT

1/2 UNC x 4 1/4 in. rear axle to main frame

2шт.

K600804

BOLT

1/2 UNC x 1 3/4 in. rear axle to main frame

2шт.

K600807

BOLT

1/2 UNC x 2 1/8 in. rear axle to main frame

2шт.

K600817

BOLT

1/2 UNC x 3 3/4 in. rear axle to main frame

1шт.

K19484

LOCK WASHER

spring washer, 1/2 in. rear axle to main frame

7шт.

45

K900105

PIN

dowel

2шт.

46

K13353

SEAL,44.45mm ID x 80.96mm OD x 12.7mm Thk

oil seal, 1 3/4 x 3 3/16 x 1/2 in.

4шт.

47

K920444

HOUSING

--oil seal 703005 onward

2шт.

K62356

HOUSING

--oil seal, Serial Range: 700001-703004

2шт.

48

K929463

COVER

plate (replaces 910182)

1шт.

49

K929464

GASKET

(replaces 915166)

1шт.

50

K604089

SCREW

setscrew, 5/16 UNC x 5/8 in.

2шт.

K606020

SCREW

grubscrew, 5/16 UNC x 1/4 in.

1шт.

K923650

COVER

--clutch housing

1шт.

K923651

blanking plate--clutch pit, Serial Range: 700001-710355

2шт.

K626696

washer, 3/8 in., Serial Range: 700001-710355

2шт.

K19482

SPRING WASHER

spring washer, 3/8 in., Serial Range: 700001-710355

2шт.

280136

NUT,3/8"-16, G8

700001 to 710355 3/8"-16, G8

2шт.

Выбрано товаров: 96