Запчасти Case IH 1210 (8-34) - RAMSHAFT AND RAM CYLINDER (08) - HYDRAULICS

Схема запчастей Case IH 1210 - (8-34) - RAMSHAFT AND RAM CYLINDER (08) - HYDRAULICS
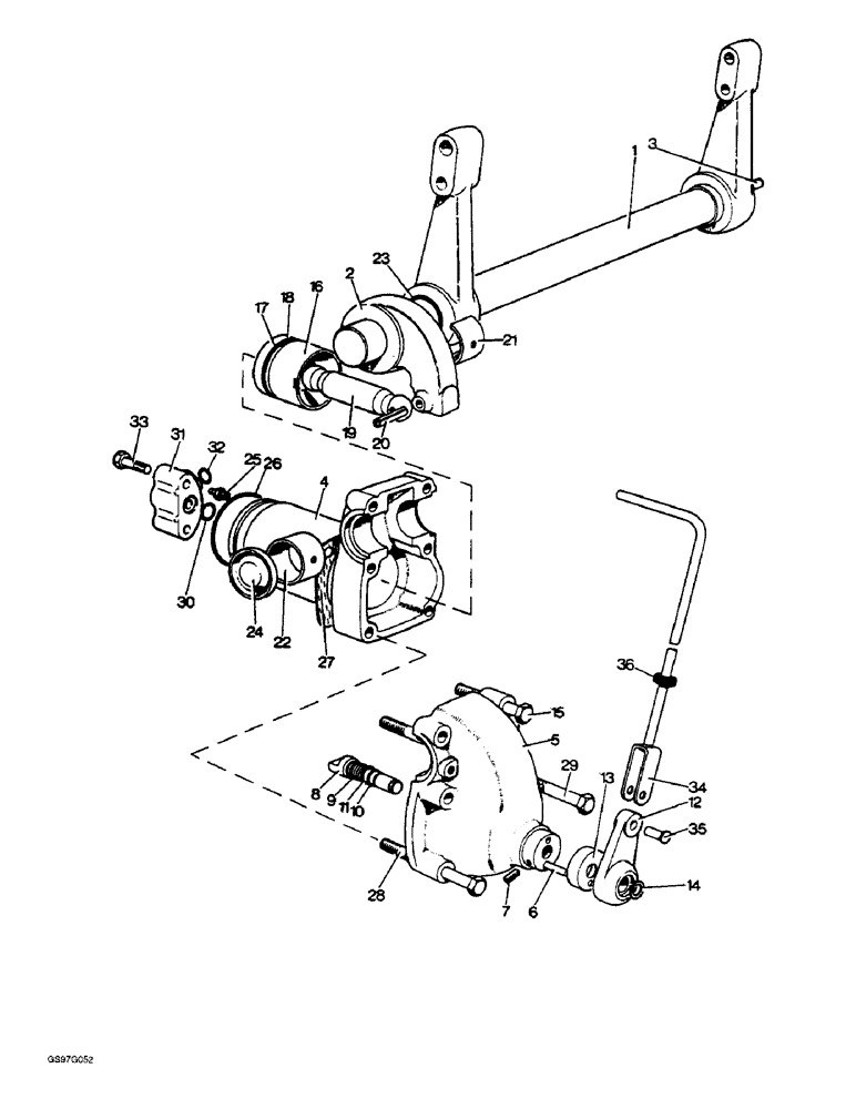
12
26
10
20
8
19
22
9
21
16
13
36
17
27
24
29
33
32
3
30
6
25
4
5
18
11
7
23
35
34
28
1
2
31
15
14
FIT
1:1
100%

Артикул

Название

Примечание

Количество

1

K921919

SHAFT

RAMSHAFT ASSEMBLY includes levers, Includes: Ref. 2 and 3

1шт.

2

K913762

ARM

LEVER ram

1шт.

3

K621807

PIN

dowel, 5/16 x 1/2 inch

1шт.

4

K961922

COVER

CYLINDER ram, no longer available, order cylinder and cover K913765, needle roller K620027, screw K606052, pin K942923, spring K913436, O-ring 238-5210, ring K907061, shim K626210, ring K11290 and excluder K913724

1шт.

4

K913765

CYLINDER

AND COVER ram

1шт.

5

K961923

COVER

ASSEMBLY ram cylinder, used with cylinder K961922, Includes: Ref. 6 - 15, Nut, and Washer

1шт.

6

K620027

NEEDLE

ROLLER

2шт.

7

K606052

SET SCREW,Hex Skt, 5/16" - 18 x 3/4"

locating

1шт.

8

K942923

LATCH

PIN

1шт.

9

K913436

SPRING

latch pin

1шт.

10

238-5210

O-RING,0.139" Thk x 0.734" ID, -210, Cl 5, 75 Duro

Latch pin (Replaces O-ring K24556) -210, 70 Duro, .734" ID x .139" Thk

1шт.

11

K907061

BUSHING

RING spacer

1шт.

12

K950045

LEVER

operating

1шт.

Used with 1210Q, 1212Q, 1210Sk and 1212Sk tractors.

1шт.

12

K947974

LEVER ASSY.

operating

1шт.

Used with 1210, 1212, 1210G and 1212G tractors.

1шт.

K626210

SHIM,.030" Thk

Operating lever .030" Thk

1шт.

13

K913724

DUST CAP

EXCLUDER dirt, no longer available

1шт.

Used with 1210, 1212, 1210G and 1212G tractors.

1шт.

14

K11290

RING, SNAP

3/4 inch OD

2шт.

K924685

RUBBER

RESTRICTOR cylinder body

1шт.

15

413-1072

BOLT,Hex, 5/8" - 11 x 4-1/2", Gr 5

(Replaces bolt K601218) Hex, 5/8"-11 x 4 1/2", G5

2шт.

425-1010

NUT,5/8"-11, G5

(Replaces nut K607006) 5/8"-11, G5

2шт.

493-41065

LOCK WASHER,Ext Tooth, 5/8"

external tooth lock, 5/8 inch (Replaces washer K11516)

2шт.

16

K913769

PISTON

standard, includes insert

1шт.

16

K946371

PISTON

includes insert, 0.020 inch oversize

1шт.

17

238-6338

O-RING,0.21" Thk x 3.1" ID, -338, Cl 6, 90 Duro

(Replaces O-ring K623519) -338, 90 Duro, 3.100" ID x .210" Thk

1шт.

18

K623567

RING,79.09mm ID x 89.18mm OD x 2.64mm Thk

anti-extrusion

1шт.

19

K913774

ROD

connecting

1шт.

20

138-141

LOCK PIN,1/4" x 1 7/8", Slotted

PIN, (Replaces pin K623920) 1/4" x 1 7/8", Slotted

1шт.

21

K913772

BEARING HALF

two halves

2шт.

22

K913758

BUSHING,57.19mm ID x 61.38mm OD x 28.83mm L

cylinder

1шт.

23

238-5331

O-RING,0.21" Thk x 2.225" ID, -331, Cl 5, 75 Duro

2-1/4 x 2-5/8 inch, class 5, ramshaft (Replaces O-ring K623579)

1шт.

24

K913773

PLUG

DISC sealing

1шт.

25

K910104

SCREW

bleed

1шт.

211-1010

BALL,5/16" OD

chrome alloy steel, 5/16 inch, grade 200 (Replaces ball K11286)

1шт.

26

238-5241

O-RING,0.139" Thk x 3.859" ID, -241, Cl 5, 75 Duro

(Replaces O-ring K623566) -241, 70 Duro, 3.859" ID x .139" Thk

1шт.

27

K926385

GASKET

cylinder to rear axle housing

1шт.

28

413-892

BOLT,Hex, 1/2" - 13 x 5-3/4", Gr 5

hex, cylinder body and cover to rear axle housing, 1/2 NC x 5-3/4 inch (Replaces bolt K600825)

2шт.

K11518

WASHER

external tooth lock, cylinder body and cover to rear axle housing, 1/2 inch

2шт.

29

K601322

BOLT

hex, cylinder body and cover to rear axle housing, 5/8 NC x 13-1/8 inch (Replaces bolt K601280)

2шт.

K626874

WASHER

sealing, cylinder body and cover to rear axle housing, 5/8 inch

2шт.

493-41065

LOCK WASHER,Ext Tooth, 5/8"

external tooth lock, cylinder body and cover to rear axle housing, 5/8 inch (Replaces washer K11516)

2шт.

129-107

NUT,5/8"-11, G5

Cylinder body and cover to rear axle housing (Replaces nut K607006) 5/8"-11, G5

2шт.

219-8

LUBE NIPPLE,1/4" - 28 NPTF

NIPPLE, LUBE, , straight, taper (Replaces fitting K13176) 1/4"-28 NPT x .54" lg

2шт.

30

238-6115

O-RING,0.103" Thk x 0.674" ID, -115, Cl 6, 90 Duro

(Replaces O-ring K24852) -115, 90 Duro, .674" ID x .103" Thk

1шт.

Used with 1210, 1212, 1210G and 1212G tractors.

1шт.

31

K955073

CONNECTOR, ELEC

pipe to cylinder (Replaces connector K919243)

1шт.

Used with 1210, 1212, 1210G and 1212G tractors.

1шт.

32

238-6114

O-RING,0.103" Thk x 0.612" ID, -114, Cl 6, 90 Duro

Connector to pipe (Replaces O-ring K24676) -114, 90 Duro, .612" ID x .103" Thk

1шт.

Used with 1210, 1212, 1210G and 1212G tractors.

1шт.

33

413-644

BOLT,Hex, 3/8" - 16 x 2-3/4", Gr 5

(Replaces bolt K600414) Hex, 3/8"-16 x 2 3/4", G5

2шт.

Used with 1210, 1212, 1210G and 1212G tractors.

1шт.

492-11038

LOCK WASHER,3/8"

(Replaces washer K19482) 3/8"

2шт.

Used with 1210, 1212, 1210G and 1212G tractors.

1шт.

34

K955606

LEVER

hand, tractor serial numbers prior to 11158600, no longer available

1шт.

Used with 1210Q, 1212Q, 1210Sk and 1212Sk tractors.

1шт.

34

K950522

LEVER

hand, tractor serial number 11158600 and after, no longer available

1шт.

Used with 1210Q, 1212Q, 1210Sk and 1212Sk tractors.

1шт.

35

K625956

PIN

clevis, 5/16 x 1-1/8 inch, no longer available

1шт.

Used with 1210Q, 1212Q, 1210Sk and 1212Sk tractors.

1шт.

432-48

COTTER PIN,1/16" x 1/2"

PIN, SPLIT (COTTER), (Replaces pin K11934) 1/16" x 1/2"

1шт.

Used with 1210Q, 1212Q, 1210Sk and 1212Sk tractors.

1шт.

36

K627729

GROMMET

7/8 inch

1шт.

Used with 1210Q, 1212Q, 1210Sk and 1212Sk tractors.

1шт.

Выбрано товаров: 65