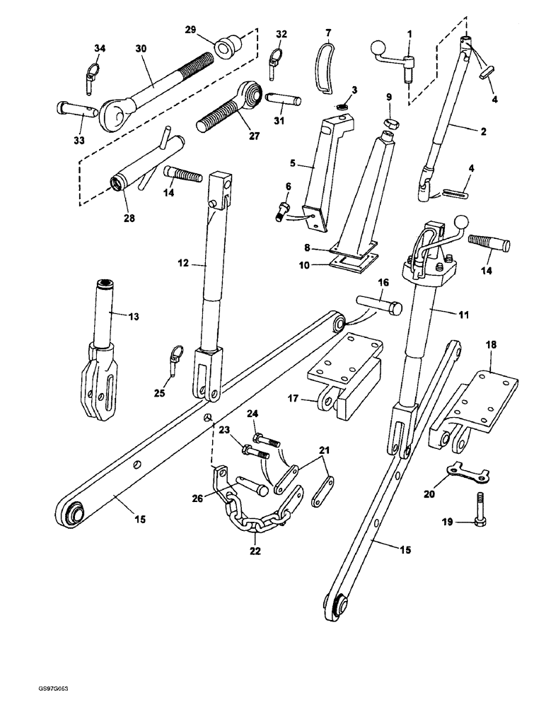
Запчасти Case IH 1210 (8-36) - THREE-POINT LINKAGE, 1210Q, 1212Q, 1210SK AND 1212SK TRACTORS FOR EUROPE ONLY (08) - HYDRAULICS

Схема запчастей Case IH 1210 - (8-36) - THREE-POINT LINKAGE, 1210Q, 1212Q, 1210SK AND 1212SK TRACTORS FOR EUROPE ONLY (08) - HYDRAULICS
9
15
24
32
29
4
25
4
28
5
10
6
13
8
23
2
12
14
18
1
22
34
30
21
16
26
17
31
20
33
15
14
19
3
7
11
27
FIT
1:1
100%

Артикул

Название

Примечание

Количество

1

K956382

BALL

HANDLE ASSEMBLY leveling lever control, no longer available, Includes: Ref. 2 - 3 and Shim

1шт.

Used with 1210Q and 1212Q tractors with serial number 11158600 and after.

1шт.

2

K956385

LINK

SPINDLE telescopic, no longer available

1шт.

Used with 1210Q and 1212Q tractors with serial number 11158600 and after.

1шт.

3

K956383

WASHER

thrust, no longer available

2шт.

Used with 1210Q and 1212Q tractors with serial number 11158600 and after.

1шт.

K626910

WASHER

SHIM control handle (Replaces shim K921778)

1шт.

Used with 1210Q and 1212Q tractors with serial number 11158600 and after.

1шт.

4

K691356

PIN

spring, 5 x 25 mm

2шт.

Used with 1210Q and 1212Q tractors with serial number 11158600 and after.

1шт.

5

K955279

BRACKET

support, no longer available

1шт.

Used with 1210Q and 1212Q tractors with serial number 11158600 and after.

1шт.

6

K602846

SCREW,5/16" - 18 x 5/8", Gr S

set, 5/16 NC x 5/8 inch

2шт.

Used with 1210Q and 1212Q tractors with serial number 11158600 and after.

1шт.

492-11031

LOCK WASHER,5/16"

WASHER, LOCK, 5/16"

1шт.

Used with 1210Q and 1212Q tractors with serial number 11158600 and after.

1шт.

8

K956013

COVER

telescopic spindle, no longer available

1шт.

Used with 1210Q and 1212Q tractors with serial number 11158600 and after.

1шт.

9

K962192

HOOD

CLIP, Serial Range: cover-bracket

1шт.

Used with 1210Q and 1212Q tractors with serial number 11158600 and after.

1шт.

10

K956020

CLAMP

PLATE, no longer available

1шт.

Used with 1210Q and 1212Q tractors with serial number 11158600 and after.

1шт.

K19660

RIVET

no longer available, 1/8 x 3/8 inch

4шт.

Used with 1210Q and 1212Q tractors with serial number 11158600 and after.

1шт.

K626309

WASHER

- flat, 1/8 inch, no longer available

4шт.

Used with 1210Q and 1212Q tractors with serial number 11158600 and after.

1шт.

11

REF

INSTRUCTION

LEVER ASSEMBLY levelling, parts list Figure 8-44

1шт.

12

REF

INSTRUCTION

ROD ASSEMBLY lift, parts list Figure 8-44

1шт.

13

K946081

ROD

NUT adjusting, slotted, 1 x 11-5/8 inch, if used

2шт.

K19476

WASHER

flat, 5/8 inch, used with nut K946081

2шт.

14

K914191

PIN

BOLT special, lift arm, 3/4 NC x 4-1/4 inch

2шт.

K607446

NUT

hex, self-locking, 3/4 inch NC

2шт.

15

K918720

LINK

lower, 38-1/2 inch

2шт.

16

K912066

GRILLE ASSY

BOLT hex, 1-1/8 NF x 4-5/8 inch, no longer available

2шт.

K617595

LOCK NUT

hex, self-locking, 1-1/8 inch NF

2шт.

17

K943054

BRACKET

hitch, left-hand (Replaces bracket K918600)

1шт.

18

K918604

BRACKET

hitch, right-hand

1шт.

19

413-1248

BOLT,Hex, 3/4" - 10 x 3", Gr 5

hex, brackets to axle housing, 3/4 NC x 3 inch

6шт.

413-1252

BOLT,Hex, 3/4" - 10 x 3-1/4", Gr 5

hex, brackets to axle housing, 3/4 NC x 3-1/4 inch

2шт.

20

K913121

WASHER

tab

4шт.

K946107

CHAIN (AG)

ASSEMBLY check, Includes: Ref. 21 - 23 and Nut

2шт.

21

K924022

PLATE

check chain

2шт.

22

K946105

CHAIN (AG)

check, order chain assembly K946107

1шт.

23

413-828

BOLT,Hex, 1/2" - 13 x 1-3/4", Gr 5

(Replaces bolt K600804) Hex, 1/2"-13 x 1 3/4", G5

1шт.

K607462

NUT

hex, self-locking, 1/2 inch NC

1шт.

24

413-828

BOLT,Hex, 1/2" - 13 x 1-3/4", Gr 5

(Replaces bolt K600804), Incl. Nut Hex, 1/2"-13 x 1 3/4", G5

1шт.

K607462

NUT

hex, self-locking, 1/2 inch NC

1шт.

25

3053363R91

LINCH PIN,32mm OD

linch (Replaces pin K915678)

2шт.

26

K946108

HEADED PIN

check chain

2шт.

K956115

LINK

ASSEMBLY top, no longer available as an assembly, order screw K920798, Ref. 27; buckle K920800, Ref. 28; screw K964864, Ref. 30; fitting 219-8 and nut K19448 (Replaces link assembly K940501), Includes: Ref. 27 - 34

1шт.

27

K920798

BALL

SCREW tractor, 8 inch

1шт.

28

K920800

TURNBUCKLE

link assembly

1шт.

219-8

LUBE NIPPLE,1/4" - 28 NPTF

NIPPLE, LUBE, , straight, taper 1/4"-28 NPT x .54" lg

1шт.

29

K955515

BUSHING

top link stowage, used with 1210Q and 1212Q tractors with serial number 11158600 and after

1шт.

30

K964864

SHAFT

SCREW, 15 inch (Replaces screw K922791)

1шт.

K19448

LOCK NUT

lock, right-hand, 1-1/4 BSF

1шт.

31

K919725

PIN,19.05mm OD x 111.13mm L

link, sensing unit

1шт.

32

K210316

LINCH PIN

linch (Replaces pin K66408)

1шт.

33

K65690

HITCH PIN

link

1шт.

34

A33509

PIN,11.18mm OD

linch (Replaces pin K920359)

1шт.

Выбрано товаров: 60