Запчасти Case IH 1210 (8-54) - THREE-WAY SELECTOR VALVE AND COUPLINGS (08) - HYDRAULICS

Схема запчастей Case IH 1210 - (8-54) - THREE-WAY SELECTOR VALVE AND COUPLINGS (08) - HYDRAULICS
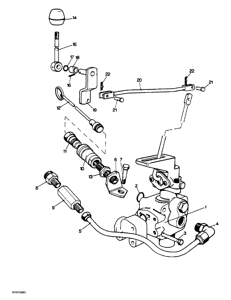
9
4
19
3
13
8
15
12
14
22
10
5
7
17
2
1
11
20
21
18
21
6
22
16
FIT
1:1
100%

Артикул

Название

Примечание

Количество

K931856

SPARE PART

CONTROL ASSEMBLY hand, three-way valve, used with 1210Q, 1212Q, 1210Sk and 1212Sk tractors, no longer available

1шт.

K918358

NO LONGER SERVICED

VALVE ASSEMBLY - three-way, quick-release coupling, used with 1210, 1212, 1210G and 1212G tractors, no longer available

1шт.

Order valve K919845, item 1A, plug K948415, item 2A, valve assembly K948000, item 1, O-ring 238-5210, item 2, bolt 413-648, item 3, washer 492-11038 and O-ring 237-6008

1шт.

K918505

NO LONGER SERVICED

VALVE ASSEMBLY - three-way, exactor coupling, used with 1210, 1212, 1210G and 1212G tractors, no longer available

1шт.

Order valve K919845, item 1A, plug K948415, item 2A, valve assembly K948000, item 1, O-ring 238-5210, item 2, bolt 413-648, item 3, washer 492-11038 and O-ring 237-6008

1шт.

1

K951162

SELECTOR

VALVE three-way, used with control assembly K931856, no longer available

1шт.

1

K948000

SELECTOR

VALVE three-way, used with valve assemblies K918358 and K918505

1шт.

1a

K919845

PRODUCT GRAPHIC

VALVE three-way selector, transfer, not shown

1шт.

2

238-5210

O-RING,0.139" Thk x 0.734" ID, -210, Cl 5, 75 Duro

(Replaces O-ring K24556) -210, 70 Duro, .734" ID x .139" Thk

1шт.

2a

K948415

PLUG

hex, special, 3/4 inch NF, not shown

1шт.

3

413-648

BOLT,Hex, 3/8" - 16 x 3", Gr 5

(Replaces bolt K600416) Hex, 3/8"-16 x 3", G5

4шт.

492-11038

LOCK WASHER,3/8"

(Replaces washer K19482) 3/8"

4шт.

4

218-5106

90 ELBOW,90 Degree Elbow, 3/4" - 16 Male JIC x 3/4" - 16 Male ORB

90 degree, 3/4-16 inch flare x adjustable O-ring boss (Replaces elbow K622114)

1шт.

5

K921215

PIPE

, Serial Range: valve-coupling

1шт.

6

K921160

BRACKET

housing

1шт.

7

413-856

BOLT,Hex, 1/2" - 13 x 3-1/2", Gr 5

hex, 1/2 NC x 3-1/2 inch (Replaces bolt K600816)

1шт.

K626686

WASHER

flat, 1/2 inch

1шт.

8

K921964

COUPLING, BREAK AWAY

ASSEMBLY, Exactor, tractor half, Includes: O-ring

1шт.

237-6008

O-RING,0.087" Thk x 0.644" ID, -908, Cl 6, 90 Duro

8-1, 90 Duro, .644" ID x .087" Thk

1шт.

K960657

BREAKER POINTS

COVER dust, Exactor coupling

1шт.

9

K952245

ADAPTER

pipe to Exactor coupling, 1/2 BSP

1шт.

K918520

NO LONGER SERVICED

COUPLING ASSEMBLY universal, Aeroquip to Exactor, no longer available, order coupling K921964, Ref. 8; coupling K200646, Ref. 11 and spacer K627134, Includes: Ref. 10 - 11, Washer, Spacer, and Coupling

1шт.

K918521

COUPLING

ASSEMBLY universal, Aeroquip to Dowty, no longer available, order coupling K921984, coupling K200646, Ref. 11 and spacer K627134, Includes: Ref. 10 - 11, Washer, Spacer, and Coupling

1шт.

K921216

COUPLING, BREAK AWAY

ASSEMBLY quick-release, complete, Aeroquip B5600/8/10, no longer available, order coupling K200643, coupling K200646, Ref. 11 and cover K921217, Ref. 12, Includes: Ref. 10 - 11, Washer, Spacer, and Coupling

1шт.

10

K929247

BREAKER POINTS

quick-release, tractor half, used with coupling assembly K921216, no longer available, order coupling K200643 and dust cover K921217, Includes: Ref. 10 - 11, Washer, Spacer, and Coupling

1шт.

10

K200643

COUPLING, BREAK AWAY

quick-release, Aeroquip, 1/2 inch BSP, tractor half

1шт.

11

K200646

COUPLING, BREAK AWAY

quick-release, hose half (Replaces coupling K921982)

1шт.

K15143

WASHER

sealing, 7/8 inch, used with coupling assemblies K918520 and K918521

2шт.

K627134

SPACER

used with coupling assembly K918521

1шт.

K921984

COUPLING, BREAK AWAY

Dowty, tractor half, used with coupling assembly K918521, no longer available

1шт.

12

K921217

PLUG

COVER dust, tractor coupling

1шт.

K200645

CAP

dust, hose coupling

1шт.

K626783

WASHER

sealing, 7/8 inch

1шт.

K19467

NUT lock, 1/2 BSP

1шт.

13

K921178

ADAPTER

pipe to quick-release coupling, 1/2 BSP

1шт.

14

K950493

KNOB

hand lever

1шт.

Used with 1210Q, 1212Q, 1210Sk and 1212Sk tractors.

1шт.

15

K950341

CIRCLIP

LEVER hand (Replaces lever K950410)

1шт.

Used with 1210Q, 1212Q, 1210Sk and 1212Sk tractors.

1шт.

16

38-31016

PIN,5/32" x 1", Coiled

(Replaces pin K623940) 5/32" x 1", Coiled

1шт.

Used with 1210Q, 1212Q, 1210Sk and 1212Sk tractors.

1шт.

17

238-6014

O-RING,0.07" Thk x 0.489" ID, -14, Cl 6, 90 Duro

(Replaces O-ring K623687) -014, 90 Duro, .489" ID x .070" Thk

2шт.

Used with 1210Q, 1212Q, 1210Sk and 1212Sk tractors.

1шт.

18

K621340

BUSHING

lever

1шт.

Used with 1210Q, 1212Q, 1210Sk and 1212Sk tractors.

1шт.

19

K950408

SPINDLE

LEVER AND SHAFT hand controls, no longer available

1шт.

Used with 1210Q, 1212Q, 1210Sk and 1212Sk tractors.

1шт.

20

K950409

ROD

connecting, no longer available

1шт.

Used with 1210Q, 1212Q, 1210Sk and 1212Sk tractors.

1шт.

21

K950866

LARGE PIN

clevis, 1/4 x 13/16 inch

2шт.

Used with 1210Q, 1212Q, 1210Sk and 1212Sk tractors.

1шт.

22

K950865

CLIP

spring

2шт.

Used with 1210Q, 1212Q, 1210Sk and 1212Sk tractors.

1шт.

Выбрано товаров: 53