Запчасти Case IH 1210 (9-030) - BONNET ASSEMBLY, 1210Q, 1210SK, 1212Q AND 1212SK TRACTORS FOR EUROPE ONLY (09) - CHASSIS/ATTACHMENTS

Схема запчастей Case IH 1210 - (9-030) - BONNET ASSEMBLY, 1210Q, 1210SK, 1212Q AND 1212SK TRACTORS FOR EUROPE ONLY (09) - CHASSIS/ATTACHMENTS
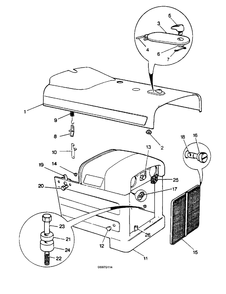
8
23
15
21
6
13
26
12
4
14
25
3
24
10
22
11
20
16
2
1
18
5
9
7
19
17
FIT
1:1
100%

Артикул

Название

Примечание

Количество

1

K951171

HOOD

BONNET ASSEMBLY top, no longer available, Includes: Ref. 2 - 7, Rivet, and Washer

1шт.

2

K916596

PLUG

rubber

4шт.

3

K962015

COVER

ASSEMBLY hatch, no longer available, Includes: Ref. 4 - 6

1шт.

4

K914557

SPRING

PIN hatch cover

1шт.

5

K942158

LEVER

hatch

1шт.

K626956

WASHER

fibre, 7/16 inch

1шт.

K626899

SHIM

WASHER brass, 7/16 inch

1шт.

6

A19811

CIRCLIP,#43, .375" Dia, E-Type

Ring, Retaining, (replaces ring K621588) #43, .375" Dia, E-Type

1шт.

7

K917749

FASTENER

SPRING hatch

1шт.

K916654

SHIM

RIVET, 1/8 x 3/8 inch (Replaces rivet K11405)

2шт.

K19495

WASHER

flat, 1/8 inch, no longer available

2шт.

8

K88680

GRIP

finger

2шт.

9

K24728

SPRING

finger grip

2шт.

K951405

BRACKET anchor, spring, no longer available

2шт.

10

K953891

SPRING

BRACKET anchor, right-hand, used with 1210Q and 1212Q tractors with serial number 11155687, no longer available

1шт.

K953892

SPRING

BRACKET anchor, left-hand, used with 1210Q and 1212Q tractors with serial number 11155687, no longer available

1шт.

413-732

BOLT,Hex, 7/16" - 14 x 2", Gr 5

hex, 7/16 NC x 2 inch, used with 1210Q and 1212Q tractors with serial number 11155687 (Replaces bolt K600714)

2шт.

492-11044

LOCK WASHER,7/16"

WASHER, LOCK, , Used with 1210Q and 1212Q tractors with S/N 11155687 (Replaces washer K626344) 7/16"

2шт.

11

K962333

HOOD

FRONT bonnet

1шт.

12

K627999

PLUG

bonnet side, inboard headlamps, no longer available

2шт.

13

K914804

PLUG

bonnet nose, inboard headlamps

4шт.

14

K921172

SHIM

GROMMET bonnet top location

2шт.

15

K947843

GUARD

LOUVRE bonnet front (Replaces louvre K947642)

1шт.

16

K921811

FASTENER

stud

2шт.

17

K946846

HOLDER

CATCH stud fastener

2шт.

18

K625404

O-RING,0.362" ID x 0.103" Width

stud fastener (Replaces O-ring K623534)

2шт.

19

K915758

LOCK

bonnet, right-hand

1шт.

19

K915759

LOCK

bonnet, left-hand

1шт.

20

490-1108

SCREW,Cross Pan Hd, #10-32 x 1/2"

- machine, pan Phillips, locks to bonnet front, No. 10 NF x 1/2 inch (Replaces screw K614944)

4шт.

K626310

WASHER

flat, locks to bonnet front, 3/16 inch, no longer available

4шт.

492-11010

LOCK WASHER,#10

WASHER, LOCK, , Locks to bonnet front (Replaces washer K626340) #10

4шт.

225-14210

NUT,#10-32

Locks to bonnet front (Replaces nut K617080) #10-32

4шт.

21

K915800

MISC PACKAGING

GROMMET upper, bonnet front to front extension

4шт.

22

K608160

STUD

bonnet front to front extension, 5/16 NC x 1-3/8 inch (Replaces stud K608128)

4шт.

K626916

WASHER

flat, 5/16 inch, bonnet front to front extension (Replaces washer K626669)

1шт.

K626686

WASHER

flat, bonnet front to front extension, 1/2 inch

4шт.

23

K915801

CLEVIS PIN

NUT special, bonnet front to front extension, 5/16 inch NC

4шт.

24

K915799

RUBBER

GROMMET lower, bonnet front to front extension

4шт.

25

K951132

DECAL

motif, no longer available

1шт.

26

K24589

GROMMET

bonnet front

2шт.

Выбрано товаров: 40