Запчасти Case IH 1210 (2-12) - CYLINDER HEAD (02) - ENGINE

Схема запчастей Case IH 1210 - (2-12) - CYLINDER HEAD (02) - ENGINE
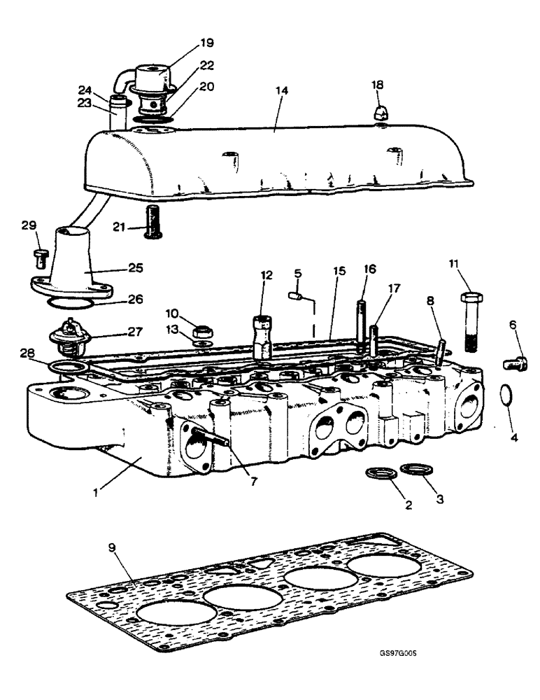
28
15
14
25
21
27
16
7
8
11
24
9
6
23
13
5
26
20
1
22
12
29
4
18
2
10
19
3
17
FIT
1:1
100%

Артикул

Название

Примечание

Количество

1

K260131

HEAD (CYLINDER)

ASSEMBLY cylinder, also order adapter K203464 (Replaces head assembly K964533), Includes: Ref. 1 - 6 and Washer

1шт.

2

K921246

INSERT

inlet seat

4шт.

3

K925019

INSERT

exhaust seat (Replaces insert K921247)

4шт.

4

41-1620

PLUG,Cup, 1 1/4", Stainless

core, 1-1/4 inch (Replaces plug K623791)

1шт.

5

K900431

PLUG

taper

4шт.

6

K19591

PLUG

1/8 BSP

1шт.

K16732

WASHER

copper, 3/8 inch

1шт.

6

K203464

ADAPTER

temperature sender, used with head assembly K260131

1шт.

7

K608203

STUD

manifold, 3/8 NC x 1-7/8 inch

12шт.

7

K608216

STUD

exhaust manifold, 3/8 NC x 1-3/8 inch

1шт.

7

K608237

STUD

inlet manifold, 3/8 NC x 1-3/4 inch

2шт.

8

K608107

STUD

injectors, 5/16 NC x 2-11/16 inch

8шт.

9

K262750

GASKET

cylinder head to cylinder block (Replaces gasket K947758)

1шт.

10

K617594

NUT

special, cylinder head to cylinder block, 1/2 inch NF

5шт.

11

326-868

BOLT,Hex, 1/2" - 13 x 4-1/4", Gr 8

hex, cylinder head to cylinder block, 1/2 NC x 4-1/4 inch, grade 8, (Replaces bolt K600870)

7шт.

12

K906536

NUT

NUT elongated, cylinder head to cylinder block, 1/2 inch NF

7шт.

13

K953429

WASHER,13.89mm ID x 23.81mm OD x 0.71mm Thk

special, 1/2 inch, cylinder head to cylinder block

19шт.

K906898

NUT

lifting, 1/2 inch NF

1шт.

14

K920678

COVER

cylinder head

1шт.

15

K905229

GASKET,3.97mm Thk

cylinder head cover

1шт.

16

K608118

STUD

cover to cylinder head, 5/16 NC x 3-7/16 inch

2шт.

17

K608119

STUD

cover to cylinder head, 5/16 NC x 2-13/16 inch

2шт.

K626653

WASHER,8.33mm ID x 14.29mm OD x 2.38mm Thk

copper-asbestos, cover to cylinder head, 5/16 inch

4шт.

18

K607252

NUT

domed, cover to cylinder head, 5/16 inch NC

4шт.

19

K948118

COVER

engine breather, no longer available, order Ref. 30-32 below

1шт.

20

K626901

O-RING,40554" ID x 40575" OD x 0.12"

O-RING engine breather, 1-11/16 inch ID

1шт.

21

13-826

BOLT,Hex, 1/2" - 13 x 1-5/8", Gr 5

Engine breather (Replaces bolt K600803) Hex, 1/2"-13 x 1 5/8", G5

1шт.

425-148

JAM NUT,Jam, 1/2"-13, G5

Engine breather (Replaces nut K607054) Jam, 1/2"-13, G5

1шт.

K626443

WASHER

copper, engine breather, 1/2 inch

1шт.

22

K945433

BUSHING

SPACER distance

1шт.

23

K205246

PIPE

HOSE engine breather, 26 inch (660 mm) long (Replaces hose K947667)

1шт.

24

214-1410

HOSE CLAMP,#10, 0.56" - 1.06", Type F Worm

CLAMP, HOSE, , Adjustable (Replaces clamp K13069) #10, 0.56/1.06 Type F Worm

1шт.

25

K915630

OUTLET

PIPE water

1шт.

26

238-5138

O-RING,0.103" Thk x 2.112" ID, -138, Cl 5, 75 Duro

(Replaces O-ring K68951) -138, 90 Duro, 2.112" ID x .103" Thk

1шт.

27

K200831

THERMOSTAT

cylinder head (Replaces thermostat K900368)

1шт.

28

K910411

GASKET

thermostat

1шт.

29

413-516

BOLT,Hex, 5/16" - 18 x 1", Gr 5

hex, 5/16 NC x 1 inch (Replaces screw K602805)

2шт.

492-11031

LOCK WASHER,5/16"

WASHER, LOCK, (Replaces washer K19481) 5/16"

2шт.

30

K210186

PIPE,23.25, 6.25" L

TUBE engine breather, not shown

1шт.

31

K210327

COVER

BREATHER engine, not shown

1шт.

32

K651817

WASHER

engine breather, not shown

1шт.

Выбрано товаров: 41