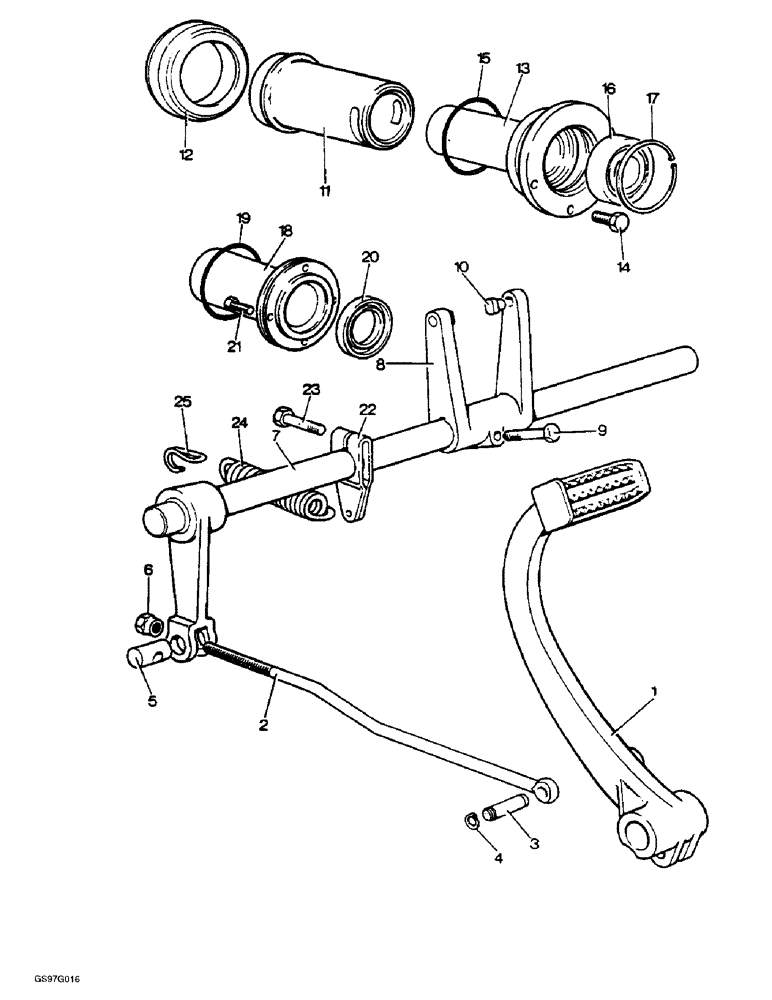
Запчасти Case IH 1210 (6-14) - RELEASE MECHANISM FOR TRANSMISSION CLUTCH, 1210, 1210G, 1212 AND 1212G TRACTORS (06) - POWER TRAIN

Схема запчастей Case IH 1210 - (6-14) - RELEASE MECHANISM FOR TRANSMISSION CLUTCH, 1210, 1210G, 1212 AND 1212G TRACTORS (06) - POWER TRAIN
20
14
9
3
15
24
7
23
10
17
22
13
11
12
6
25
21
19
5
2
8
18
4
16
1
FIT
1:1
100%

Артикул

Название

Примечание

Количество

1

K919426

CLUTCH

PEDAL (Replaces pedal K945933)

1шт.

219-8

LUBE NIPPLE,1/4" - 28 NPTF

NIPPLE, LUBE, , straight, taper (Replaces fitting K13176) 1/4"-28 NPT x .54" lg

1шт.

2

K916661

ROD

pedal to cross shaft, order rod K200394 and cut 3/8 inch off one end

1шт.

3

K950269

PIN

3/8 x 1-1/4 inch

1шт.

4

K621562

RING, SNAP

3/8 inch

2шт.

5

K14744

PIN

3/4 x 1-1/2 inch

1шт.

6

K607525

NUT

adjusting, 3/8 inch NC

1шт.

425-106

NUT,3/8"-16, Cl 5

(Replaces nut K607022) 3/8"-16, G5

1шт.

7

K915993

ARM

SHAFT AND LEVER cross

1шт.

8

K915831

TRANSMISSION

FORK clutch, no longer available

1шт.

126-22

WOODRUFF KEY,#13, 3/16" x 1"

2шт.

9

413-628

BOLT,Hex, 3/8" - 16 x 1-3/4", Gr 5

(Replaces K600406) Hex, 3/8"-16 x 1 3/4", G5

1шт.

492-11038

LOCK WASHER,3/8"

(Replaces washer K19482) 3/8"

1шт.

425-106

NUT,3/8"-16, Cl 5

(Replaces nut K607002) 3/8"-16, G5

1шт.

10

K84748

TRUNNION

PIN fork

2шт.

11

K928937

BEARING CARRIER,54.04mm ID x 76.2mm OD x 107.95mm L

CARRIER thrust bearing, Laycock clutch, used with 1210 and 1210G tractors with serial number 11154230 and after

1шт.

11

K915836

BEARING CARRIER,Clutch

CARRIER thrust bearing, Borg and Beck clutch

1шт.

12

K620153

THRUST BEARING,69.84mm ID x 103.17mm OD x 21.59mm W

thrust, transmission clutch

1шт.

13

K200487

SUPPORT

SNOUT, bearing carrier, used with 1210 and 1210G tractors with serial number 11161564 and after, no longer available

1шт.

K623430

OIL SEAL

oil, 45 x 65 x 8 mm, support snout, used with 1210 and 1210G tractors with serial number 11161564 and after

1шт.

13

K947903

BRACKET

SNOUT support, bearing carrier, three holes, used with 1210 and 1210G tractors with serial numbers, Serial Range: prior-11161564

1шт.

14

113-103

BOLT,Hex, 5/16" - 18 x 1", Gr 5

Support to main frame, used with 1210 and 1210G tractors (Replaces setscrew K602805) Hex, 5/16"-18 x 1", G5, Full Thd

3шт.

492-11031

LOCK WASHER,5/16"

WASHER, LOCK, , support to main frame, used with 1210 and 1210G tractors (Replaces washer K19481) 5/16"

3шт.

15

238-5234

O-RING,0.139" Thk x 2.984" ID, -234, Cl 5, 75 Duro

Used with 1210 and 1210G tractors (Replaces O-ring K623545) -234, 70 Duro, 2.984" ID x .139" Thk

1шт.

16

554553R91

BALL BEARING,45mm ID x 75mm OD x 16mm W

ball, clutch driveshaft, used with 1210 and 1210G tractors (Replaces bearing K620190)

1шт.

17

100-21300

SNAP RING,3.00", Int, #300

Ring, Snap, , Used with 1210 and 1210G tractors 3.00", Int, #300

1шт.

18

K940294

SUPPORT

SNOUT, bearing carrier, four holes, used with 1212 and 1212G tractors

1шт.

19

238-5234

O-RING,0.139" Thk x 2.984" ID, -234, Cl 5, 75 Duro

Used with 1212 and 1212G tractors (Replaces O-ring K623545) -234, 70 Duro, 2.984" ID x .139" Thk

1шт.

20

K623415

SEAL

oil, 46 x 65 x 10 mm, used with 1212 and 1212G tractors

4шт.

21

413-416

BOLT,Hex, 1/4" - 20 x 1", Gr 5

Support to gearbox, used with 1212 and 1212G tractors (Replaces setscrew K602705) Hex, 1/4"-20 x 1", G5

4шт.

492-11025

LOCK WASHER,1/4"

WASHER, LOCK, , Support to gearbox, used with 1212 and 1212G tractors (Replaces washer K19480) 1/4"

4шт.

22

K916477

LEVER

return spring

1шт.

23

413-632

BOLT,Hex, 3/8" - 16 x 2", Gr 5

Lever to cross shaft (Replaces bolt K600408) Hex, 3/8"-16 x 2", G5

1шт.

K19472

WASHER

flat, 3/8 inch, lever to cross shaft

1шт.

492-11038

LOCK WASHER,3/8"

lever to cross shaft 3/8"

1шт.

425-106

NUT,3/8"-16, Cl 5

(Replaces nut K607002) 3/8"-16, G5

1шт.

24

K624909

SPRING

return, cross shaft

1шт.

25

K916478

SPRING

ANCHOR return

1шт.

Выбрано товаров: 38