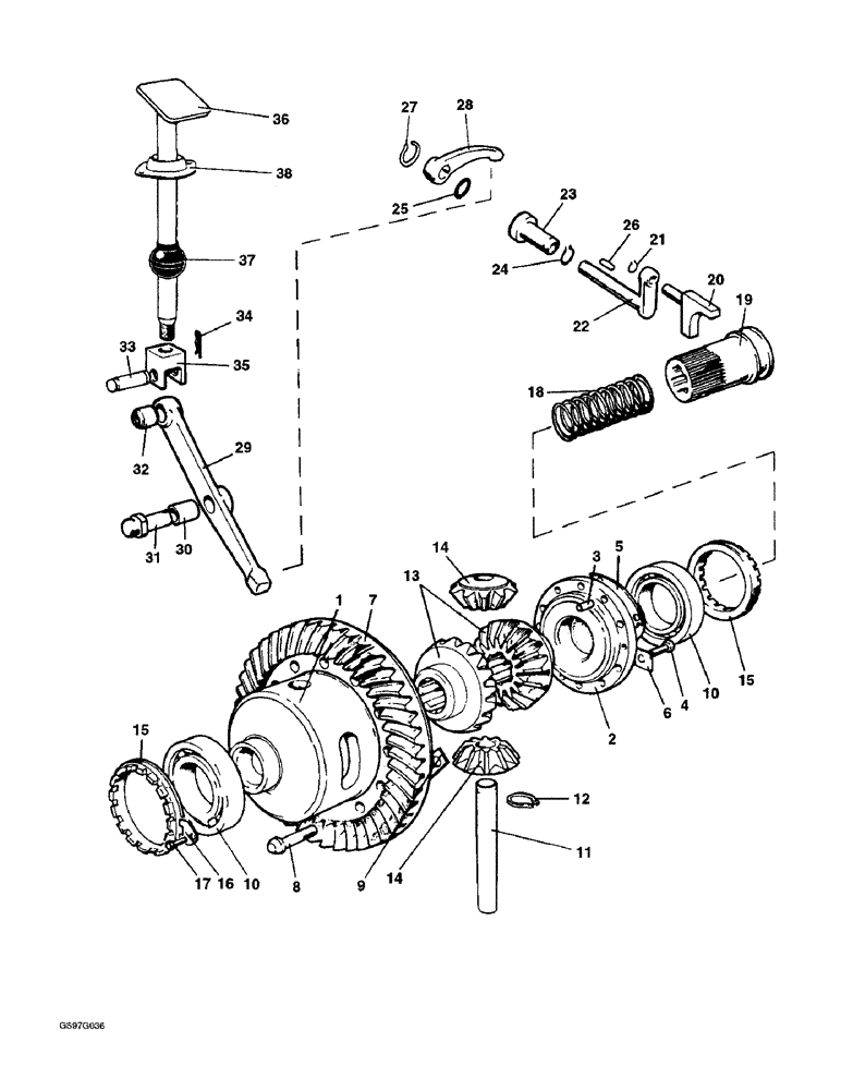
Запчасти Case IH 1210 (6-58) - DIFFERENTIAL AND DIFFERENTIAL LOCK, TRACTORS FOR EUROPE ONLY (06) - POWER TRAIN

Схема запчастей Case IH 1210 - (6-58) - DIFFERENTIAL AND DIFFERENTIAL LOCK, TRACTORS FOR EUROPE ONLY (06) - POWER TRAIN
15
22
11
9
38
6
23
20
7
36
21
2
10
1
25
19
8
26
13
37
15
12
32
31
5
27
24
3
35
18
29
33
10
14
17
4
28
30
34
16
14
FIT
1:1
100%

Артикул

Название

Примечание

Количество

1

K942316

DIFFERENTIAL

CAGE, no longer available, order cage K210383, Ref. 1, pinion K206651, Ref. 7, pin K206650, Ref. 11 and ring K11129, Ref. 12

1шт.

1

K210383

CAGE

differential

1шт.

2

K903184

FLANGE

PLATE end

1шт.

3

K621801

PIN

dowel, 3/8 x 1-1/8 inch

3шт.

4

413-616

BOLT,Hex, 3/8" - 16 x 1", Gr 5

hex, 3/8 NC x 1 inch (Replaces screw K602904)

9шт.

5

K903185

WASHER

tab

3шт.

6

K626372

WASHER

tab

3шт.

7

K964873

GEAR-SET

PINION bevel, includes spiral gear, 1210Q and 1210Sk tractors

1шт.

7

K964872

WHEEL

PINION bevel, includes spiral gear, 1210Q and 1210Sk four-wheel drive tractors

1шт.

7

K962894

GEAR-SET

PINION bevel, includes spiral gear, 1212Q and 1212Sk tractors

1шт.

7

K206651

GEAR

PINION bevel, 10 tooth, used with cage K210383

1шт.

8

K905664

WHEEL BOLT

special, 7/16 NC

12шт.

9

K30236

WASHER

tab

6шт.

425-107

NUT,7/16"-14, G5

hex, 7/16 inch NC (Replaces nut K607003)

6шт.

10

K19010

BALL BEARING

ball

2шт.

11

K942318

PIN

1-1/8 inch ID

1шт.

11

K206650

PIN

bevel pinion, 1-1/4 inch diameter, used with pinion K206651

1шт.

12

K12207

RING, SNAP

1-1/8 inch

2шт.

12

K11129

RING, SNAP

1-1/4 inch diameter, used with pin K206650, Ref. 11

2шт.

13

K30234

CONE PINION

WHEEL bevel, 16 tooth

2шт.

14

K942317

DIFFERENTIAL

WHEEL bevel, 10 tooth

2шт.

15

K15007

RING, LOCKING

WHEEL adjuster

2шт.

16

K626420

WASHER

PLATE lock

2шт.

17

13-58

BOLT,Hex, 5/16" - 18 x 1/2", Gr 5

(Replaces screw K602801) Hex, 5/16"-18 x 1/2", G5, Full Thd

2шт.

18

K625119

SPRING

return

1шт.

19

K903191

SLEEVE

locking

1шт.

20

K903226

SELECTOR

FORK

1шт.

K626674

WASHER

special, 1/2 inch

1шт.

21

K11302

RING, SNAP

1/2 inch

1шт.

22

K903197

SHAFT

AND ARM selector fork

1шт.

23

K903494

BUSHING

rear axle housing

1шт.

24

100-1187

SNAP RING,#87, Ext

Ring, Snap, (Replaces K34454) #87, Ext

1шт.

25

238-6114

O-RING,0.103" Thk x 0.612" ID, -114, Cl 6, 90 Duro

(Replaces O-ring K24676) -114, 90 Duro, .612" ID x .103" Thk

1шт.

26

K622309

KEY

3/16 x 5/32 x 3/4 inch

1шт.

27

K11797

RING, SNAP

5/8 inch

1шт.

28

K950442

LEVER

selector fork, no longer available

1шт.

29

K955070

LEVER

actuating, no longer available

1шт.

30

K628741

BUSHING

lever pivot

1шт.

31

K950531

PIN

pivot, no longer available

1шт.

32

K949602

BUSHING

lever end, no longer available

1шт.

33

K949601

PIN

clevis, 3/8 x 1-13/16 inch, no longer available

1шт.

K19472

WASHER

flat, 3/8 inch

2шт.

34

K621573

RING, SNAP

CLIP spring

2шт.

35

K949600

FORK

END, 1/2 NC, no longer available

1шт.

36

K955590

PEDAL

differential lock, used with tractor serial number 11158600 and after, no longer available

1шт.

36

K950533

LOCK

PEDAL differential lock, used with tractor serial numbers prior to 11158600, no longer available

1шт.

425-108

NUT,1/2" - 13, Gr 5

NUT, (Replaces nut K607047) 1/2"-13, G5

1шт.

37

K950448

BEARING

spherical, no longer available

1шт.

38

K950447

PLATE

support, bearing to cab, no longer available

2шт.

Выбрано товаров: 49