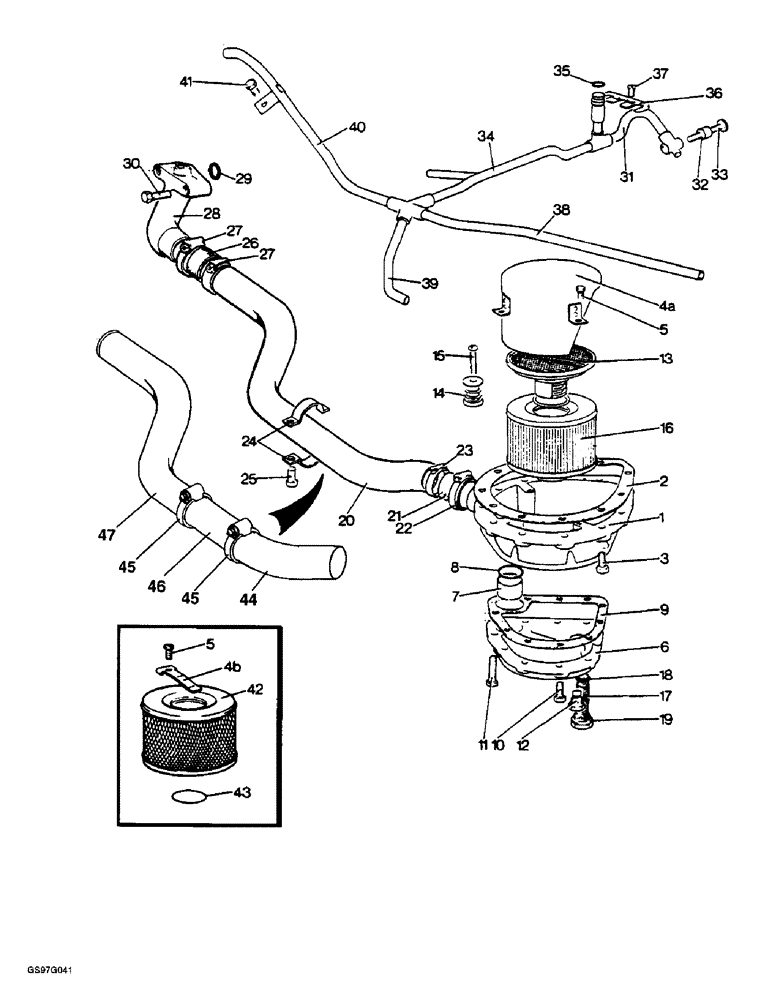
Запчасти Case IH 1210 (8-02) - SUCTION STRAINER AND LOW PRESSURE PIPES (08) - HYDRAULICS

Схема запчастей Case IH 1210 - (8-02) - SUCTION STRAINER AND LOW PRESSURE PIPES (08) - HYDRAULICS
34
5
26
33
25
31
28
30
22
41
4b
45
21
14
8
1
44
20
19
9
11
36
37
35
2
5
3
42
6
38
15
29
23
27
16
7
32
46
39
43
18
4a
45
13
27
17
10
40
24
12
47
FIT
1:1
100%

Артикул

Название

Примечание

Количество

1

K940382

HOUSING

suction strainer, no longer available, order housing K205042, bolt 413-528, bolt 413-548 and washer 492-11031

1шт.

1

K205042

HOUSING

suction strainer

1шт.

413-528

BOLT,Hex, 5/16" - 18 x 1-3/4", Gr 5

1шт.

413-548

BOLT,Hex, 5/16" - 18 x 3", Gr 5

hex, 5/16 NC x 3 inch

1шт.

492-11031

LOCK WASHER,5/16"

WASHER, LOCK, 5/16"

1шт.

2

K940407

GASKET

housing

1шт.

3

413-518

BOLT,Hex, 5/16" - 18 x 1-1/8", Gr 5

hex, 5/16 NC x 1-1/8 inch (Replaces screw K602806)

10шт.

492-11031

LOCK WASHER,5/16"

WASHER, LOCK, (Replaces washer K19481) 5/16"

10шт.

4a

K929849

COVER

filter to housing, used with 1210, 1212, 1210G and 1212G tractors with serial numbers prior to 1115276; 1210Q, 1212Q, 1210Sk, 1212Sk, 1210SkG and 1212SkG tractors with serial numbers, Serial Range: prior-11152617

1шт.

4b

K953845

RETAINER

PLATE - retainer, suction strainer, used with 1210, 1212, 1210G & 1212G tractors with S/N 1115276 and after; 1210Q, 1212Q, 1210Sk, 1212Sk, 1210SkG & 1212SkG tractors with S/N 11152617 & after, no longer available (Replaces plate K952136)

1шт.

92-3

LOCK WASHER,#10

WASHER, LOCK, , Used with cover K929849, Ref. 4A #10

3шт.

5

K614021

SET SCREW,#10 - 32 x 1/2"

No. 10 NF x 1/2 inch, three used with cover K929849, one used with plate K953845 (Replaces screw K613984)

1шт.

92-3

LOCK WASHER,#10

WASHER, LOCK, , Used with plate K953845, Ref. 4B #10

1шт.

K609691

PLUG

taper, 1/8 NPT, used with plate K953845, Ref. 4B

1шт.

6

K205042

HOUSING

COVER gearbox sump (Replaces cover K940399)

1шт.

7

K921882

SEAL

INSERT sump cover

1шт.

8

238-5224

O-RING,0.139" Thk x 1.734" ID, -224, Cl 5, 75 Duro

Sump cover to housing (Replaces O-ring K15533) -224, 70 Duro, 1.734" ID x .139" Thk

1шт.

9

K940408

GASKET

sump, Serial Range: cover-housing

1шт.

10

413-536

BOLT,Hex, 5/16" - 18 x 2-1/4", Gr 5

hex, sump cover to housing, 5/16 NC x 2-1/4 inch

9шт.

11

13-584

BOLT,Hex, 5/16" - 18 x 5-1/4", Gr 5

hex, sump cover to housing, 5/16 NC x 5-1/4 inch (Replaces bolt K600226)

1шт.

492-11031

LOCK WASHER,5/16"

WASHER, LOCK, (Replaces washer K19481) 5/16"

10шт.

12

K623842

PLUG

drain, 5/8 inch NC, no longer available

1шт.

238-6011

O-RING,0.07" Thk x 0.301" ID, -11, Cl 6, 90 Duro

(Replaces O-ring K14573) -011, 90 Duro, .301" ID x .070" Thk

1шт.

K626795

WASHER

sealing, 5/8 inch

1шт.

K929853

FILTER

ASSY - used w/1210, 1212, 1210G & 1212G tracs. w/S/N prior to 1115276; 1210Q, 1212Q, 1210Sk, 1212Sk, 1210SkG & 1212SkG tracs. w/S/N prior to 11152617, no longer available, order valve assy. K920521, item 13 & element K929095, item 16, Includes Ref 13 - 16

1шт.

ITEM K929853 USED WITH 1210,1212,1210G,1212G TRACTORS PRIOR TO SERIAL NUMBER SHOULD READ 11152576.

1шт.

13

K920521

VALVE

ASSEMBLY includes screen, Ref. 14 - 15, and nut

1шт.

14

K904390

PLUG

MAGNET valve (Replaces magnet K942788)

1шт.

15

K624300

SCREW

2 BA x 1-1/2 inch

1шт.

K623002

LOCK NUT

hex, self-locking, 2 BA

1шт.

16

K929095

FILTER, ELEMENT

paper

1шт.

17

K205927

FILTER

inlet, gearbox sump, used with 1212, 1212G and 1212Q tractors (Replaces filter K942039)

1шт.

18

238-6116

O-RING,0.103" Thk x 0.737" ID, -116, Cl 6, 90 Duro

Used with 1212, 1212G and 1212Q tractors (Replaces O-ring K24555) -116, 90 Duro, .737" ID x .103" Thk

1шт.

K623830

PLUG

1 inch BSP, used with 1210, 1210G and 1210Q tractors

1шт.

19

K11120

SEALING WASHER

WASHER sealing

1шт.

20

K945282

PIPE

inlet, no longer available, order Ref. 44 - 47

1шт.

21

K924378

HOSE

CONNECTION, pipe to suction strainer housing

1шт.

22

214-1436

HOSE CLAMP,#36, 1.81" - 2.75", Type F Worm

CLAMP, HOSE, , Adj, Pipe to suction strainer housing (Replaces clip K11806) #36, 1.81/2.75 Type F Worm

1шт.

23

214-1432

HOSE CLAMP,#32, 1.56" - 2.5", Type F Worm

CLAMP, HOSE, , Adjustable, Pipe to suction strainer housing (Replaces clips K621960 and K622030) #32, 1.56/2.50 Type F Worm

1шт.

24

K916897

SHIM

BRACKET pipe to main frame

4шт.

25

113-102

BOLT,Hex, 5/16" - 18 x 3/4", Gr 5

Hex, 5/16"-18 x 3/4", G5, Full Thd, Pipe to main frame (Replaces setscrew K602803)

4шт.

K626682

WASHER

flat, pipe to main frame, 5/16 inch

4шт.

492-11031

LOCK WASHER,5/16"

WASHER, LOCK, , pipe to main frame 5/16"

4шт.

26

K917126

HOSE

CONNECTION

1шт.

27

K622030

CLAMP

CLIP hose, 2-1/4 inch (Replaces clip K621960)

2шт.

28

K950129

FITTING

ELBOW pump inlet

1шт.

29

238-5212

O-RING,0.139" Thk x 0.859" ID, -212, Cl 5, 75 Duro

Elbow to pump (Replaces O-ring K623561) -212, 70 Duro, .859" ID x .139" Thk

1шт.

30

413-536

BOLT,Hex, 5/16" - 18 x 2-1/4", Gr 5

elbow to pump, hex, 5/16 NC x 2-1/4 inch (Replaces bolt K600211)

2шт.

492-11031

LOCK WASHER,5/16"

WASHER, LOCK, , elbow to pump (Replaces washer K19481) 5/16"

2шт.

31

K915339

TUBE

PIPE control, Serial Range: valve-tee

1шт.

32

K912269

BUSHING

threaded, 1/2 x 5/16 inch NC

1шт.

K626577

WASHER

sealing, 1/2 inch

1шт.

425-148

JAM NUT,Jam, 1/2"-13, G5

(Replaces nut K607084) Jam, 1/2"-13, G5

1шт.

33

413-538

BOLT,Hex, 5/16" - 18 x 2-3/8", Gr 5

hex, 5/16 NC x 2-3/8 inch (Replaces bolt K602816)

1шт.

B90396

HARDWARE

NUT lock, 5/16 inch NC (Replaces nut K607081)

1шт.

34

K916891

PIPE

distribution block to cross-piece, no longer available

1шт.

35

K625405

O-RING,0.549" ID x 0.103" Width

9/16 inch ID (Replaces O-ring K623557)

1шт.

36

K915344

WASHER

PLATE locating, no longer available

1шт.

37

K604904

SCREW hex, 1/4 NC x 5/8 inch (Replaces screw K603662)

2шт.

38

K919662

PIPE

lubrication, multi-speed PTO, used with 1210, 1210Q, 1212 and 1212Q tractors, no longer available

1шт.

38

K923462

PIPE

lubrication, multi-speed PTO, used with 1210G and 1212G tractors, no longer available

1шт.

38

K950514

PIPE

lubrication, reversible shaft PTO, used with 1210, 1210Q, 1212 and 1212Q tractors

1шт.

39

K913785

PIPE,0.5" OD

ram cylinder lubrication

1шт.

40

K942372

PIPE

gearbox lubrication, used with 1212, 1212G and 1212Q tractors, no longer available

1шт.

40

K951641

PIPE

gearbox lubrication, used with 1210, 1210G and 1210Q tractors with serial number 11153600 and after, no longer available

1шт.

40

K940995

PIPE

gearbox lubrication, used with 1210 and 1210G tractors with serial numbers prior to 11153600, no longer available

1шт.

41

413-48

BOLT,Hex, 1/4" - 20 x 1/2", Gr 5

(Replaces setscrew K602701) Hex, 1/4"-20 x 1/2", G5, Full Thd

1шт.

492-11025

LOCK WASHER,1/4"

WASHER, LOCK, (Replaces washer K19480) 1/4"

1шт.

42

K946089

STRAINER ELEMENT

suction, used with 1210, 1212, 1210G and 1212G tractors with serial number 1115276 and after; 1210Q, 1212Q, 1210Sk, 1212Sk, 1210SkG and 1212SkG tractors with serial number 11152617 and after

1шт.

43

238-5220

O-RING,0.139" Thk x 1.359" ID, -220, Cl 5, 75 Duro

Used with 1210, 1212, 1210G and 1212G tractors with serial number 1115276 and after; 1210Q, 1212Q, 1210Sk, 1212Sk, 1210SkG and 1212SkG tractors with S/N 11152617 and after (Replaces O-ring K15279) -220, 70 Duro, 1.359" ID x .139" Thk

1шт.

44

K204088

HOSE,1.75" OD x 11.312, 3.562" L

PIPE suction, rear

1шт.

45

214-1432

HOSE CLAMP,#32, 1.56" - 2.5", Type F Worm

CLAMP, HOSE, , Adjustable #32, 1.56/2.50 Type F Worm

2шт.

46

K917126

HOSE

CONNECTION

1шт.

47

K204087

PIPE

suction, front

1шт.

Выбрано товаров: 74