Запчасти Case IH 1210 (8-14) - EXTERNAL FILTER AND HIGH PRESSURE PIPES (08) - HYDRAULICS

Схема запчастей Case IH 1210 - (8-14) - EXTERNAL FILTER AND HIGH PRESSURE PIPES (08) - HYDRAULICS
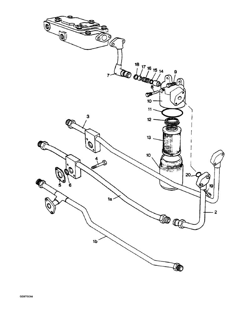
1a
4
19
8
1b
10
15
9
12
18
11
20
5
10
13
7
2
3
17
16
14
6
FIT
1:1
100%

Артикул

Название

Примечание

Количество

1a

K954510

PIPE

bleed valve to union, single pump, used with tractor serial number 11157691 and after, no longer available (Replaces pipe K952352 when used with pipe K954512, Ref. 2 below)

1шт.

1b

K954511

PIPE

bleed valve to union, tandem pump, used with tractor serial number 11157520 and after, no longer available (Replaces pipe K952537 when used with pipe K954512, Ref. 2 below)

1шт.

2

K954512

PIPE

union to filter, no longer available (Replaces pipe K952352 when used with pipe K954510, Ref. 1A and pipe K952357 when used with pipe K954511, Ref. 1B)

1шт.

3

K952352

PIPE bleed valve to filter, single pump, used with 1210, 1212, 1210G, 1212G tractors with serial numbers from 11152576 to 11157691 and 1210Q, 1212Q, 1210Sk and 1212Sk tractors with serial numbers from, Serial Range: 11152617-11157691

1шт.

3

K952537

PIPE

bleed valve to filter, tandem pump, used with 1210, 1212, 1210G, 1212G tractors with serial numbers from 11152576 to 11157520 and 1210Q, 1212Q, 1210Sk and 1212Sk tractors with serial numbers from, Serial Range: 11152617-11157520

1шт.

4

K692128

BOLT

hex, 3/8 NC x 2-5/8 inch (Replaces bolt K600413)

2шт.

492-11038

LOCK WASHER,3/8"

(Replaces washer K19482) 3/8"

2шт.

5

K928522

SEAL

pipe, bleed, Serial Range: valve-union

1шт.

6

K14509

O-RING,0.796" ID x 1.047" OD x 0.139"

13/16 inch ID

2шт.

7

K952535

PIPE

filter to combining valve, tandem pump

1шт.

7

K952530

PIPE

filter to distribution block, single pump

1шт.

8

K947791

PIN

PIN, filter outlet pipe to filter head

1шт.

K626522

SEALING WASHER

sealing, filter outlet pipe to filter head

1шт.

238-5210

O-RING,0.139" Thk x 0.734" ID, -210, Cl 5, 75 Duro

Filter outlet pipe to filter head -210, 70 Duro, .734" ID x .139" Thk

1шт.

S7172

GASKET

RING filter outlet pipe to filter head (Replaces ring K628067)

1шт.

9

413-620

BOLT,Hex, 3/8" - 16 x 1-1/4", Gr 5

hex, filter to ramshaft bracket, 3/8 NC x 1-1/4 inch

2шт.

492-11038

LOCK WASHER,3/8"

filter to ramshaft bracket (Replaces washer K19482) 3/8"

2шт.

10

K952363

FILTER

ASSEMBLY complete, Includes: Ref. 11 - 18, Head, and Bowl

1шт.

NSS

NOT SOLD SEPARAT

HEAD filter, order filter assembly K952363

1шт.

NSS

NOT SOLD SEPARAT

BOWL filter, order filter assembly K952363

1шт.

11

238-5239

O-RING,0.139" Thk x 3.609" ID, -239, Cl 5, 75 Duro

filter bowl to filter head, 3-5/8 ID x 1/8 inch wide (Replaces O-ring K628866)

1шт.

K628915

RING

anti-extrusion, filter bowl to filter head, used with tractor serial number 11157412 and after

1шт.

12

K625299

SPRING

ejector, element

1шт.

13

K210049

FILTER, ELEMENT

includes seals (Replaces element K946095)

1шт.

14

K953564

VALVE

PLUNGER by-pass

1шт.

15

K626406

WASHER

by-pass valve

1шт.

16

K625298

WASHER

SPRING by-pass valve

1шт.

17

K953563

RETAINER

spring, by-pass valve, no longer available

1шт.

18

K621493

SNAP RING,#81K, .853", Int, Spiral

spring, by-pass valve, 27/32 inch, no longer available

1шт.

K24852

O-RING,0.103" Thk x 0.674" ID, -115, Cl 6, 90 Duro

filter outlet to combining valve or distribution block, 11/16 inch

1шт.

413-516

BOLT,Hex, 5/16" - 18 x 1", Gr 5

hex, filter outlet to combining valve or distribution block, 5/16 NC x 1 inch (Replaces setscrew K602805)

2шт.

492-11031

LOCK WASHER,5/16"

WASHER, LOCK, , filter outlet to combining valve or distribution block (Replaces washer K19481) 5/16"

2шт.

19

413-522

BOLT,Hex, 5/16" - 18 x 1-3/8", Gr 5

hex, filter inlet pipe to filter head, 5/16 NC x 1-3/8 inch

2шт.

492-11031

LOCK WASHER,5/16"

WASHER, LOCK, , filter inlet pipe to filter head 5/16"

2шт.

20

238-6115

O-RING,0.103" Thk x 0.674" ID, -115, Cl 6, 90 Duro

Filter inlet pipe to filter head (Replaces O-ring K24852) -115, 90 Duro, .674" ID x .103" Thk

1шт.

Выбрано товаров: 35