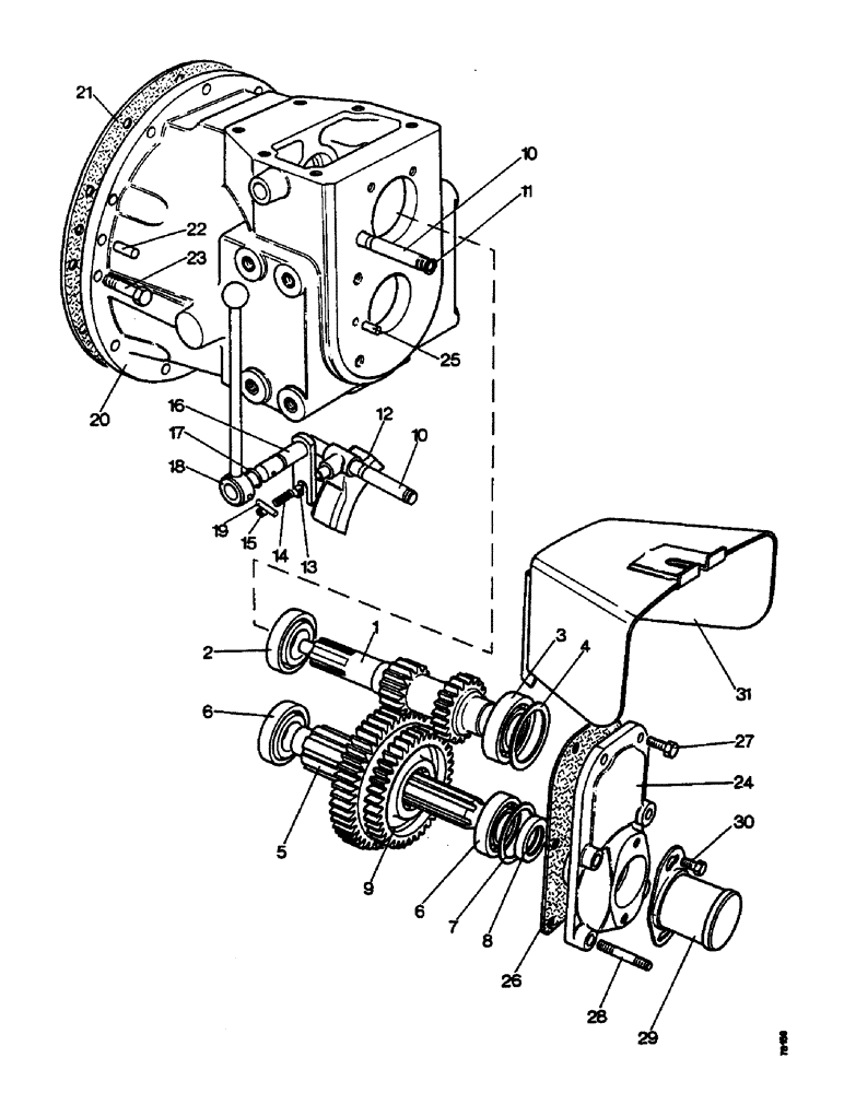
Запчасти Case IH 1210 (J06) - PTO AND BELT PULLEYS, MULTI-SPEED POWER TAKE-OFF UNIT, 1210 AND 1212 TRACTORS Auxiliary Drive Units

Схема запчастей Case IH 1210 - (J06) - PTO AND BELT PULLEYS, MULTI-SPEED POWER TAKE-OFF UNIT, 1210 AND 1212 TRACTORS Auxiliary Drive Units
30
19
29
16
10
3
8
6
27
1
21
28
7
9
10
24
6
2
4
26
14
20
22
11
23
17
12
15
25
31
13
5
18
FIT
1:1
100%

Артикул

Название

Примечание

Количество

K918682

PTO

UNIT, Includes: Ref. 1 - 30

1шт.

1

K915556

SHAFT

DRIVESHAFT

1шт.

2

K620046

BEARING

TAPER ROLLER BEARING

1шт.

3

K690766

TAPERED BEARING

TAPER ROLLER BEARING

1шт.

4a

K962848

SHIM,.003" Thk

1шт.

4b

K962849

SHIM,.005" Thk

1шт.

4c

K962850

SHIM,.007" Thk

1шт.

4d

K962851

SHIM,.010" Thk

1шт.

4e

K962852

SHIM,.025" Thk

1шт.

5

K915562

SHAFT

DRIVEN SHAFT

1шт.

6

K620046

BEARING

TAPER ROLLER BEARING

2шт.

7a

K915557

SHIM,53.98mm ID x 64.29mm OD x 0.05mm Thk

(.002") 0.05mm Thk

1шт.

7b

K915558

SHIM,53.98mm ID x 64.29mm OD x 0.08mm Thk

(0.003") 0.076mm Thk

1шт.

7c

K915559

SHIM,53.98mm ID x 64.29mm OD x 0.13mm Thk

(0.005") 0.127mm Thk

1шт.

7d

K915560

SHIM

0.010 in

1шт.

7e

K915561

SHIM

0.028 in

1шт.

8

K15177

OIL SEAL

OIL SEAL, 1-3/8 x 2-1/8 x 3/8 in

1шт.

9

K915563

GEAR

(44/38 teeth)

1шт.

10

K915567

SELECTOR

ROD

1шт.

K11302

RING, SNAP

CIRCLIP, 1/2 in, external

1шт.

11

K621470

RING, SNAP

CIRCLIP, 12 mm external

1шт.

12

K915568

SELECTOR

FORK

1шт.

13

K17063

BALL

STEEL BALL, 1/4 in

1шт.

14

K24831

SPRING

1шт.

15

K606021

SCREW

GRUBSCREW, 5/16 UNC

1шт.

16

K915569

SELECTOR

LEVER

1шт.

K15499

WASHER

3/4 in, special

3шт.

17

K623557

O-RING

'O' RING, 9/16 in internal dia.

1шт.

18

K943716

LEVER

OPERATING LEVER

1шт.

19

K623726

PIN

MILLS PIN, 1/4 x 1-1/2 in

1шт.

20a

K948931

PTO

CASE, SG iron

1шт.

Used on model 1210, S/N 731802 and after

1шт.

Used on model 1212, S/N 100524 and after

1шт.

20b

K948930

CASE

cast iron

1шт.

Used on model 1210, from S/N 729236 to S/N 731802

1шт.

Used on model 1212, from S/N 1004112 to 100524

1шт.

K623789

PLUG

CORE PLUG, 1 in dia.

1шт.

Used on model 1210, S/N 731802 and after

1шт.

Used on model 1212, S/N 100524 and after

1шт.

21

K922591

GASKET

case to rear axle

1шт.

22

K61412

PIN

DOWEL, 7/16 x 1-1/4 in, case to rear axle

1шт.

23

K603006

SCREW

BOLT, 7/16 UNC x 1-3/8 in, case to rear axle

12шт.

K19483

SPRING WASHER

SPRING WASHER, 7/16 in, case to rear axle

12шт.

24

K915595

COVER

END COVER

1шт.

25

K14577

DOWEL

1/4 x 9/16 in

2шт.

26

K924217

GASKET

1шт.

27

9635884

BOLT,Hex, 5/16" - 18 1", Full Thd, Gr 5

SETSCREW, 5/16 UNC x 1 in

2шт.

K19481

SPRING WASHER

SPRING WASHER, 5/16 in

2шт.

28

K608311

STUD

7/16 UNC x 2-5/16 in

4шт.

K19483

SPRING WASHER

SPRING WASHER, 7/16 in

4шт.

280717

NUT,7/16"-14, G5

4шт.

29

K909111

COVER

PTO shaft

1шт.

K626682

WASHER

5/16 in

2шт.

30

K602840

SCREW

SETSCREW, 5/16 UNC x 1/2 in

2шт.

31

K906893

GUARD

PTO GUARD (U378 (K906988)

1шт.

Выбрано товаров: 55