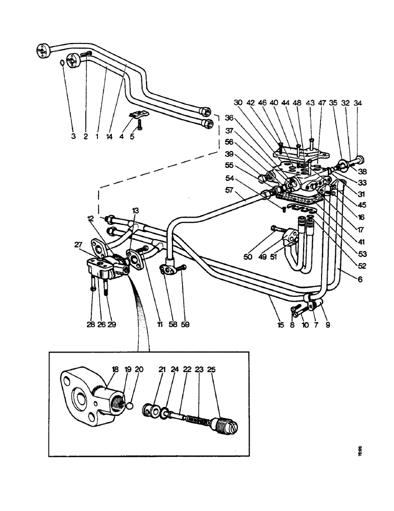
Запчасти Case IH 1210 (E09A) - SELECTAMATIC HYDRAULIC SYSTEM, HIGH PRESSURE PIPES FOR TANDEM PUMP, 1210, 1212 TRACTORS (07) - HYDRAULIC SYSTEM

Схема запчастей Case IH 1210 - (E09A) - SELECTAMATIC HYDRAULIC SYSTEM, HIGH PRESSURE PIPES FOR TANDEM PUMP, 1210, 1212 TRACTORS (07) - HYDRAULIC SYSTEM
3
55
41
14
11
54
39
30
25
46
27
4
6
5
50
58
42
23
26
20
16
15
49
22
52
1
9
28
8
35
32
13
29
31
17
47
59
19
45
53
44
33
10
36
57
2
7
21
37
43
34
18
12
56
40
48
38
51
24
FIT
1:1
100%

Артикул

Название

Примечание

Количество

1

K919408

PIPE

rear pump outlet

1шт.

33

K623594

O-RING,0.072" Thk x 0.414" ID, -905, Cl 6, 90 Duro

1шт.

2

K606504

SCREW

1/4 UNC x 1 in

8шт.

3

K24676

O-RING,0.103" Thk x 0.612" ID, -114, Cl 6, 90 Duro

'O' RING, 5/8 in. internal dia.

2шт.

4

K916899

BRACKET

outlet pipes

2шт.

5

K602806

BOLT

SETSCREW, 5/8 UNC x 1-1/8 in

2шт.

K19481

SPRING WASHER

SPRING WASHER, 5/16 in

2шт.

6

K928526

PIPE

relief valve to combining valve

1шт.

7

K621686

CLIP

pipes to right-hand hitch bracket

2шт.

K628240

STRIP

RUBBER STRIP, pipes to right-hand hitch bracket

1шт.

8

K602906

SCREW

SETSCREW, 3/8 UNC x 1-1/4 in, pipes to right-hand hitch bracket

1шт.

9

K627046

BUSHING

DISTANCE PIECE, pipes to right-hand hitch bracket

1шт.

10

K600410

BOLT

3/8 UNC x 2-1/4 in, pipes to right-hand hitch bracket

1шт.

280136

NUT,3/8"-16, G8

Pipes to RH hitch bracket 3/8"-16, G8

1шт.

K19482

SPRING WASHER

SPRING WASHER, 3/8 in, pipes to right-hand hitch bracket

2шт.

413-618

BOLT,Hex, 3/8" - 16 x 1-1/8", Gr 5

SETSCREW, 3/8 UNC x 1-1/8 in, pipe to relief valve

2шт.

11

K600408

BOLT,3/8" x 2"

3/8 UNC x 2 in, pipe to relief valve

2шт.

K19482

SPRING WASHER

SPRING WASHER, 3/8 in, pipe to relief valve

4шт.

K928522

SEAL

pipe to relief valve

1шт.

12

K919415

SEAL

pipe to relief valve

2шт.

13

K14509

O-RING,0.796" ID x 1.047" OD x 0.139"

'O' RING, 13/16 in. internal dia., pipe to relief valve

3шт.

14

K919532

PIPE

front pump outlet

1шт.

15

K919534

PIPE

relief valve to combining valve

1шт.

16

9635884

BOLT,Hex, 5/16" - 18 1", Full Thd, Gr 5

SETSCREW, 5/16 UNC x 1 in, pipes to combining valve

4шт.

K19481

SPRING WASHER

SPRING WASHER, 5/16 in, pipes to combining valve

4шт.

17

K24852

O-RING,0.103" Thk x 0.674" ID, -115, Cl 6, 90 Duro

'O' RING, 11/16 in. internal dia., pipes to combining valve

2шт.

K928525

VALVE

BLEED VALVE, Includes: Ref. 18 - 25

1шт.

18

K928518

HOUSING

BODY

1шт.

19

K924115

BALL

RETAINER, ball

1шт.

20

K620089

BALL

9/32 in dia.

1шт.

K626792

WASHER

5/16 in, special

1шт.

21

K924321

VALVE

SEAT

1шт.

22

K924117

PLUNGER

1шт.

23

K625233

SPRING

1шт.

24

K24554

O-RING

'O' RING, 3/8 in. internal dia.

1шт.

25

K924116

PLUG

5/8 UNF, special

1шт.

26

K919417

VALVE

RELIEF VALVE, pre-set assembly

1шт.

27

K24852

O-RING,0.103" Thk x 0.674" ID, -115, Cl 6, 90 Duro

'O' RING, 11/16 in. internal dia., relief valves to main frame

2шт.

28

K600608

BOLT

7/16 UNC x 2-1/4 in, relief valves to main frame

3шт.

29

K608315

STUD

7/16 UNC x 2-3/4 in, relief valves to main frame

1шт.

280717

NUT,7/16"-14, G5

Relief valves to main frame 7/16"-14, G5

1шт.

K19483

SPRING WASHER

SPRING WASHER, 7/16 in, relief valves to main frame

4шт.

K626522

SEALING WASHER

SEALING WASHER, 7/16 in

2шт.

30

K919808

VALVE

COMBINING VALVE ASSEMBLY, Includes: Ref. 31 - 38 and screw and spring washer

1шт.

31

K623557

O-RING

'O' RING, 9/16 in. internal dia.

2шт.

32

K919702

SPOOL

EXTENSION, spool

1шт.

34

K919703

KNOB

1шт.

35

K919704

CAP

1шт.

36

K923576

SPARE PART

CAP

1шт.

37

K915393

FOAM

BREATHER PAD

1шт.

38

86625206

SCREW,Phillips Drive, Pan HD, #10 - 32 x 1/2"

No. 10 UNF x 1/2 in

2шт.

K614946

SCREW,Pan, #10 - 32 x 3/4"

No. 10 UNF x 3/4 in

2шт.

K19488

SPRING WASHER

SPRING WASHER, 3/16 in

4шт.

39

K619528

PLUG

7/8 UNF

1шт.

K30085

GASKET

FIBRE WASHER, 7/8 in

1шт.

40

K919242

COVER

PLATE

1шт.

41

K917387

GASKET

cover and valve to axle case

1шт.

42

88206

BOLT,Hex, 3/8" - 16 x 1", Gr 5

Cover and valve to axle case Hex, 3/8"-16 x 1", G5, Full Thd

2шт.

43

K600421

BOLT

3/8 UNC x 4-1/4 in, cover and valve to axle case

1шт.

44

K600419

BOLT

3/8 UNC x 3-3/4 in, cover and valve to axle case

2шт.

45

K600417

BOLT

3/8 UNC x 3-1/4 in, cover and valve to axle case

1шт.

K19482

SPRING WASHER

SPRING WASHER, 3/8 in, cover and valve to axle case

6шт.

46

K24852

O-RING,0.103" Thk x 0.674" ID, -115, Cl 6, 90 Duro

'O' RING, 11/16 in. internal dia., cover and valve to axle case

3шт.

47

K24556

O-RING,0.734" ID x 1.012" OD x 0.139"

'O' RING, 3/4 in. internal dia., cover and valve to axle case

2шт.

48

K623588

O-RING,2.69mm Thk x 29.97mm ID, 75 Duro

'O' RING, 1-3/16 in internal dia., cover and valve to axle case

2шт.

49

K928773

NO LONGER SERVICED

PIPE, control valve to combining valve

1шт.

50

K600405

BOLT

3/8 UNC x 1-5/8 in, pipe to control valve

2шт.

K19482

SPRING WASHER

SPRING WASHER, 3/8 in, pipe to control valve

2шт.

51

K24779

O-RING,0.103" Thk x 0.424" ID, -11, Cl 6, 90 Duro

'O' RING, 7/16 in. internal dia., pipe to control valve

2шт.

52

K623557

O-RING

'O' RING, 9/16 in. internal dia.

2шт.

53

K915344

WASHER

LOCATING PLATE

1шт.

54

K603662

SCREW

SETSCREW, 1/4 UNC x 5/8 in

2шт.

55

K626026

FITTING

UNION, combining valve outlet

1шт.

K30085

GASKET

FIBRE WASHER, 7/8 in

1шт.

56

K623592

O-RING,0.097" Thk x 0.755" ID, -910, Cl 6, 90 Duro

'O' RING, 5/8 in. internal dia.

1шт.

57

K919244

PIPE,16.375, 4.875" L

combining valve to ram cylinder

1шт.

58

K24852

O-RING,0.103" Thk x 0.674" ID, -115, Cl 6, 90 Duro

'O' RING, 11/16 in. internal dia.

1шт.

59

280345

BOLT,Hex, 5/16" - 18 x 7/8", Gr 5, Full Thd

SETSCREW, 5/16 UNC x 7/8 in

2шт.

K19481

SPRING WASHER

SPRING WASHER, 5/16 in

2шт.

Выбрано товаров: 79