Запчасти Case IH 1210 (E30) - SELECTAMATIC HYDRAULIC SYSTEM, ADJUSTABLE SENSING UNIT U1155, EARLIER 1212 TRACTORS (07) - HYDRAULIC SYSTEM

Схема запчастей Case IH 1210 - (E30) - SELECTAMATIC HYDRAULIC SYSTEM, ADJUSTABLE SENSING UNIT U1155, EARLIER 1212 TRACTORS (07) - HYDRAULIC SYSTEM
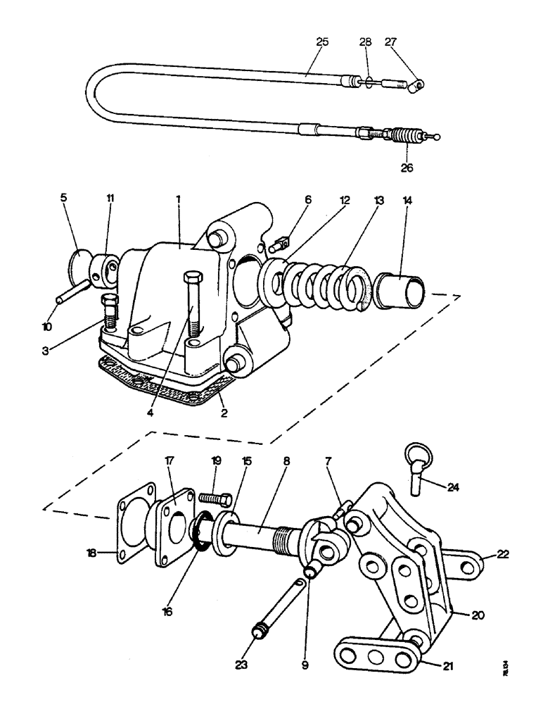
2
20
5
22
26
15
25
23
10
14
9
3
27
11
24
7
18
4
1
12
28
21
16
19
6
13
17
8
FIT
1:1
100%

Артикул

Название

Примечание

Количество

K918581

SPARE PART

ADJUSTABLE SENSING UNIT U1155 - Earlier 1212 Tractors (Also Alternative Equipment on earlier 1210 Tractors)

1шт.

1

K920690

HOUSING

1шт.

219-8

LUBE NIPPLE,1/4" - 28 NPTF

NIPPLE, LUBE, , ANF 1/4"-28 NPT x .54" lg

1шт.

2

K926451

GASKET,0.56mm Thk

1шт.

3

K600805

BOLT

1/2 UNC x 1-7/8 in

2шт.

4

K600815

BOLT

1/2 UNC x 3-1/4 in

4шт.

K19484

LOCK WASHER

SPRING WASHER, 1/2 in

6шт.

5

K623813

PLUG

WELCH PLUG, 2-3/8 in dia.

1шт.

6

K912371

CABLE

SUPPORT, outer

1шт.

7

K913852

LARGE PIN

CABLE SUPPORT, inner

1шт.

8

K920685

SHAFT

1шт.

9

K621396

BUSHING

BUSH

2шт.

10

K920696

PIN

RETAINING PIN

1шт.

11

K915266

COLLAR

1шт.

12a

K915101

WASHER

THRUST WASHER, 0.375 in, alternatives

1шт.

12b

K915112

WASHER

THRUST WASHER, 0.355 in, alternatives

1шт.

12c

K915113

WASHER

THRUST WASHER, 0.365 in, alternatives

1шт.

12d

K915114

WASHER

THRUST WASHER, 0.385 in, alternatives

1шт.

12e

K915115

WASHER

THRUST WASHER, 0.395 in, alternatives

1шт.

12f

K915116

WASHER

THRUST WASHER, 0.405 in, alternatives

1шт.

13

K915103

SPRING

1шт.

14

K915259

SLEEVE

1шт.

15

K915260

BUSHING

DISTANCE PIECE

1шт.

16

K623556

O-RING,0.139" Thk x 1.859" ID, -225, Cl 5, 75 Duro

'O' RING, 1-7/8 in internal dia.

1шт.

17

K923982

PLATE

END PLATE

1шт.

18

K915096

SHIM,.005" Thk

1шт.

K915097

SHIM,.010" Thk

1шт.

K915098

SHIM,.030" Thk

1шт.

19

413-618

BOLT,Hex, 3/8" - 16 x 1-1/8", Gr 5

SETSCREW, 3/8 UNC x 1-1/8 in

4шт.

K19482

SPRING WASHER

SPRING WASHER, 3/8 in

4шт.

20

K922006

FRAME

1шт.

21

K922028

LINK

PLATE AND PIN

1шт.

22

K922030

PLATE ASSY.

LINK PLATE

1шт.

23

K920695

LINK

PIN

2шт.

24

K66408

PIN

LINCH PIN AND RING

3шт.

25

K963417

LINK

CABLE, with dirt excluder

1шт.

26

K911970

BOOT

DIRT EXCLUDER

1шт.

219-8

LUBE NIPPLE,1/4" - 28 NPTF

NIPPLE, LUBE, , ANF 1/4"-28 NPT x .54" lg

1шт.

27

K915053

FITTING

1шт.

K617080

NUT

No. 10 UNF

2шт.

28

K690702

O-RING,1.59mm Thk x 6.75mm ID, 80 Duro

'O' RING, 1/4 in internal dia.

1шт.

See operators manual for adjustments & placement of Ref # 21 & 22. It is in the bottom position for heavy and medium draft, Use on top position for light and extra light.

1шт.

Выбрано товаров: 42