Запчасти Case IH 1210 (E36) - SELECTAMATIC HYDRAULIC SYSTEM, TOP LINK, WITHOUT OVERLOAD RELEASE - ALL MODELS (07) - HYDRAULIC SYSTEM

Схема запчастей Case IH 1210 - (E36) - SELECTAMATIC HYDRAULIC SYSTEM, TOP LINK, WITHOUT OVERLOAD RELEASE - ALL MODELS (07) - HYDRAULIC SYSTEM
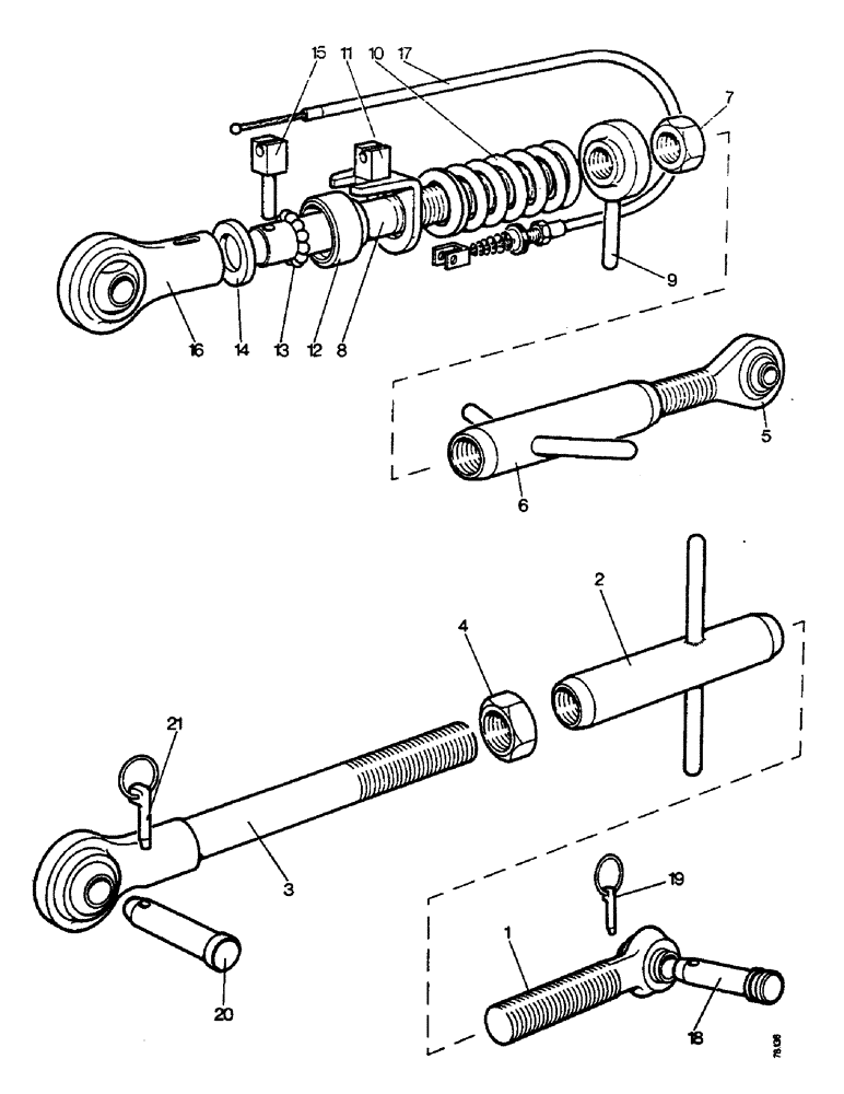
19
14
13
17
8
2
3
10
11
21
1
9
20
5
12
15
7
6
4
19
16
FIT
1:1
100%

Артикул

Название

Примечание

Количество

K940501

LINK

TOP LINK ASSEMBLY (1210, 1212) (replaces K962274)

1шт.

K962271

TOP LINK

ASSEMBLY, standard linkage (990, 995, 996)

1шт.

K940499

LINK

TOP LINK ASSEMBLY, extended linkage, replaces K962272 (990, 995, 996)

1шт.

K964858

TOP LINK

ASSEMBLY, replaces K928580 (885)

1шт.

1a

K920798

BALL

SCREW AND HOUSING, 8 in, tractor end (except 885)

1шт.

1b

K920796

SCREW

AND HOUSING, 7-7/8 in, tractor end (885)

1шт.

2

K920800

TURNBUCKLE

1шт.

219-8

LUBE NIPPLE,1/4" - 28 NPTF

NIPPLE, LUBE, , ANF 1/4"-28 NPT x .54" lg

1шт.

3a

K922791

NO LONGER SERVICED

SCREW AND HOUSING, 15 in, Category 2, replaces K920804 (1210, 1212)

1шт.

3b

K922790

SHAFT

SCREW AND HOUSING, 12 in, standard linkage, replaces K920803 (990, 995, 996)

1шт.

3c

K922792

SHAFT

SCREW AND HOUSING, 15 in, extended linkage, replaces K920805 (990, 995, 996)

1шт.

3d

K942057

SCREW

AND HOUSING, 9 in, Categories land 2, replaces K928581 (885)

1шт.

4

K19448

LOCK NUT

LOCKNUT, 1-1/4 BSF, right-hand

1шт.

Illustration is incorrect, Ref 4 locknut should be on the other side of Ref 2 Turnbuckle.

1шт.

K962273

LINK

TOP LINK ASSEMBLY, with overload release, 990 and 995 tractors, optional equipment on tractors with shell fenders, Includes: Ref. 5 - 17

1шт.

5

K921327

BALL

SCREW AND HOUSING, 7 in, tractor end, top link with overload release, 990 and 995 tractors, optional equipment on tractors with shell fenders

1шт.

6

K921331

TURNBUCKLE

top link with overload release, 990 and 995 tractors, optional equipment on tractors with shell fenders

1шт.

219-8

LUBE NIPPLE,1/4" - 28 NPTF

NIPPLE, LUBE, , ANF, Top link with overload release, 990 and 995 tractors, Optional equipment on tractors with shell fenders 1/4"-28 NPT x .54" lg

1шт.

K962634

LINK

IMPLEMENT END ASSEMBLY, with overload release, top link, 990 and 995 tractors, optional equipment on tractors with shell fenders, Includes: Ref. 7 - 17

1шт.

7

K19448

LOCK NUT

LOCKNUT, 1-1/4 BSF, top link with overload release, 990 and 995 tractors, optional equipment on tractors with shell fenders

1шт.

8

K921328

BALL

SCREWED SHAFT, 11-1/4 in, top link with overload release, 990 and 995 tractors, optional equipment on tractors with shell fenders

1шт.

9

K904266

NUT

ADJUSTING NUT, top link with overload release, 990 and 995 tractors, optional equipment on tractors with shell fenders

1шт.

10

K46243

SPRING

top link with overload release, 990 and 995 tractors, optional equipment on tractors with shell fenders

1шт.

11

K46242

CABLE

RETAINER, outer cable, top link with overload release, 990 and 995 tractors, optional equipment on tractors with shell fenders

1шт.

12

K46241

THRUST COLLAR, top link with overload release, 990 and 995 tractors, optional equipment on tractors with shell fenders

1шт.

13

K13506

BALL

STEEL BALL, 3/8 in, top link with overload release, 990 and 995 tractors, optional equipment on tractors with shell fenders

11шт.

14

K46240

WASHER

THRUST WASHER, top link with overload release, 990 and 995 tractors, optional equipment on tractors with shell fenders

1шт.

15

K46239

CABLE

RETAINER, inner cable, top link with overload release, 990 and 995 tractors, optional equipment on tractors with shell fenders

1шт.

16

K904262

BALL

END, Category 1 and 2, top link with overload release, 990 and 995 tractors, optional equipment on tractors with shell fenders

1шт.

17

K904560

CABLE

inner and outer, top link with overload release, 990 and 995 tractors, optional equipment on tractors with shell fenders

1шт.

18a

K919725

PIN,19.05mm OD x 111.13mm L

LINK PIN, selective sensing unit (except 885), linch pins, all models

1шт.

18b

K920695

LINK

PIN, adjustable sensing unit (except 885), linch pins, all models

1шт.

18c

K919725

PIN,19.05mm OD x 111.13mm L

LINK PIN, non-adjustable sensing unit (except 885), linch pins, all models

1шт.

18d

K912936

PIN

LINK PIN, non-adjustable sensing unit (885), linch pins, all models

1шт.

19

K66408

PIN

LINCH PIN AND RING, link pins, all models

1шт.

20a

K65690

HITCH PIN

LINK PIN, Category 2, linch pins, all models

1шт.

20b

K903981

HITCH PIN

LINK PIN, Category 1, linch pins, all models

1шт.

21

K920359

PIN

LINCH PIN AND RING, link pins, all models

1шт.

Выбрано товаров: 38