Запчасти Case IH 1212 (9-036) - FENDERS, FRAME PLATFORMS AND ROPS ATTACHMENT, WITH REINFORCED FULL FENDERS (09) - CHASSIS/ATTACHMENTS

Схема запчастей Case IH 1212 - (9-036) - FENDERS, FRAME PLATFORMS AND ROPS ATTACHMENT, WITH REINFORCED FULL FENDERS (09) - CHASSIS/ATTACHMENTS
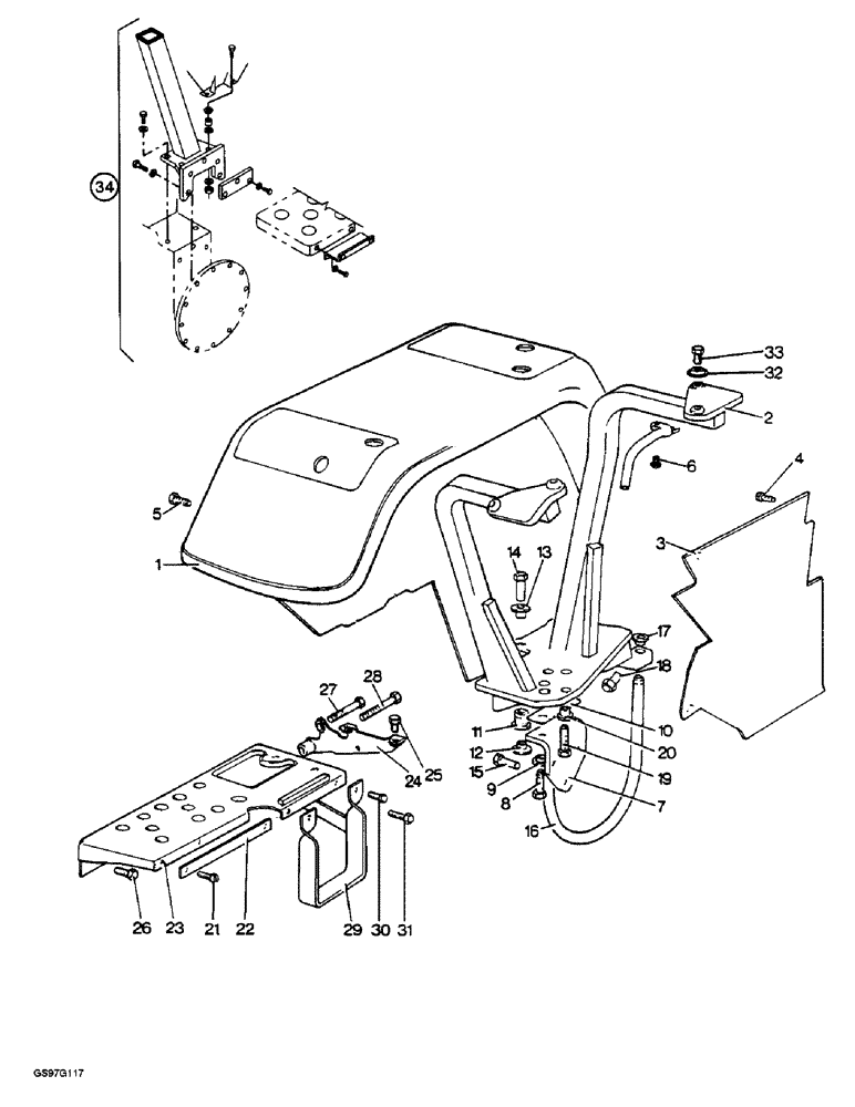
23
15
8
12
24
14
28
3
27
20
13
9
31
7
34
26
29
5
19
25
10
21
2
11
6
22
4
32
1
33
17
16
30
18
FIT
1:1
100%

Артикул

Название

Примечание

Количество

1

K952446

FENDER

full, right-hand, no longer available (Replaces fender K775035)

1шт.

1

K952447

FENDER

full, left-hand (Replaces fender K775038)

1шт.

2

K771856

FRAME

SUPPORT right-hand fender, used with 1210, 1210G, 1212 and 1212G tractors, no longer available

1шт.

2

K771574

FRAME

SUPPORT left-hand fender, used with 1210, 1210G, 1212 and 1212G tractors, no longer available

1шт.

2

K774980

FRAME

SUPPORT right-hand fender, used with 1210 and 1210G four-wheel drive tractors, no longer available

1шт.

2

K775033

FRAME

SUPPORT left-hand fender, used with 1210 and 1210G four-wheel drive tractors, no longer available

1шт.

3

K774743

GUARD

SHIELD mud, right-hand

1шт.

3

K774737

GUARD

SHIELD mud, left-hand

1шт.

4

K602740

SCREW

set, special, mud shields to fenders, 1/4 NC x 5/8 inch, no longer available

8шт.

K626682

WASHER

flat, mud shields to fenders, 5/16 inch

8шт.

492-11025

LOCK WASHER,1/4"

WASHER, LOCK, , Mud shields to fenders (Replaces washer K626341) 1/4"

8шт.

425-104

NUT,1/4"-20, Cl 5

Mud shields to fenders (Replaces nut K607043) 1/4"-20, G5

8шт.

5

K602845

BOLT,Hex Hd, 5/16"-18 x 3/4"

set, supports to fenders, 5/16 NC x 3/4 inch

16шт.

492-11031

LOCK WASHER,5/16"

WASHER, LOCK, , supports to fenders (Replaces washer K19481) 5/16"

16шт.

K626682

WASHER

flat, supports to fenders, 5/16 inch

16шт.

425-105

NUT,5/16"-18, G5

- hex, supports to fenders, 5/16 inch NC (Replaces nut K607044)

16шт.

6

K602740

SCREW

special, harness to fender, 1/4 NC x 5/8 inch

8шт.

7

K771570

SUPPORT

PLATE, used with 1210, 1210G, 1212 and 1212G tractors, no longer available

2шт.

7

K775288

SUPPORT

PLATE, right-hand, used with 1210 and 1210G four-wheel drive tractors, no longer available

2шт.

7

K775294

SUPPORT

PLATE, left-hand, used with 1210 and 1210G four-wheel drive tractors, no longer available

2шт.

8

K691839

BOLT

hex, plates to supports, 1/2 NC x 2-1/4 inch, no longer available

6шт.

K627100

BUSHING

SPACER plates to supports, used with 1210 and 1210G four-wheel drive tractors

2шт.

9

K771938

BUSHING

nylon, used with 1210 and 1210G four-wheel drive tractors, no longer available

6шт.

K691835

WASHER

special, plates to supports, 1/2 inch

6шт.

K626686

WASHER

flat, plates to supports, 1/2 inch

6шт.

10

K771560

PAD

nylon, plates to supports, no longer available

2шт.

80679

LOCK WASHER,1/20.507 CST ZND

WASHER, LOCK, , Plates to supports (Replaces washer K626345) 1/2"

6шт.

425-108

NUT,1/2" - 13, Gr 5

NUT, , Plates to supports (Replaces nut K607047) 1/2"-13, G5

12шт.

11

K773969

ADJUSTER

supports to rear axle housing, no longer available

4шт.

12

K771563

BUSHING

nylon, supports to rear axle housing

4шт.

13

K773970

WASHER

damping, supports to rear axle housing, no longer available

4шт.

K692050

WASHER

special, supports to rear axle housing, no longer available

4шт.

K692049

WASHER

special, supports to rear axle housing

4шт.

80679

LOCK WASHER,1/20.507 CST ZND

WASHER, LOCK, , Supports to rear axle housing 1/2"

4шт.

14

413-828

BOLT,Hex, 1/2" - 13 x 1-3/4", Gr 5

Supports to rear axle housing (Replaces bolt K600885) Hex, 1/2"-13 x 1 3/4", G5

4шт.

15

413-1026

BOLT,Hex, 5/8" - 11 x 1-5/8", Gr 5

hex, plates to reduction units, 5/8 NC x 1-5/8 inch (Replaces screws K603275 and K603307)

6шт.

492-11062

BEARING WASHER,5/8"

WASHER, LOCK, , Plates to reduction units (Replaces washer K19485) 5/8"

6шт.

K626855

WASHER

flat, plates to reduction units, 5/8 inch

6шт.

16

K771600

BOLT

U-BOLT, supports to reductions, 3/4 inch NC, no longer available

2шт.

17

K771554

BUSHING

nylon, supports to reductions, no longer available

4шт.

K19476

WASHER

flat, supports to reductions, 3/4 inch

4шт.

425-1412

JAM NUT,Jam, 3/4"-10, G5

hex jam, supports to reductions, 3/4 inch NC (Replaces nut K607086)

8шт.

18

K771994

SCREW

set, special, supports to reductions, 1/2 NF x 7/8 inch, no longer available

4шт.

19

K691834

SCREW

set, supports to reductions, 5/8 NC x 3 inch, no longer available

2шт.

20

K771606

BUSHING

nylon, supports to reductions, no longer available

2шт.

K771605

WASHER

nylon, supports to reductions, no longer available

2шт.

K692050

WASHER

flat, supports to reductions, 5/8 inch, no longer available (Replaces washer K691832)

4шт.

425-1010

NUT,5/8"-11, G5

Supports to reductions (Replaces nut K607048) 5/8"-11, G5

4шт.

21

413-516

BOLT,Hex, 5/16" - 18 x 1", Gr 5

hex, fenders to platforms, 5/16 NC x 1 inch (Replaces setscrew K602847)

6шт.

K626682

WASHER

flat, fenders to platforms, 5/16 inch

12шт.

425-105

NUT,5/16"-18, G5

- hex, fenders to platforms, 5/16 inch NC (Replaces nut K607044)

6шт.

492-11031

LOCK WASHER,5/16"

WASHER, LOCK, , fenders to platforms (Replaces washer K19481) 5/16"

6шт.

22

K772133

STRIP

nylon, fenders to platforms, no longer available

2шт.

23

K943581

FRAME

PLATFORM ASSEMBLY, right-hand, no longer available, Includes: Bracket and Bearing

1шт.

23

K943571

FRAME

PLATFORM ASSEMBLY, left-hand, no longer available, Includes: Bracket and Bearing

1шт.

K916527

WASHER

BRACKET bearing

1шт.

K916526

BUSHING

BEARING frame

1шт.

24

K949434

LEVER

GUSSET frame platform, no longer available

1шт.

25

413-616

BOLT,Hex, 3/8" - 16 x 1", Gr 5

hex, gusset to frame platform, 3/8 NC x 1 inch (Replaces setscrew K602984)

2шт.

K19472

WASHER

flat, gusset to frame platform, 3/8 inch

2шт.

492-11038

LOCK WASHER,3/8"

gusset to frame platform (Replaces washer K19482) 3/8"

2шт.

26

413-716

BOLT,Hex, 7/16" - 14 x 1", Gr 5

Platforms to main frame (Replaces K603003) Hex, 7/16"-14 x 1", G5, Full Thd

11шт.

413-720

BOLT,Hex, 7/16" - 14 x 1-1/4", Gr 5

hex, platforms to main frame, 7/16 NC x 1-1/4 inch (Replaces setscrew K603005)

1шт.

492-11044

LOCK WASHER,7/16"

WASHER, LOCK, , Platforms to main frame 7/16"

12шт.

27

413-852

BOLT,Hex, 1/2" - 13 x 3-1/4", Gr 5

hex, gusset to main frame, 1/2 NC x 3-1/4 inch (Replaces bolt K600815)

1шт.

28

413-860

BOLT,Hex, 1/2" - 13 x 3-3/4", Gr 5

Gsset to main frame Hex, 1/2"-13 x 3 3/4", G5

1шт.

29

K944305

STEP

STIRRUP right-hand, used with 1210, 1210G, 1212 and 1212G tractors

1шт.

29

K944304

X

STIRRUP left-hand, used with 1210, 1210G, 1212 and 1212G tractors, no longer available

1шт.

29

K952237

STEP

STIRRUP right-hand, used with 1210 and 1210G four-wheel drive tractors, no longer available

1шт.

29

K952236

STEP

STIRRUP left-hand, used with 1210 and 1210G four-wheel drive tractors, no longer available

1шт.

30

113-102

BOLT,Hex, 5/16" - 18 x 3/4", Gr 5

Hex, 5/16"-18 x 3/4", G5, Full Thd, Stirrups to platforms, 5/16 NC x 3/4 inch (Replaces setscrew K602803)

4шт.

413-514

BOLT,Hex, 5/16" - 18 x 7/8", Gr 5

Hex, 5/16"-18 x 7/8", G5, LH platform, stirrups to platforms (Replaces setscrew K602804)

1шт.

492-11031

LOCK WASHER,5/16"

WASHER, LOCK, , stirrups to platforms (Replaces washer K19481) 5/16"

5шт.

425-105

NUT,5/16"-18, G5

- hex, stirrups to platforms, 5/16 inch NC (Replaces nut K607001)

5шт.

31

413-720

BOLT,Hex, 7/16" - 14 x 1-1/4", Gr 5

hex, right-hand platform, stirrups to platforms, 7/16 NC x 1-1/4 inch (Replaces screw K603005)

1шт.

32

K773988

FASTENER

WASHER conical, not used with safety frame

8шт.

33

413-1024

BOLT,Hex, 5/8" - 11 x 1-1/2", Gr 5

(Replaces setscrew K603274) Hex, 5/8"-11 x 1 1/2", G5, Full Thd

8шт.

34

227766A1

ROPS

KIT attachment

1шт.

Выбрано товаров: 78