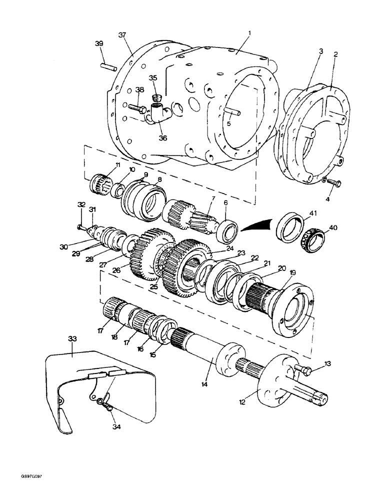
Запчасти Case IH 1212 (6-06) - REVERSIBLE SHAFT POWER TAKE OFF (06) - POWER TRAIN

Схема запчастей Case IH 1212 - (6-06) - REVERSIBLE SHAFT POWER TAKE OFF (06) - POWER TRAIN
33
17
15
11
26
38
24
3
32
29
22
21
1
37
35
9
39
4
23
8
30
40
27
16
12
7
17
28
34
20
14
31
5
36
2
13
41
10
25
6
18
19
FIT
1:1
100%

Артикул

Название

Примечание

Количество

K964742

PTO

HOUSING ASSEMBLY-PTO, reversible shaft, no longer available, Includes: Ref. 1 - 41

1шт.

1

K948229

CASE

HOUSING-PTO

1шт.

2

K207825

SHAFT

COVER end (Replaces cover K948300)

1шт.

3

K948396

GASKET,0.25mm Thk

end, Serial Range: cover-housing

1шт.

4

413-516

BOLT,Hex, 5/16" - 18 x 1", Gr 5

hex, 5/16 NC x 1 inch, end cover to housing (Replaces setscrew K602805)

13шт.

492-11031

LOCK WASHER,5/16"

WASHER, LOCK, , end cover to housing (Replaces washer K19481) 5/16"

13шт.

5

K30134

PIN

dowel, 1/2 x 1-5/16 inch, end, Serial Range: cover-housing

1шт.

6

K620046

BEARING

tapered roller, no longer available, order cup 618024R1 and bearing 618023R91, Ref. 40 and 41 on Figure 6-6

1шт.

7

K948384

GEAR

SHAFT input, 12/13 tooth

1шт.

8

K621050

BEARING tapered roller

1шт.

9

K627406

SHIM,.003" Thk

1шт.

9

K627407

SHIM,.005" Thk

1шт.

9

K627408

SHIM,.007" Thk

1шт.

9

K627409

SHIM,.010" Thk

1шт.

10

A43356

BEARING ASSY

ball (Replaces bearing K19114)

1шт.

11

K946388

GEAR

sliding, dog clutch

1шт.

12

K948393

SHAFT

reversible PTO, 6/21 splines

1шт.

13

K948397

BOLT

1/2 NF

4шт.

14

K948388

SHAFT

output, high-speed

1шт.

15

K623464

OIL SEAL

oil, 55 x 70 x 8 mm

1шт.

16

K948395

PLATE

abutment

1шт.

17

K620146

NEEDLE BEARING

BEARING roller

2шт.

18

K948394

BUSHING

SPACER distance

1шт.

19

K948397

BOLT

SHAFT output, low-speed

1шт.

20

K623452

SEAL,90mm ID x 110.28mm OD x 11.99mm Thk

oil, 90 x 110 x 12 mm

1шт.

21

K948391

RING

WASHER special

1шт.

22

K620145

TAPERED BEARING,75mm ID x 130mm OD x 33.25mm W

tapered roller

1шт.

23

K948392

RING

split, halves

2шт.

24

K948395

PLATE

GEAR drive, low-speed, 50 tooth

1шт.

25

K620147

THRUST BEARING

thrust

1шт.

26

K948386

GEAR

driven, high-speed, 43 tooth

1шт.

27

K948389

WASHER

special

1шт.

28

K620046

BEARING

tapered roller

1шт.

29

K88921

SHIM,.003" Thk

1шт.

29

K88922

SHIM,.005" Thk

1шт.

29

K88923

SHIM,.007" Thk

1шт.

29

K88924

SHIM,.010" Thk

1шт.

30

K948390

BEARING

RETAINER bearing

1шт.

31

K626430

WASHER

tab, Serial Range: retainer-shaft

1шт.

32

K602803

BOLT

SCREW set, retainer to shaft, 5/16 NC x 3/4 inch

3шт.

33

K948409

GUARD

PTO

1шт.

34

413-716

BOLT,Hex, 7/16" - 14 x 1", Gr 5

Guard to end cover (Replaces K603003) Hex, 7/16"-14 x 1", G5, Full Thd

4шт.

492-11044

LOCK WASHER,7/16"

WASHER, LOCK, , Guard to end cover (Replaces washer K19483) 7/16"

4шт.

35

K12362

PLUG

1 inch BSP

1шт.

36

K622127

FITTING

ELBOW oil filler, used with 1210Q, 1212Q, 1210Sk and 1212Sk tractors

1шт.

37

K205398

GASKET

PTO to rear axle housing (Replaces gasket K922591)

1шт.

38

413-722

BOLT,Hex, 7/16" - 14 x 1-3/8", Gr 5

hex, 7/16 NC x 1-3/8 inch, PTO to rear axle housing (Replaces screw K603006)

12шт.

492-11044

LOCK WASHER,7/16"

WASHER, LOCK, (Replaces washer K19483) 7/16"

12шт.

39

K61412

PIN

dowel, 7/16 x 1-1/4 inch

1шт.

40

618023R91

BEARING ASSY,34.93mm ID x 18.2mm W

tapered roller

1шт.

41

618024R1

BEARING CUP,65.113mm OD x 13.97mm W

Tapered roller

1шт.

Выбрано товаров: 51