Запчасти Case IH 1212 (6-32) - GEARBOX ASSEMBLIES AND HOUSING, 1212, 1212Q, 1212SK AND 1212G TRACTORS (06) - POWER TRAIN

Схема запчастей Case IH 1212 - (6-32) - GEARBOX ASSEMBLIES AND HOUSING, 1212, 1212Q, 1212SK AND 1212G TRACTORS (06) - POWER TRAIN
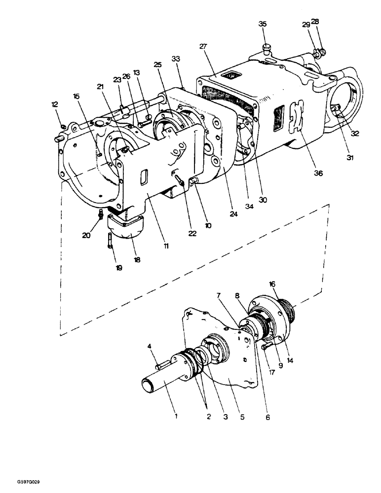
18
14
7
6
32
8
1
3
5
34
26
15
30
4
13
11
17
33
16
24
23
28
9
19
12
2
29
20
22
25
36
35
31
21
10
27
FIT
1:1
100%

Артикул

Название

Примечание

Количество

K927142

GEARBOX ASSY

semi-automatic and range, complete, used with 1212, 1212Q and 1212Sk tractors, no longer available

1шт.

K927141

GEARBOX

semi-automatic and range, complete, used with 1212G tractors, no longer available

1шт.

K963537

GEARBOX ASSY

semi-automatic section only, no longer available

1шт.

1

K940294

SUPPORT

SNOUT, clutch release bearing, housing

1шт.

2

238-5234

O-RING,0.139" Thk x 2.984" ID, -234, Cl 5, 75 Duro

(Replaces O-ring K623545), housing -234, 70 Duro, 2.984" ID x .139" Thk

2шт.

3

K623415

SEAL

oil, 46 x 65 x 10 mm, housing

1шт.

4

K602705

SCREW

set, 1/4 NC x 1 inch, housing

4шт.

492-11025

LOCK WASHER,1/4"

WASHER, LOCK, (Replaces washer K19480), housing 1/4"

4шт.

5

K954258

PLATE

end, front, housing

1шт.

K943635

STEP BOLT

special, end plate to spacer, 5/16 NC x 2 inch, housing

2шт.

492-11038

LOCK WASHER,3/8"

end plate to spacer (Replaces washer K19482), housing 3/8"

2шт.

6

K929301

SUPPORT

SLEEVE, housing

1шт.

7

K908508

BUSHING

support sleeve, housing

1шт.

8

K917796

RING, PISTON

seal, housing

2шт.

9

K606812

SCREW

special, 1/4 NC, housing

4шт.

10

413-652

BOLT,Hex, 3/8" - 16 x 3-1/4", Gr 5

hex, 3/8 NC x 3-1/4 inch (Replaces bolt K600417), housing

1шт.

492-11038

LOCK WASHER,3/8"

(Replaces washer K19482), housing 3/8"

1шт.

11

K262065

BUSHING

SPACER end plate (Replaces spacer K929441), housing

1шт.

12

81-3315

SET SCREW,5/16"-18 x 5/16", Slotted

set, slotted headless, 5/16 NC x 5/16 inch (Replaces screw K606021), housing

1шт.

13

K622912

PIN

dowel, 3/8 x 7/8 inch (Replaces pin K621805), housing

2шт.

14

K929300

HOUSING

spacer, housing

1шт.

15

83-3254

SET SCREW,Hex Soc, 1/4"-20 x 1/4"

set, hex socket, 1/4 NC x 1/4 inch, housing (Replaces screw K606200)

1шт.

16

K917796

RING, PISTON

seal, housing

2шт.

17

413-618

BOLT,Hex, 3/8" - 16 x 1-1/8", Gr 5

(Replaces setscrew K602905), housing Hex, 3/8"-16 x 1 1/8", G5, Full Thd

4шт.

492-11038

LOCK WASHER,3/8"

(Replaces washer K19482), housing 3/8"

4шт.

18

K963538

BRAKE

CYLINDER AND PISTON brake band, no longer available, housing

2шт.

19

413-532

BOLT,Hex, 5/16" - 18 x 2", Gr 5

Cylinders to spacer (Replaces bolt K600209), housing Hex, 5/16"-18 x 2", G5

8шт.

492-11031

LOCK WASHER,5/16"

WASHER, LOCK, , cylinders to spacer (Replaces washer K19481), housing 5/16"

8шт.

20

K929459

SCREW

locating, front brake band, 5/16 NF x 1-3/8 inch, no longer available, housing

2шт.

21

K929460

SCREW,5/16" - 24 x 1 3/8"

locating, front brake band, 5/16 NF x 1-3/8 inch, housing

1шт.

25-155

JAM NUT,Jam, 5/16"-24, G5

lock, front brake band, 5/16 inch NF, (Replaces locknut K617051), housing

3шт.

22

K929458

SCREW

locating, rear brake band, 3/8 NF x 1-3/4 inch, housing

1шт.

425-156

JAM NUT,Jam, 3/8"-24, G5

hex jam, 3/8 inch NF (Replaces locknut K617052), housing

1шт.

23

K929460

SCREW,5/16" - 24 x 1 3/8"

locating, rear brake band, 5/16 NF x 1-3/8 inch, housing

4шт.

25-155

JAM NUT,Jam, 5/16"-24, G5

lock, rear brake band, 5/16 inch NF (Replaces locknut K617051), housing

4шт.

24

K940299

PLATE

end, center, housing

1шт.

25

K955333

HOUSING, BEARING

center plate (Replaces housing K928480), housing

1шт.

26

413-618

BOLT,Hex, 3/8" - 16 x 1-1/8", Gr 5

(Replaces setscrew K602905), housing Hex, 3/8"-16 x 1 1/8", G5, Full Thd

6шт.

492-11038

LOCK WASHER,3/8"

(Replaces washer K19482), housing 3/8"

6шт.

27

K941325

PLATE

HOUSING ASSEMBLY range gearbox, includes brake housing, used with 1212G tractors, no longer available, Includes: Ref. 28 - 29 and Nut

1шт.

28

26-1060

BOLT,Hex, 5/8" - 11 x 3-3/4", Gr 8

hex, 5/8 NC x 3-3/4 inch, used with housing K962991 (Replaces bolt K601242)

4шт.

28

K608609

STUD

5/8 NC x 6-3/4 inch, used with housing K941325, no longer available

4шт.

29

K626389

BEARING WASHER

WASHER tab, used with housing K962991

1шт.

425-1010

NUT,5/8"-11, G5

Used with housing K941325 (Replaces nut K607006) 5/8"-11, G5

4шт.

30

K917472

SUPPORT

PLATE, pinion bearing, no longer available, housing

1шт.

31

107-1618

PREV TORQUE BOLT,Locking, 3/8"-16 x 1 1/8", G8

BOLT hex, 3/8 NC x 1-5/8 inch (Replaces bolt K600405), housing

6шт.

32

K626387

WASHER

tab, housing

3шт.

33

K608410

STUD

1/2 NC x 17-5/8 inch, housing

4шт.

80679

LOCK WASHER,1/20.507 CST ZND

WASHER, LOCK, (Replaces washer K19484), housing 1/2"

4шт.

425-108

NUT,1/2" - 13, Gr 5

NUT, (Replaces nut K607004), Housing 1/2"-13, G5

4шт.

34

K621805

PIN

dowel, 3/8 x 7/8 inch, housing

4шт.

35

K601306

BOLT

hex, 5/8 NC x 2-1/2 inch, no longer available, housing

2шт.

K920656

BUSHING

BUSHING gearbox housing, housing

2шт.

K626239

SHIM,.010" Thk

Housing .010" Thk

1шт.

36

K947189

COVER

PLATE, no longer available, housing

1шт.

Выбрано товаров: 55