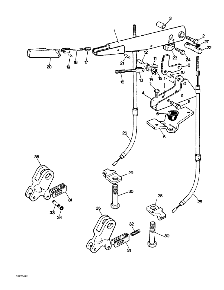
Запчасти Case IH 1212 (7-04) - HAND BRAKE LINKAGE, 1210Q, 1212Q, 1210SK AND 1212SK TRACTORS FOR EUROPE ONLY (07) - BRAKES

Схема запчастей Case IH 1212 - (7-04) - HAND BRAKE LINKAGE, 1210Q, 1212Q, 1210SK AND 1212SK TRACTORS FOR EUROPE ONLY (07) - BRAKES
31
5
29
31
17
25
35
20
28
7
10
34
3
18
32
19
14
12
22
9
16
13
6
35
33
21
1
24
30
11
27
15
4
26
2
30
23
8
FIT
1:1
100%

Артикул

Название

Примечание

Количество

1

K950579

LEVER

hand, no longer available

1шт.

2

113-2256

SCREW

BOLT hex, hand lever to bracket, 3/8 NC x 1-7/8 inch (Replaces bolt K600526)

1шт.

3

K627052

BUSHING

SPACER hand, Serial Range: lever-bracket

1шт.

492-11038

LOCK WASHER,3/8"

hand lever to bracket (Replaces washer K19482) 3/8"

1шт.

425-106

NUT,3/8"-16, Cl 5

(Replaces nut K607045) 3/8"-16, G5

1шт.

4

K951560

BRACKET

support, hand lever, no longer available

1шт.

5

K949506

SHIM

PLATE retaining, no longer available

1шт.

6

K949507

SEAL

rubber, bracket to plate, no longer available

2шт.

7

K602845

BOLT,Hex Hd, 5/16"-18 x 3/4"

set, bracket to plate, 5/16 NC x 3/4 inch

2шт.

492-11031

LOCK WASHER,5/16"

WASHER, LOCK, , bracket to plate (Replaces washer K19481) 5/16"

2шт.

8

K200242

RATCHET

hand lever, no longer available

1шт.

8

K949487

RATCHET

hand lever, no longer available

2шт.

9

413-528

BOLT,Hex, 5/16" - 18 x 1-3/4", Gr 5

Ratchet to support bracket (Replaces bolt K600369) Hex, 5/16"-18 x 1 3/4", G5

2шт.

492-11031

LOCK WASHER,5/16"

WASHER, LOCK, , ratchet to support bracket (Replaces washer K19481) 5/16"

2шт.

425-105

NUT,5/16"-18, G5

- hex, ratchet to support bracket, 5/16 inch NC (Replaces nut K607044)

2шт.

10

K627109

BUSHING

SPACER ratchet to support bracket, 1-1/8 inch, no longer available

1шт.

10

K627110

BUSHING

SPACER ratchet to support bracket, 3/4 inch, no longer available

1шт.

10

K627084

BUSHING

SPACER ratchet to support bracket, no longer available

4шт.

11

K200038

PAWL

ratchet, if used

1шт.

11

K949500

PAWL

ratchet, if used

1шт.

12

135-761

PIN dowel, 1/4 x 7/8 inch (Replaces pin K623772)

1шт.

13

K950033

ROD

pull, short

1шт.

14

K949499

PIN

grooved

1шт.

15

K621572

RING, SNAP

CLIP spring

1шт.

16

K625099

SPRING

pull rod (Replaces spring K625108)

1шт.

225-14210

NUT,#10-32

(Replaces nut K617080) #10-32

1шт.

17

K617286

NUT

SLEEVE adjusting, No. 10 NF, no longer available, order pull rod K950033, Ref. 18 and nut K617297

1шт.

17

K617297

NUT

long, spherical, 10-32 NF

1шт.

18

K950577

ROD

pull, long

1шт.

18

K950033

ROD

pull, short

1шт.

19

K949498

PIN

plain

1шт.

20

K950026

LEVER

release

1шт.

21

138-2067

PIN,3/16" x 1", Coiled

(Replaces pin K623773) 3/16" x 1", Coiled

1шт.

22

K949501

BAR

balance

1шт.

23

K949502

SUPPORT

BLOCK, no longer available

1шт.

24

K966404

SCREW

set, block to hand lever, 1/4 NC x 1-1/8 inch (Replaces screw K602739)

2шт.

492-11025

LOCK WASHER,1/4"

WASHER, LOCK, (Replaces washer K19480) 1/4"

2шт.

425-104

NUT,1/4"-20, Cl 5

(Replaces nut K607043) 1/4"-20, G5

2шт.

25

K949505

BRAKE

CABLE inner and outer, left-hand, no longer available, order cable K311168 and cable pin K210359

1шт.

25

K311168

CABLE

hand brake, left-hand

1шт.

26

K949504

BRAKE

CABLE inner and outer, right-hand, no longer available, order cable K311167 and cable pin K210359

1шт.

K210359

PIN

cable, used with cables K311168 and K311167

2шт.

26

K311167

CABLE

hand brake, right-hand

1шт.

27

K949503

WASHER

spherical, 5/16 inch

2шт.

K617285

SPECIAL NUT

special, 5/16 inch NF

2шт.

425-155

JAM NUT,Jam, 5/16"-24, G5

hex jam, 5/16 inch NF (Replaces nut K622807)

1шт.

28

K949691

BRACKET

anchor, left-hand cable, no longer available

1шт.

29

K949690

BRACKET

anchor, right-hand cable, no longer available

1шт.

30

413-1252

BOLT,Hex, 3/4" - 10 x 3-1/4", Gr 5

hex, 3/4 NC x 3-1/2 inch (Replaces bolt K601411)

2шт.

K913121

WASHER

tab

2шт.

31

K949523

FORK

END

2шт.

32

K625259

SPRING

return, cables, no longer available

2шт.

33

K949552

PIN

grooved

2шт.

K626682

WASHER

flat, 5/16 inch

4шт.

34

K621482

RING, SNAP

5/16 inch

4шт.

35

K948977

LEVER

cam

2шт.

Выбрано товаров: 56