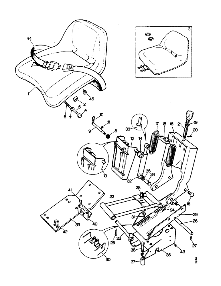
Запчасти Case IH 1212 (L30) - CHASSIS, SUPER COMFORT SUSPENSION SEAT, 885, 990, 995, 996, 1210, 1212 TRACTORS (12) - CHASSIS

Схема запчастей Case IH 1212 - (L30) - CHASSIS, SUPER COMFORT SUSPENSION SEAT, 885, 990, 995, 996, 1210, 1212 TRACTORS (12) - CHASSIS
10
30
16
1
11
23
29
25
31
38
44
9
42
32
18
8
17
43
33
22
2
14
24
19
27
36
4
28
34
26
40
13
15
12
6
35
41
20
7
5
45
39
21
3
37
FIT
1:1
100%

Артикул

Название

Примечание

Количество

K947550

DRIVER SEAT

SEAT AND SUSPENSION ASSEMBLY (without seat belt), Includes: Ref. 1A - 7

1шт.

K947553

DRIVER SEAT

SEAT AND SUSPENSION ASSEMBLY (with seat belt), Includes: Ref. 1A - 7

1шт.

K948940

DRIVER SEAT

SEAT AND SUSPENSION ASSEMBLY (case industrial yellow), Includes: Ref. 1A - 7

1шт.

1a

K947414

SEAT

PAN SEAT, cushion and cover (with seat belt)

1шт.

1b

K948414

DRIVER SEAT

PAN SEAT, cushion and cover (Case industrial yellow)

1шт.

2

K963419

CATCH

plastic, replaces Ref. 4 - 7

1шт.

3

K963420

SEAT COVER

COVER, cushion

1шт.

K964809

CLIP

, Serial Range: cover-seat

11шт.

4

K962435

KNOB

seat locking pin (without seat belt)

1шт.

5

K962440

STUD

LOCKING PIN

1шт.

6

K962439

SPRING

1шт.

7

K621592

RING, SNAP

'E' CLIP, 7/32 in

1шт.

K947402

SEAT

AND SUSPENSION ASSEMBLY, 60 kg springs (without seat belt), Includes: Ref. 8 - 35

1шт.

K947401

SUSPENSION

SEAT AND SUSPENSION ASSEMBLY, 80 kg springs (with seat belt), Includes: Ref. 8 - 35

1шт.

K948413

SEAT

AND SUSPENSION ASSEMBLY, 80 kg springs (Case industrial yellow), Includes: Ref. 8 - 35

1шт.

8

K963425

KNOB

seat locking pin, with seat belt

1шт.

9a

K963611

PIN

SEAT LOCKING PIN, 10 mm pin, with seat belt

1шт.

10

K963612

NO LONGER SERVICED

SPRING CLIP

1шт.

11a

K621587

RING, SNAP

'E' CLIP, use with K963611

1шт.

12a

K964786

SUPPORT

CARRIER, two lugs for later type damper, use with K963611 (without seat belt)

1шт.

13

K963610

SUPPORT

CARRIER, one lug for earlier type damper (with seat belt)

1шт.

9b

K965123

PIN

SEAT LOCKING PIN, 8 mm (with seat belt)

1шт.

11b

K965124

CLIP

'E' CLIP, use with K965123 (with seat belt)

1шт.

12b

K965126

SUPPORT

CARRIER, use with K965123 (with seat belt)

1шт.

14

K962432

ROLLER

NYLON ROLLER

2шт.

15

K964784

SPRING

FRAME, replaces K962430

1шт.

16

K962443

SCREW

COACH BOLT, 10 mm x 1 in, Serial Range: frame-support

2шт.

K19482

SPRING WASHER

SPRING WASHER, 3/8 in, Serial Range: frame-support

2шт.

K962493

NUT

10 mm, Serial Range: frame-support

2шт.

17a

K962437

SPRING

TENSION SPRING, 60 kg (without seat belt)

2шт.

17b

K964944

SPRING

TENSION SPRING, 80 kg heavy duty (with seat belt)

2шт.

18

K962442

BRACKET

spring tensioner

1шт.

19

K19474

HARDWARE

WASHER, 1/2 in

1шт.

20

K19528

PIN

SPLIT PIN, 3/32 x 3/4 in

1шт.

21

K963418

SCREW

TENSION SCREW

1шт.

22

K963431

BEAM

SUSPENSION BEAM

1шт.

23

K963452

PIN

LOCATING PIN

1шт.

24

K962431

BUSHING

BUSH

4шт.

25

K19540

PIN, SPLIT (COTTER)

SPLIT PIN, 5/32 x 7/8 in

1шт.

26

K962441

PIN

PIVOT PIN

1шт.

27

K962495

PIN

2шт.

28

K962434

STOP

RUBBER STOP

1шт.

29

K964791

BRACKET

SLIDING SUPPORT, for new type damper

1шт.

30

K962427

BRACKET

SLIDING SUPPORT, for old type damper

1шт.

31

K602982

SCREW,3/8" - 16 x 3/4", Gr S

SETSCREW, 3/8 UNC x 3/4 in, Serial Range: support-bracket

4шт.

K19472

WASHER

3/8 in, Serial Range: support-bracket

4шт.

K19482

SPRING WASHER

SPRING WASHER, 3/8 in, Serial Range: support-bracket

4шт.

32

K963430

SHOCK ABSORBER

HYDRAULIC DAMPER, old type

1шт.

33

K964817

DAMPER

HYDRAULIC DAMPER, new type

1шт.

34

K962433

PIN

2шт.

35

K962494

RING, SNAP

CIRCLIP

2шт.

36

K919599

SEAT SUPPORT

SUPPORT BRACKET (1210, 1212)

1шт.

37

K627049

BUSHING

DISTANCE PIECE, support to axle (1212)

4шт.

38a

K600562

BOLT

3/8 UNC x 3 in, support to axle (1212)

4шт.

K19482

SPRING WASHER

SPRING WASHER, 3/8 in, support to axle (1212)

4шт.

38b

K602982

SCREW,3/8" - 16 x 3/4", Gr S

SETSCREW, 3/8 UNC x 3/4 in, support to axle case (1210)

4шт.

K19472

WASHER

3/8 in (1210)

4шт.

K19482

SPRING WASHER

SPRING WASHER, 3/8 in (1210)

4шт.

39

K943046

BRACKET

SUPPORT BRACKET (885, 990, 995, 996)

1шт.

40

K925114

BRACKET

trailer socket (885, 990, 995, 996)

1шт.

41

88542

BOLT,Hex, 1/4"-20 x 1/2", Gr 5

SETSCREW, 1/4 UNC x 1/2 in, bracket to support (885, 990, 995, 996)

2шт.

K626341

SPRING WASHER

SPRING WASHER, 1/4 in, bracket to support (885, 990, 995, 996)

2шт.

42

88206

BOLT,Hex, 3/8" - 16 x 1", Gr 5

Support to axle case (885, 990, 995, 996) Hex, 3/8"-16 x 1", G5, Full Thd

4шт.

K19482

SPRING WASHER

SPRING WASHER, 3/8 in, support to axle case (885, 990, 995, 996)

4шт.

43

K628088

PLUG,Cap, .240" OD

1/2 in deg., replaces K62801

3шт.

44

K945347

SAFETY BELT

SEAT BELT (U1596)

1шт.

45

K945348

BOLT

5/16 UNF, special (U1596)

2шт.

K945349

WASHER

9/16 in, special (U1596)

2шт.

Выбрано товаров: 68